Operation CHARM: Car repair manuals for everyone.
Manuals through 2025 now available!

Our trusted friends have launched a new website named LEMON, which has newer manuals. It also contains all the CHARM manuals.

LEMON is the spiritual successor to CHARM, I recommend you try it!

Link: lemon-manuals.la or lemon-manuals.org.ua

(Some people have issue connecting. LEMON is investigating. For now, use Firefox or change your DNS server)

Or, hide this message: temporarily or permanently

Pinpoint Test A: The Engine Does Not Crank/ The Relay Does/Does Not Click




Starting System

Pinpoint Tests

Pinpoint Test A: The Engine Does Not Crank/ The Relay Does/Does Not Click

Refer to Wiring Diagram Set 20, Starting System for schematic and connector information. Diagrams By Number

Normal Operation

Under normal operation, voltage from the Battery Junction Box (BJB) is supplied to the ignition switch through circuit SBB09 (RD). When the ignition switch is placed in the START position, voltage is supplied through circuit CDC35 (BU/WH) to Smart Junction Box (SJB) fuse 21 (5A).

For automatic transmission equipped vehicles, voltage is supplied from SJB fuse 21 (5A) to the digital Transmission Range (TR) sensor through circuit CBP21 (BU/GY) and then to the starter relay coil through circuit CET40 (GN/OG) and CBP21 (GN/OG). A ground is supplied through circuit CDC12 (YE) and the PCM.

For manual transmission equipped vehicles, voltage is supplied from SJB fuse 21 (5A) to the starter relay coil through circuit CBP21 (BU/GY) and CBP21 (GN/OG). A ground is supplied through circuit CDC12 (YE) and the PCM. The PCM will not supply ground to the starter relay coil unless the clutch is depressed, grounding the Clutch Pedal Position (CPP) bottom of travel input to the PCM on circuit CDC36 (GN/BN).

When the starter relay coil is energized, the relay contacts close. This allows power to be supplied from BJB fuse 7 (30A) through circuit SBB07 (WH/RD) to the relay contacts. Power then flows through circuit CDC25 (BN/GN) to the starter solenoid. The solenoid is grounded at the starter motor. Energizing the starter solenoid will engage the starter drive into the ring gear. It also closes the solenoid contacts allowing power directly from the battery to energize the starter motor to start the engine.

This pinpoint test is intended to diagnose the following:
- Battery
- Fuse(s):
- BJB fuse 7 (30A)
- SJB fuse 21 (5A)

- Starter motor
- Ignition switch
- Circuitry
- Starter motor relay
- Digital TR sensor (automatic transmission only)
- CPP switch (manual transmission only)

PINPOINT TEST A: THE ENGINE DOES NOT CRANK / THE RELAY DOES/DOES NOT CLICK

-------------------------------------------------
A1 CHECK THE BATTERY

- Check the battery condition and charge. Refer to Charging System Testing and Inspection.
- Is the battery OK?

Yes
GO to A2.

No
CHARGE or INSTALL a new battery as required. TEST the system for normal operation.

-------------------------------------------------
A2 CHECK THE BATTERY GROUND CABLE

- Measure the voltage between the positive battery post and the battery ground cable connection at the cylinder block (2.3L engine) or the starter motor mounting stud bolt (4.0L engine).




- Is the voltage reading greater than 10 volts?

Yes
GO to A3.

No
INSTALL a new battery ground cable. TEST the system for normal operation.

-------------------------------------------------
A3 CHECK THE STARTER MOTOR GROUND

- Measure the voltage between the battery positive post and the starter motor case.




- Is the voltage reading greater than 10 volts?

Yes
GO to A4.

No
CLEAN the starter motor mounting flange and make sure the starter motor is correctly mounted. TEST the system for normal operation.

-------------------------------------------------
A4 CHECK THE POWER SUPPLY TO THE STARTER MOTOR

- Measure the voltage at the starter motor B-terminal.




- Is the voltage reading greater than 10 volts?

Yes
GO to A5.

No
INSTALL a new positive battery cable. TEST the system for normal operation.

-------------------------------------------------
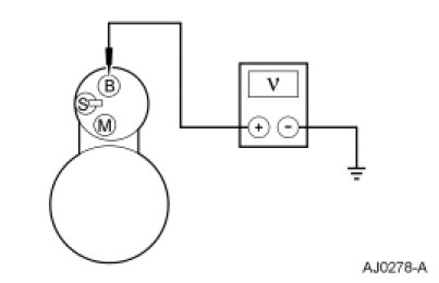
A5 CHECK THE STARTER MOTOR B-TERMINAL

- Connect one end of a fused jumper wire to the B-terminal of the starter motor and momentarily connect the other end to the starter solenoid S-terminal.




- Does the starter motor engage and the engine crank?

Yes
GO to A6.

No
INSTALL a new starter motor. TEST the system for normal operation.

-------------------------------------------------
A6 CHECK START INPUT TO THE STARTER MOTOR

- Disconnect: Starter S-Terminal.
- Key in START position.
- Measure the voltage at the starter motor solenoid S-terminal.




- Is the voltage reading greater than 10 volts?

Yes
CLEAN the starter solenoid S-terminal and connector. CHECK the wiring and the starter motor for a loose or intermittent connection. TEST the system for normal operation.

No
GO to A7.

-------------------------------------------------
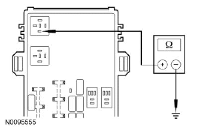
A7 CHECK CIRCUIT CDC25 (BN/GN) FOR A SHORT TO GROUND

- Disconnect: Starter Relay.
- For 2.3L engines, measure the resistance between starter relay connector pin 30, circuit CDC25 (BN/GN) and ground.




- For 4.0L engines, measure the resistance between starter relay connector pin 30, circuit CDC25 (BN/GN) and ground.




- Is the resistance reading less than 10,000 ohms?

Yes
REPAIR circuit CDC25 (BN/GN) for a short to ground. VERIFY BJB fuse 7 (30A) is OK. If not OK, REFER to the Wiring Diagrams to identify the possible causes of the circuit short. TEST the system for normal operation. Diagrams By Number

No
GO to A8.

-------------------------------------------------
A8 CHECK CIRCUIT CDC25 (BN/GN) FOR AN OPEN

- For 2.3L engines, measure the resistance of circuit CDC25 (BN/GN) between starter relay connector pin 30 and the starter solenoid S-terminal.




- For 4.0L engines, measure the resistance of circuit CDC25 (BN/GN) between starter relay connector pin 30 and the starter solenoid S-terminal.




- Is the resistance reading 5 ohms or less?

Yes
GO to A9.

No
REPAIR circuit CDC25 (BN/GN) for an open. TEST the system for normal operation.

-------------------------------------------------
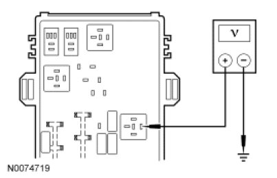
A9 CHECK THE BATTERY SUPPLY TO THE STARTER RELAY

- Ignition OFF.
- For 2.3L engines, measure the voltage at starter relay connector pin 87, circuit SBB07 (WH/RD).




- For 4.0L engines, measure the voltage at starter relay connector pin 87, circuit SBB07 (WH/RD).




- Is the voltage reading greater than 10 volts?

Yes
GO to A11.

No
VERIFY the BJB fuse 7 (30A) is OK. If OK, GO to A10. If not OK, REFER to the Wiring Diagrams to identify the possible causes of the circuit short. Diagrams By Number

-------------------------------------------------
A10 CHECK CIRCUIT SBB07 (WH/RD) FOR AN OPEN

- For 2.3L engines, measure the resistance between the output cavity of BJB fuse 7 (30A), circuit SBB07 (WH/RD) and starter relay connector pin 87, circuit SBB07 (WH/RD).




- For 4.0L engines, measure the resistance between the output cavity of BJB fuse 7 (30A), circuit SBB07 (WH/RD) and starter relay connector pin 87, circuit SBB07 (WH/RD).




- Is the resistance less than 5 ohms?

Yes
INSTALL a new positive battery cable. TEST the system for normal operation.

No
REPAIR circuit SBB07 for an open. TEST the system for normal operation.

-------------------------------------------------
A11 CHECK THE START INPUT TO THE STARTER RELAY

- Key in START position.
- For 2.3L engines, measure the voltage at the starter relay connector pin 85 circuit CBP21 (GN/OG).




- For 4.0L engines, measure the voltage at the starter relay connector pin 86 circuit CBP21 (GN/OG).




- Is the voltage reading greater than 10 volts?

Yes
GO to A12.

No
If the vehicle is equipped with a manual transmission, GO to A20. If the vehicle is equipped with an automatic transmission, GO to A17.

-------------------------------------------------
A12 CHECK THE STARTER RELAY GROUND

- If the vehicle is equipped with a manual transmission, fully depress the clutch pedal.
- Key in START position.
- For 2.3L engines, measure the resistance between starter relay connector pin 86 circuit CDC12 (YE) and ground.




- For 4.0L engines, measure the resistance between starter relay connector pin 85 circuit CDC12 (YE) and ground.




- Is the resistance reading 5 ohms or less?

Yes
INSTALL a new starter relay. TEST the system for normal operation.

No
GO to A13.

-------------------------------------------------
A13 CHECK CIRCUIT CDC12 (YE) FOR AN OPEN

- Disconnect: PCM C175B.
- For 2.3L engines, measure the resistance between starter relay connector pin 86 circuit CDC12 (YE) and PCM connector C175B-2.




- For 4.0L engines, measure the resistance between starter relay connector pin 85 circuit CDC12 (YE) and PCM connector C175B-2.




- Is the resistance reading 5 ohms or less?

Yes
If the vehicle is equipped with a manual transmission, GO to A14. If the vehicle is equipped with an automatic transmission, INSTALL a new PCM. TEST the system for normal operation.

No
REPAIR circuit CDC12 (YE) for an open. TEST the system for normal operation.

-------------------------------------------------
A14 CHECK CIRCUIT GD174 (BK/WH) FOR AN OPEN

- Disconnect: CPP Switch C257.
- Ignition OFF.
- Measure the resistance between CPP switch C257-5, circuit GD174 (BK/WH) and ground.




- Is the resistance less than 5 ohms?

Yes
GO to A15.

No
REPAIR circuit GD174 (BK/WH) for an open. TEST the system for normal operation.

-------------------------------------------------
A15 CHECK THE CPP SWITCH BOTTOM OF TRAVEL INPUT

- Connect: PCM C175B.
- Key in START position.
- Measure the voltage at CPP switch C257-6, circuit CDC36 (GN/BN).




- Is the voltage greater than 10 volts?

Yes
INSTALL a new CPP switch. TEST the system for normal operation.

No
GO to A16.

-------------------------------------------------
A16 CHECK CIRCUIT CDC36 (GN/BN) FOR AN OPEN

- Disconnect: PCM Connector C175B.
- Measure the resistance between PCM connector C175B-33, circuit CDC36 (GN/BN) and CPP connector C257-6, circuit CDC36 (GN/BN).




- Is the resistance less than 5 ohms?

Yes
INSTALL a new PCM. TEST the system for normal operation.

No
REPAIR circuit CDC36 for an open. TEST the system for normal operation.

-------------------------------------------------
A17 CHECK CIRCUIT CBP21 (BU/GY) FOR A SHORT TO GROUND

- Disconnect: Digital TR Sensor Connector C167.
- For 2.3L engines, measure the resistance between starter relay connector pin 85 circuit CBP21 (GN/OG) and ground.




- For 4.0L engines, measure the resistance between starter relay connector pin 86 circuit CBP21 (GN/OG) and ground.




- Is the resistance greater than 10,000 ohms?

Yes
GO to A18.

No
REPAIR circuit CBP21 (GN/OG) for a short to ground. TEST the system for normal operation.

-------------------------------------------------
A18 CHECK THE TR SENSOR INPUT

- Key in START position.
- Measure the voltage at TR sensor connector C167-12, circuit CBP21 (BU/GY).




- Is the voltage greater than 10 volts?

Yes
GO to A19.

No
VERIFY the SJB fuse 21 (5A) is OK. If OK, GO to A20. If not OK, REFER to the Wiring Diagrams to identify the possible causes of the circuit short. Diagrams By Number

-------------------------------------------------
A19 CHECK THE TR SENSOR ADJUSTMENT

- Ignition OFF.
- Check the TR sensor adjustment.
- Is the TR sensor correctly adjusted?

Yes
INSTALL a new TR sensor. CHECK the system for normal operation.

No
ADJUST the TR sensor. TEST the system for normal operation.

-------------------------------------------------
A20 CHECK THE SUPPLY TO THE IGNITION SWITCH

- Disconnect: Ignition Switch C213.
- Measure the voltage at ignition switch connector pin 250-7, circuit SBB09 (RD).




- Is the voltage reading greater than 10 volts?

Yes
GO to A21.

No
REPAIR circuit SBB09 (RD) for an open. TEST the system for normal operation.

-------------------------------------------------
A21 CHECK CIRCUIT CDC35 (BU/WH) FOR AN OPEN

- Measure the resistance of circuit CDC35 (BU/WH) between ignition switch connector pin C250-5 and input cavity of SJB fuse 21 (5A).




- Is the resistance reading 5 ohms or less?

Yes
INSTALL a new ignition switch. REFER to Steering Column Switches Ignition Switch. TEST the system for normal operation.

No
REPAIR circuit CDC35 (BU/WH) for an open. TEST the system for normal operation.

-------------------------------------------------