Operation CHARM: Car repair manuals for everyone.
Manuals through 2025 now available!

Our trusted friends have launched a new website named LEMON, which has newer manuals. It also contains all the CHARM manuals.

LEMON is the spiritual successor to CHARM, I recommend you try it!

Link: lemon-manuals.la or lemon-manuals.org.ua

(Some people have issue connecting. LEMON is investigating. For now, use Firefox or change your DNS server)

Or, hide this message: temporarily or permanently

Pinpoint Test C: A Single Power Window is Inoperative - Passenger Power Window




Glass, Frames and Mechanisms

Pinpoint Tests

Pinpoint Test C: A Single Power Window is Inoperative - Passenger Power Window

Refer to Wiring Diagram Set 100, Power Windows for schematic and connector information. Diagrams By Number

Normal Operation

Under normal operation, when the driver window control switch is commanding the passenger window up, voltage is sent from the driver window control switch to the passenger window control switch through circuit CPW13 (BN/YE) and ground through circuit CPW12 (GN/OG). When down is commanded, voltage and ground from the driver window control switch are reversed.

The passenger window control switch receives power through circuit CPW14 (VT/WH). Ground is provided by the driver window control switch (at rest) through circuits CPW13 (BN/YE) and CPW12 (GN/OG). When the passenger window control switch commands the passenger window up, voltage is sent to the passenger window control motor through circuit CPW20 (WH/OG) and ground through circuit CPW19 (VT). When down is commanded, voltage and ground from the passenger window control switch is reversed.

This pinpoint test is intended to diagnose the following:
- Wiring, terminals or connectors
- Driver window control switch
- Passenger window control switch
- Passenger window motor
- Smart Junction Box (SJB)

PINPOINT TEST C: A SINGLE POWER WINDOW IS INOPERATIVE - PASSENGER POWER WINDOW

NOTICE: Use the correct probe adapter(s) from the Flex Probe Kit when making measurements. Failure to use the correct probe adapter(s) may damage the connector.

-------------------------------------------------
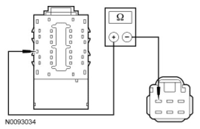
C1 CHECK THE POWER SUPPLY TO THE PASSENGER WINDOW CONTROL SWITCH

- Ignition OFF.
- Disconnect: Passenger Window Control Switch C604.
- Ignition ON.
- Measure the voltage between passenger window control switch C604-3, circuit CPW14 (VT/WH) harness side and ground.




- Is the voltage greater than 10 volts?

Yes
GO to C4.

No
GO to C2.

-------------------------------------------------
C2 CHECK CIRCUIT CPW14 (VT/WH) FOR AN OPEN

- Ignition OFF.
- Disconnect: SJB C2280C.
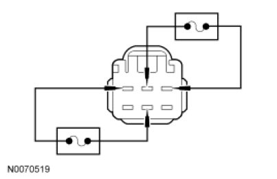
- Measure the resistance between passenger window control switch C604-3, circuit CPW14 (VT/WH) harness side and SJB C2280C-13, circuit CPW14 (VT/WH) harness side.




- Is the resistance less than 5 ohms?

Yes
GO to C3.

No
REPAIR circuit CPW14 (VT/WH) for an open. TEST the system for normal operation.

-------------------------------------------------
C3 CHECK FOR CORRECT SJB OPERATION

- Disconnect all SJB electrical connectors.
- Check for:
- corrosion.
- pushed-out pins.

- Connect all SJB connectors and make sure they seat correctly.
- Operate the system and verify the concern is still present.
- Is the concern still present?

Yes
INSTALL a new SJB. TEST the system for normal operation.

No
The system is operating correctly at this time. Concern may have been caused by a loose or corroded connector.

-------------------------------------------------
C4 CHECK CIRCUITS CPW13 (BN/YE) AND CPW12 (GN/OG) FOR GROUND

- Ignition OFF.
- Measure the resistance between passenger window control switch C604-6, circuit CPW13 (BN/YE) harness side and ground; and between passenger window control switch C604-1, circuit CPW12 (GN/OG) harness side and ground.




- Is the resistance less than 5 ohms?

Yes
GO to C6.

No
GO to C5.

-------------------------------------------------
C5 CHECK CIRCUITS CPW12 (GN/OG) AND CPW13 (BN/YE) FOR AN OPEN

- Disconnect: Driver Window Control Switch C504.
- Measure the resistance between driver window control switch C504-3, circuit CPW12 (GN/OG) harness side and passenger window control switch C604-1, circuit CPW12 (GN/OG) harness side; and between driver window control switch C504-8, circuit CPW13 (BN/YE) harness side and passenger window control switch C604-6, circuit CPW13 (BN/YE) harness side.




- Is the resistance less than 5 ohms?

Yes
INSTALL a new driver window control switch. REFER to Window Control Switch Service and Repair, TEST the system for normal operation.

No
REPAIR the circuit. TEST the system for normal operation.

-------------------------------------------------
C6 CHECK THE PASSENGER WINDOW CONTROL SWITCH

- Ignition ON.
- Connect a fused jumper wire between passenger window control switch C604-3, circuit CPW14 (VT/WH) harness side and passenger window control switch C604-5, circuit CPW20 (WH/OG) harness side; and between passenger window control switch C604-1, circuit CPW12 (GN/OG) harness side and passenger window control switch C604-2, circuit CPW19 (VT) harness side. The window should operate in the upward direction.




- Connect a fused jumper wire between passenger window control switch C604-3, circuit CPW14 (VT/WH) harness side and passenger window control switch C604-2, circuit CPW19 (VT) harness side; and between passenger window control switch C604-6, circuit CPW13 (BN/YE) harness side and passenger window control switch C604-5, circuit CPW20 (WH/OG) harness side. The window should operate in the downward direction.




- Does the window operate correctly?

Yes
INSTALL a new passenger window control switch. TEST the system for normal operation.

No
GO to C7.

-------------------------------------------------
C7 CHECK CIRCUITS CPW19 (VT) AND CPW20 (WH/OG) FOR AN OPEN

- Disconnect: Passenger Window Control Motor C608.
- Measure the resistance between passenger window control switch C604-2, circuit CPW19 (VT) harness side and passenger window motor C608-2, circuit CPW19 (VT) harness side; and between passenger window control switch C604-5, circuit CPW20 (WH/OG) harness side and passenger window motor C608-1, circuit CPW20 (WH/OG) harness side.




- Is the resistance less than 5 ohms?

Yes
INSTALL a new passenger window motor. REFER to Window Regulator and Motor - Front Door Window Regulator and Motor - Front Door. TEST the system for normal operation.

No
REPAIR circuit CPW19 (VT) or CPW20 (WH/OG) for an open. TEST the system for normal operation.

-------------------------------------------------