Operation CHARM: Car repair manuals for everyone.
Manuals through 2025 now available!

Our trusted friends have launched a new website named LEMON, which has newer manuals. It also contains all the CHARM manuals.

LEMON is the spiritual successor to CHARM, I recommend you try it!

Link: lemon-manuals.la or lemon-manuals.org.ua

(Some people have issue connecting. LEMON is investigating. For now, use Firefox or change your DNS server)

Or, hide this message: temporarily or permanently

Pinpoint Test AW: DTC B1318 (Front Display Interface Module (FDIM))




Information and Entertainment System

Pinpoint Tests

Pinpoint Test AW: DTC B1318 (Front Display Interface Module (FDIM))

Refer to Wiring Diagram Set 130, Audio System/Navigation for schematic and connector information. Diagrams By Number

Normal Operation
- DTC B1318 (Battery Voltage Low) - set by the Front Display Interface Module (FDIM) when the supply voltage falls below 10 volts for greater than 10 seconds during normal operation or during the self-test.

This pinpoint test is intended to diagnose the following:

- Wiring, terminals or connectors
- High circuit resistance
- FDIM

PINPOINT TEST AW: DTC B1318 (FDIM)

NOTICE: Use the correct probe adapter(s) when making measurements. Failure to use the correct probe adapter(s) may damage the connector.

NOTE: Failure to disconnect the battery when instructed will result in false resistance readings. Refer to Battery, Mounting and Cables Battery Disconnect.

-------------------------------------------------
AW1 RECHECK THE FDIM DTCs

- Clear the FDIM DTCs.
- Ignition OFF.
- Ignition ON.
- Wait at least 15 seconds.
- Repeat the FDIM self-test.
- Is DTC B1318 still present?

Yes
GO to AW2.

No
The system is operating correctly at this time. The DTC may have set due to a previous low battery voltage condition.

-------------------------------------------------
AW2 CHECK FOR CHARGING SYSTEM DTCs IN THE PCM

- Retrieve the continuous memory DTCs from all modules.
- Is DTC P0620, P0622, P0625, or P065B set in the PCM?

Yes
REFER to Charging System Testing and Inspection.

No
GO to AW3.

-------------------------------------------------
AW3 CHECK THE BATTERY CONDITION AND STATE OF CHARGE

- Check the battery condition and verify that the battery is fully charged. Refer to Battery, Mounting and Cables Testing and Inspection.
- Is the battery OK and fully charged?

Yes
GO to AW4.

No
REFER to Battery, Mounting and Cables Testing and Inspection.

-------------------------------------------------
AW4 CHECK THE FDIM VOLTAGE SUPPLY

- Ignition OFF.
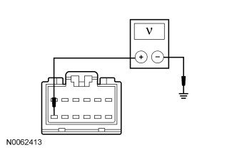
- Measure and record the voltage at the battery.
- Disconnect: FDIM C2123.
- Ignition ON.
- Measure the voltage between the FDIM C2123-12, circuit SBP14 (BN/RD), harness side and ground.




- Is the voltage within 0.2 volt of the recorded battery voltage?

Yes
GO to AW5.

No
REPAIR the circuit for high resistance. CLEAR the DTC. REPEAT the self-test.

-------------------------------------------------
AW5 CHECK THE FDIM GROUND CIRCUIT FOR CONTINUITY

- Ignition OFF.
- Disconnect: Negative Battery Cable.
- Measure the resistance between the FDIM C2123-8, circuit GD114 (BK/BU), harness side and ground.




- Is the resistance less than 5 ohms?

Yes
GO to AW6.

No
REPAIR the circuit for high resistance. TEST the system for normal operation.

-------------------------------------------------
AW6 CHECK FOR CORRECT FDIM OPERATION

- Disconnect the FDIM connector.
- Check for:
- corrosion
- damaged pins
- pushed-out pins
- Connect the FDIM connector and make sure it seats correctly.
- Is the concern still present?

Yes
INSTALL a new FDIM. REFER to Front Display Interface Module (FDIM) Front Display Interface Module (FDIM). TEST the system for normal operation.

No
The system is operating correctly at this time. The concern may have been caused by a loose or corroded connector.

-------------------------------------------------