Operation CHARM: Car repair manuals for everyone.
Manuals through 2025 now available!

Our trusted friends have launched a new website named LEMON, which has newer manuals. It also contains all the CHARM manuals.

LEMON is the spiritual successor to CHARM, I recommend you try it!

Link: lemon-manuals.la or lemon-manuals.org.ua

(Some people have issue connecting. LEMON is investigating. For now, use Firefox or change your DNS server)

Or, hide this message: temporarily or permanently

Pinpoint Test O: The Front Display Interface Module (FDIM) Is Completely Inoperative - Vehicles With Navigation




Information and Entertainment System

Pinpoint Tests

Pinpoint Test O: The Front Display Interface Module (FDIM) Is Completely Inoperative - Vehicles With Navigation

Refer to Wiring Diagram Set 130, Audio System/Navigation for schematic and connector information. Diagrams By Number

Normal Operation

The Audio Control Module (ACM) enables the Front Display Interface Module (FDIM) by sending voltage through the enable circuit.

Video display information is sent to the FDIM from the ACM through a dedicated video cable. The video cable is only serviced by overlaying a new component.

If there is a fault in the video cable, the FDIM may illuminate very dimly and have a greyish appearance. This is because the enable circuit is still active and enables the illumination, but no video signal reaches the FDIM.

If the vehicle is equipped with a rear view camera, the video feed from the camera is hardwired to the FDIM.

For all other display information, including the climate control and SYNC system displays, messages are sent to the ACM via the Medium Speed Controller Area Network (MS-CAN). The ACM then alters the video feed to the FDIM based on the messages it receives.

This pinpoint test is intended to diagnose the following:

- Fuse
- Wiring, terminals or connectors
- FDIM
- ACM

PINPOINT TEST O: THE FDIM IS COMPLETELY INOPERATIVE - VEHICLES WITH NAVIGATION

NOTICE: Use the correct probe adapter(s) when making measurements. Failure to use the correct probe adapter(s) may damage the connector.

NOTE: Failure to disconnect the battery when instructed will result in false resistance readings. Refer to Battery, Mounting and Cables Battery Disconnect.

-------------------------------------------------
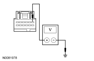
O1 CHECK THE FDIM VOLTAGE SUPPLY

- Ignition OFF.
- Disconnect: FDIM C2123.
- Measure the voltage between the FDIM C2123-1, circuit SBP14 (BN/RD), harness side and ground.




- Is the voltage greater than 10 volts?

Yes
GO to O2.

No
VERIFY the Smart Junction Box (SJB) fuse 14 (10A) is OK. If OK, REPAIR the circuit. TEST the system for normal operation. If not OK, REFER to the Wiring Diagrams to identify the possible causes of the circuit short. Diagrams By Number

-------------------------------------------------
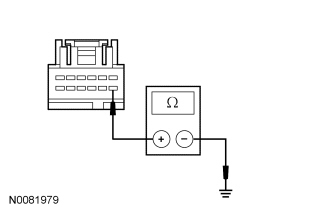
O2 CHECK THE FDIM GROUND CIRCUIT FOR CONTINUITY

- Disconnect: Negative Battery Cable.
- Measure the resistance between the FDIM C2123-7, circuit GD114 (BK/BU), harness side and ground.




- Is the resistance less than 5 ohms?

Yes
GO to O3.

No
REPAIR the circuit. TEST the system for normal operation.

-------------------------------------------------
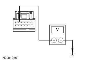
O3 CHECK THE FDIM ENABLE CIRCUIT FOR CORRECT VOLTAGE

- Connect: Negative Battery Cable.
- Ignition ON.
- Turn the audio system on using the power button on the Front Controls Interface Module (FCIM).
- Measure the voltage between the FDIM C2123-5, circuit CMN23 (WH/BU), harness side and ground.




- Is the voltage between 4.5 and 9.5 volts?

Yes
GO to O6.

No
GO to O4.

-------------------------------------------------
O4 CHECK THE FDIM ENABLE CIRCUIT FOR A SHORT TO VOLTAGE

- Ignition OFF.
- Disconnect: ACM C240b.
- Ignition ON.
- Measure the voltage between the FDIM C2123-5, circuit CMN23 (WH/BU), harness side and ground.




- Is any voltage present?

Yes
REPAIR the circuit. TEST the system for normal operation.

No
GO to O5.

-------------------------------------------------
O5 CHECK THE FDIM ENABLE CIRCUIT FOR AN OPEN OR SHORT TO GROUND

- Ignition OFF.
- Measure the resistance between the FDIM C2123-5, circuit CMN23 (WH/BU), harness side and the ACM C240b-4, circuit CMN23 (WH/BU), harness side; and between the FDIM C2123-5, circuit CMN23 (WH/BU), harness side and ground.




- Is the resistance less than 5 ohms between the FDIM and the ACM, and greater than 10,000 ohms between the FDIM and ground?

Yes
GO to O6.

No
REPAIR the circuit. TEST the system for normal operation.

-------------------------------------------------
O6 ISOLATE THE VIDEO CABLE

- Install a new video cable. Refer to Video Cable Video Cable.
- Connect: ACM C240b.
- Connect: FDIM C2123.
- Ignition ON.
- Operate the audio system and observe the FDIM screen.
- Does the system operate correctly?

Yes
The cause of the concern was an inoperative video cable. The system is now operating correctly.

No
GO to O7.

-------------------------------------------------
O7 ISOLATE THE FDIM

- Install a new FDIM. Refer to Front Display Interface Module (FDIM) Front Display Interface Module (FDIM).
- Ignition ON.
- Operate the audio system and observe the FDIM screen.
- Does the system operate correctly?

Yes
The cause of the concern was an inoperative FDIM. The system is now operating correctly.

No
GO to O8.

-------------------------------------------------
O8 CHECK FOR CORRECT ACM OPERATION

- Ignition OFF.
- Disconnect all the ACM connectors.
- Check for:
- corrosion
- damaged pins
- pushed-out pins
- Connect all the ACM connectors and make sure they seat correctly.
- Operate the system and determine if the concern is still present.
- Is the concern still present?

Yes
INSTALL a new ACM. REFER to Audio Control Module (ACM) Audio Control Module (ACM). TEST the system for normal operation.

No
The system is operating correctly at this time. The concern may have been caused by a loose or corroded connector.

-------------------------------------------------