Operation CHARM: Car repair manuals for everyone.
Manuals through 2025 now available!

Our trusted friends have launched a new website named LEMON, which has newer manuals. It also contains all the CHARM manuals.

LEMON is the spiritual successor to CHARM, I recommend you try it!

Link: lemon-manuals.la or lemon-manuals.org.ua

(Some people have issue connecting. LEMON is investigating. For now, use Firefox or change your DNS server)

Or, hide this message: temporarily or permanently

Pinpoint Test AX: DTC B272A




Seats

Pinpoint Tests

Pinpoint Test AX: DTC B272A

Refer to Wiring Diagram Set 119, Climate Controlled Seats for schematic and connector information. Diagrams By Number

Normal Operation

The Dual Climate Controlled Seat Module (DCSM) monitors the temperature sensor. If the temperature exceeds the specified limits, the DTC will be set.

- DTC B272A (Passenger Cushion Over-Temp Detected) - In the cooling mode, if the passenger seat cushion Thermo-Electric Device (TED) temperature exceeds 70°C (158°F) for more than 34 seconds, the TED is disconnected or the duct is blocked, the DCSM will shut down the passenger seat system and set this DTC.
- DTC B272A (Passenger Cushion Over-Temp Detected) - In the heating mode, if the passenger seat cushion TED temperature exceeds 85°C (185°F) for more than 34 seconds, the TED is disconnected or the duct is blocked, the DCSM will shut down the passenger seat system and set this DTC.

This pinpoint test is intended to diagnose the following:
- Wiring, terminals or connectors
- Restricted cushion TED filter
- Crushed or restricted climate controlled seat manifold
- Cushion TED assembly

PINPOINT TEST AX: DTC B272A

NOTE: The air bag warning indicator illuminates when the correct Restraints Control Module (RCM) fuse is removed and the ignition is ON.

NOTE: The Supplemental Restraint System (SRS) must be fully operational and free of faults before releasing the vehicle to the customer.

-------------------------------------------------
AX1 CHECK THE CUSHION BLOWER FOR AN OBSTRUCTION OR RESTRICTED FILTER

- Check the seat for any obstruction at the TED assembly and for a restricted filter.
- Is the filter clean and blower clear of any obstruction?

Yes
GO to AX2.

No
REMOVE the obstruction or INSTALL a new filter. CLEAR the DTCs. REPEAT the self-test. TEST the system for normal operation.

-------------------------------------------------
AX2 CHECK THE OPERATION OF THE SEAT AND MONITOR SEAT TEMPERATURE USING THE SCAN TOOL

- Enter the following diagnostic mode on the scan tool: DataLogger - DCSM - PIDs.

- Passenger Cushion Thermal Electric Device (TED) Temperature (PCSHTMP)
- Passenger Back (TED) Temperature (PBKTMP)
- Start the engine.
- Operate the seat in high heat or high cool and monitor the seat operation. If a circuit fault is present, the DCSM will disable the seat.
- Monitor the cushion and backrest temperature PIDs while the seat is operating. The temperatures should be similar during operation.
- Does the seat operate and temperature PIDs indicate correct operation?

Yes
The system is operating correctly at this time. The fault may have occurred from incorrectly switching between heat and cool modes. CLEAR the DTCs. REPEAT the self-test.

No
If the seat is operational, but the cushion temperature increases greater than the backrest, GO to AX3.

If the seat does not operate, GO to AX4.

-------------------------------------------------
AX3 CHECK THE TED FOR CORRECT INSTALLATION AND FOR A CRUSHED CLIMATE CONTROLLED SEAT MANIFOLD

- Remove the seat cushion trim cover. Refer to Seat Cushion Cover - Front Seat Cushion Cover - Front.
- Check the TED and climate controlled seat manifold for damage, restriction and correct installation.
- Is the TED correctly installed and the climate controlled seat manifold OK?

Yes
INSTALL a new cushion TED. REFER to Seat Cushion Thermo-Electric Device Seat Cushion Thermo-Electric Device. CLEAR the DTCs. REPEAT the self-test. TEST the system for normal operation.

No
CORRECTLY install the cushion TED or INSTALL a new climate controlled seat manifold. CLEAR the DTCs. REPEAT the self-test. TEST the system for normal operation.

-------------------------------------------------
AX4 CHECK THE TED THERMISTOR CIRCUIT FOR A SHORT TO GROUND

- Ignition OFF.
- Depower the SRS. Refer to Supplemental Restraint System (SRS) Depowering and Repowering in the General Procedures portion of Supplemental Restraint System Supplemental Restraint System (SRS) Depowering and Repowering.
- Disconnect: Passenger Seat Side Air Bag C339.
- Disconnect: Passenger Seat Safety Belt Buckle Pretensioner C3066.
- Disconnect: DCSM C3265B.
- Disconnect: Cushion TED C3040.
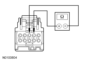
- Measure the resistance between DCSM C3265B-2, circuit VHS27 (WH/OG), harness side and ground.




- Is the resistance greater than 10,000 ohms?

Yes
GO to AX5.

No
REPAIR the circuit. CLEAR the DTCs. REPEAT the self-test.

DISCONNECT the battery ground cable.

CONNECT passenger seat safety belt buckle pretensioner C3066.

CONNECT passenger seat side air bag module C339.

REPOWER the SRS. REFER to Supplemental Restraint System Supplemental Restraint System (SRS) Depowering and Repowering.

-------------------------------------------------
AX5 CHECK THE CUSHION TED THERMISTOR CIRCUITS FOR A SHORT TOGETHER

- Measure the resistance between DCSM C3265B-2, circuit VHS27 (WH/OG), harness side and DCSM C3265B-3, circuit RHS10 (BU/OG), harness side.




- Is the resistance greater than 10,000 ohms?

Yes
GO to AX6.

No
REPAIR the circuit(s). CLEAR the DTCs. REPEAT the self-test.

DISCONNECT the battery ground cable.

CONNECT passenger seat safety belt buckle pretensioner C3066.

CONNECT passenger seat side air bag module C339.

REPOWER the SRS. REFER to Supplemental Restraint System Supplemental Restraint System (SRS) Depowering and Repowering.

-------------------------------------------------
AX6 CHECK THE BLOWER CIRCUITS FOR AN OPEN

- Measure the resistance between:
- DCSM C3265C-8, circuit CHS08 (BN/YE), harness side and cushion TED C3040-2, circuit CHS08 (BN/YE), harness side.
- DCSM C3265C-7, circuit RHS08 (VT/WH), harness side and cushion TED C3040-4, circuit RHS08 (VT/WT), harness side.
- DCSM C3265C-3, circuit VHS23 (BN/BU), harness side and cushion TED C3040-7, circuit VHS23 (BN/BU), harness side.




- Are the resistances less than 5 ohms?

Yes
INSTALL a new cushion TED. REFER to Seat Cushion Thermo-Electric Device Seat Cushion Thermo-Electric Device. CLEAR the DTCs. REPEAT the self-test.

DISCONNECT the battery ground cable.

CONNECT passenger seat safety belt buckle pretensioner C3066.

CONNECT passenger seat side air bag module C339.

REPOWER the SRS. REFER to Supplemental Restraint System Supplemental Restraint System (SRS) Depowering and Repowering.

No
REPAIR the circuit(s). CLEAR the DTCs. REPEAT the self-test.

DISCONNECT the battery ground cable.

CONNECT passenger seat safety belt buckle pretensioner C3066.

CONNECT passenger seat side air bag module C339.

REPOWER the SRS. REFER to Supplemental Restraint System Supplemental Restraint System (SRS) Depowering and Repowering.

-------------------------------------------------