Operation CHARM: Car repair manuals for everyone.
Manuals through 2025 now available!

Our trusted friends have launched a new website named LEMON, which has newer manuals. It also contains all the CHARM manuals.

LEMON is the spiritual successor to CHARM, I recommend you try it!

Link: lemon-manuals.la or lemon-manuals.org.ua

(Some people have issue connecting. LEMON is investigating. For now, use Firefox or change your DNS server)

Or, hide this message: temporarily or permanently

BA1-BA17




Seats

Pinpoint Tests

Pinpoint Test BA: DTC B272D

Refer to Wiring Diagram Set 119, Climate Controlled Seats for schematic and connector information. Diagrams By Number

Normal Operation

The Dual Climate Controlled Seat Module (DCSM) monitors the temperature sensor. If the temperature exceeds the specified limits, the DTC will be set.

A differential fault occurs when the cushion and backrest Thermo-Electric Devices (TEDs) on an affected seat are reporting very different temperatures to the DCSM. This may result from an airflow restriction or a circuit fault of either TED area. If a TED and manifold is clear of obstruction and is operational, the other TED and circuitry on the seat should be checked. It is important to note that a TED with a higher temperature may be operating correctly and not the area of concern. The other TED may be indicating a much lower temperature, causing the DTC to set.

- DTC B272D (Passenger Differential Temperature Fault) - If there is a temperature differential between the passenger backrest and cushion TED of 60°C (108°F) or more for longer than 4 seconds, the TED is disconnected or the duct is blocked, this DTC will set. When this happens the first time in a key cycle, the DCSM puts the passenger seat system into recovery mode (see Principles of Operation) Principles of Operation. If the system is able to recover, it will function normally. If the system is able to recover and it occurs a second time in the same key cycle, the DCSM will shut down the passenger seat system.

This pinpoint test is intended to diagnose the following:
- Wiring, terminals or connectors
- Restricted cushion or backrest TED filter
- Crushed or restricted cushion or backrest foam pad
- Crushed or restricted cushion or backrest climate controlled seat manifold
- Cushion or backrest TED assembly
- DCSM

PINPOINT TEST BA: DTC B272D

NOTICE: When taking measurements at Dual Climate Controlled Seat Module (DCSM) harness connectors, do not insert the electrical probes into the female connector pins. Inserting the probes into connector pins can cause intermittent or open electrical connections after reassembly resulting in Diagnostic Trouble Codes (DTCs) and system failure. Touching the tip of these connector pins is recommended instead.

NOTE: The air bag warning indicator illuminates when the correct Restraints Control Module (RCM) fuse is removed and the ignition switch is ON.

NOTE: The Supplemental Restraint System (SRS) must be fully operational and free of faults before releasing the vehicle to the customer.

-------------------------------------------------
BA1 CHECK THE DCSM FOR DTCs

- Enter the following diagnostic mode on the scan tool: Self Test - DCSM.
- Was DTC B272A or B272B retrieved?

Yes
For DTC B272A, GO to Pinpoint Test AX Pinpoint Test AX: DTC B272A. For DTC B272B, GO to Pinpoint Test AY Pinpoint Test AY: DTC B272B.

No
GO to BA2.

-------------------------------------------------
BA2 MONITOR THE TED TEMPERATURE PIDs

- Enter the following diagnostic mode on the scan tool: DataLogger - DCSM - PIDs.

- Passenger cushion thermal electric device (TED) temperature (PCSHTMP)
- Passenger back TED temperature (PBKTMP)
- Seat cushion thermal electric device temperature (CSHTEMP)
- Seat back thermal electric device temperature (BK_TEMP)

- NOTE: Make sure the temperature of the climate controlled seats has stabilized before monitoring the PIDs. Not allowing stabilization can cause incorrect readings and lead to incorrect identification of components that are not faulty.

- Monitor the TED temperature PIDs with the climate controlled seats OFF. Compare the PIDs of the front passenger seat to those of the driver seat. This can help identify if there is a concern with the front passenger seat cushion or backrest PID readings.
- Are both front passenger seat TED temperature PIDs within 10°C (18°F) of the ambient temperature?

Yes
GO to BA3.

No
If the front passenger seat cushion PID varies 10°C (18°F) or more from ambient temperature, GO to BA16.

If the front passenger seat backrest PID varies 10°C (18°F) or more from ambient temperature, GO to BA32.

-------------------------------------------------
BA3 CONFIRM THE FAULT IS IN THE SEAT CUSHION OR BACKREST TED

- Ignition OFF.
- Ignition ON.

- NOTE: A crushed seat cushion foam pad or a crushed climate controlled seat manifold may be the cause of the fault. It may be necessary to sit on the seat or place something of reasonable size and weight on the seat to recreate the fault.

- After cycling the ignition and with the engine running, set the passenger seat to high heat (3 indicators illuminated). Allow the seat to heat for at least 15 minutes while monitoring the TED temperature PIDs of the passenger seat.
- Do the passenger seat cushion TED and backrest TED PIDs vary more than 60°C (108°F) from each other?

Yes
If the front passenger seat cushion PID is 60°C (108°F) hotter than the backrest PID, GO to BA5.

If the front passenger seat backrest PID is 60°C (108°F) hotter than the cushion PID, GO to BA20.

No
GO to BA4.

-------------------------------------------------
BA4 CHECK THE TEDs COOLING PERFORMANCE

- Check TEDs cooling performance on the affected seat. Refer to Component Test - Thermo-Electric Device (TED) Cooling Performance. Component Tests and General Diagnostics
- Did the TEDs pass the component test?

Yes
The DTC may have been set by extreme cabin temperatures or excessive sunload on the seat causing the system to enter recovery mode. Occupant size and weight characteristics can also be a factor. CLEAR the DTCs. REPEAT the self-test. TEST the system for normal operation. If a concern cannot be found or duplicated, RETURN the vehicle to the customer.

No
CHECK the affected seat cushion or backrest for correct installation of the climate controlled seat components (TED, manifold, plenum, air ducts and foam pad). CHECK for airflow restrictions (TED inlets and outlets, TED-to-manifold or plenum connections, filters and ducts) and REPAIR as needed. CHECK for an intermittent wiring fault. REPAIR as needed. CLEAR the DTCs. REPEAT the self-test.

-------------------------------------------------
BA5 CHECK FOR CORRECT TED INSTALLATION AND FOR CRUSHED FOAM

- Ignition OFF.
- Remove the seat. Refer to Seat - Front Seat - Front.
- Remove the seat cushion trim cover. Refer to Seat Cushion Cover - Front Seat Cushion Cover - Front.
- Inspect the seat cushion for the following:
- Is the cushion blower obstructed?
- Is the blower filter restricted or plugged?
- Is the TED correctly installed?
- Is the seat cushion foam pad crushed or restricted?
- Is the climate controlled seat manifold crushed or restricted?
- Is the TED correctly installed and the foam pad and manifold OK?

Yes
GO to BA6.

No
Correctly INSTALL the cushion TED or INSTALL a new seat cushion foam pad and/or climate controlled seat manifold. CLEAR the DTCs. REPEAT the self-test.

DISCONNECT the battery ground cable. REPOWER the SRS. REFER to Supplemental Restraint System Supplemental Restraint System (SRS) Depowering and Repowering.

-------------------------------------------------
BA6 CHECK THE BACKREST TED GROUND CIRCUIT FOR A SHORT TO VOLTAGE

- Ignition OFF.
- Position the front passenger seat in the vehicle and connect the seat-to-floor connectors.
- Depower the SRS. Refer to Supplemental Restraint System (SRS) Depowering and Repowering in the General Procedures portion of Supplemental Restraint System Supplemental Restraint System (SRS) Depowering and Repowering.
- Disconnect: Passenger Seat Side Air Bag C339.
- Disconnect: Passenger Seat Safety Belt Buckle Pretensioner C3066.
- Disconnect: DCSM C3265A.

- WARNING: Make sure no one is in the vehicle and there is nothing blocking or placed in front of any air bag module when the battery is connected. Failure to follow these instructions may result in serious personal injury in the event of an accidental deployment.

- Connect the battery ground cable. Refer to Battery, Mounting and Cables Battery Disconnect.
- Ignition ON.
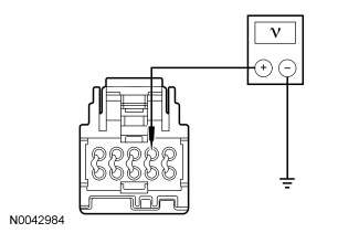
- Measure voltage between DCSM C3265A-D, circuit RHS06 (WH), harness side and ground.




- Is any voltage present?

Yes
REPAIR the circuit. CLEAR the DTCs. REPEAT the self-test.

DISCONNECT the battery ground cable.

CONNECT passenger seat safety belt buckle pretensioner C3066.

CONNECT passenger seat side air bag module C339.

REPOWER the SRS. REFER to Supplemental Restraint System Supplemental Restraint System (SRS) Depowering and Repowering.

No
GO to BA7.

-------------------------------------------------
BA7 CHECK THE BACKREST TED FEED CIRCUIT FOR A SHORT TO GROUND

- Ignition OFF.
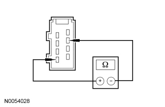
- Measure the resistance between DCSM C3265A-C, circuit CHS06 (BU/BN), harness side and ground.




- Is the resistance greater than 10,000 ohms?

Yes
GO to BA8.

No
REPAIR the circuit. CLEAR the DTCs. REPEAT the self-test.

DISCONNECT the battery ground cable.

CONNECT passenger seat safety belt buckle pretensioner C3066.

CONNECT passenger seat side air bag module C339.

REPOWER the SRS. REFER to Supplemental Restraint System Supplemental Restraint System (SRS) Depowering and Repowering.

-------------------------------------------------
BA8 CHECK THE RESISTANCE OF THE BACKREST TED AND WIRING

- Measure the resistance between DCSM C3265A-C, circuit CHS06 (BU/BN), harness side and DCSM C3265A-D, circuit RHS06 (WH), harness side.




- Is the resistance between 0.9 and 10 ohms?

Yes
GO to BA10.

No
GO to BA9.

-------------------------------------------------
BA9 CHECK THE RESISTANCE OF THE BACKREST TED

- Disconnect: Backrest TED C3039.
- Measure the resistance between backrest TED C3039 pin 1 and pin 3, component side.




- Is the resistance between 0.9 and 10 ohms?

Yes
REPAIR the circuit. CLEAR the DTCs. REPEAT the self-test.

DISCONNECT the battery ground cable.

CONNECT passenger seat safety belt buckle pretensioner C3066.

CONNECT passenger seat side air bag module C339.

REPOWER the SRS. REFER to Supplemental Restraint System Supplemental Restraint System (SRS) Depowering and Repowering.

No
INSTALL a new backrest TED. REFER to Seat Backrest Thermo-Electric Device Seat Backrest Thermo-Electric Device. CLEAR the DTCs. REPEAT the self-test.

DISCONNECT the battery ground cable.

CONNECT passenger seat safety belt buckle pretensioner C3066.

CONNECT passenger seat side air bag module C339.

REPOWER the SRS. REFER to Supplemental Restraint System Supplemental Restraint System (SRS) Depowering and Repowering.

-------------------------------------------------
BA10 CHECK THE BLOWER MOTOR FEED AND SPEED CONTROL CIRCUITS FOR A SHORT TO VOLTAGE

- Disconnect: DCSM C3265C.
- Ignition ON.
- Measure voltage between:
- DCSM C3265C-8, circuit CHS08 (BN/YE), harness side and ground.
- DCSM C3265C-3, circuit VHS23 (BN/BU), harness side and ground.




- Is voltage present on either circuit?

Yes
REPAIR the circuit(s). CLEAR the DTCs. REPEAT the self-test.

DISCONNECT the battery ground cable.

CONNECT passenger seat safety belt buckle pretensioner C3066.

CONNECT passenger seat side air bag module C339.

REPOWER the SRS. REFER to Supplemental Restraint System Supplemental Restraint System (SRS) Depowering and Repowering.

No
GO to BA11.

-------------------------------------------------
BA11 CHECK THE BLOWER MOTOR FEED AND SPEED CONTROL CIRCUITS FOR A SHORT TO GROUND

- Ignition OFF.
- Measure the resistance between:
- DCSM C3265C-8, circuit CHS08 (BN/YE), harness side and ground.
- DCSM C3265C-3, circuit VHS23 (BN/BU), harness side and ground.




- Are the resistances greater than 10,000 ohms?

Yes
GO to BA12.

No
REPAIR the circuit(s). CLEAR the DTCs. REPEAT the self-test.

DISCONNECT the battery ground cable.

CONNECT passenger seat safety belt buckle pretensioner C3066.

CONNECT passenger seat side air bag module C339.

REPOWER the SRS. REFER to Supplemental Restraint System Supplemental Restraint System (SRS) Depowering and Repowering.

-------------------------------------------------
BA12 CHECK THE BLOWER MOTOR AND WIRING RESISTANCE

- NOTE: The ohmmeter must be connected with the positive lead to DCSM C3265C-8, circuit CHS08 (BN/YE) and the negative lead to DCSM C3265C-7, circuit RHS08 (VT/WH) when measuring. Ohmmeter leads incorrectly connected will result in false readings and lead to incorrect identification of components that are not faulty.

- Measure the resistance between DCSM C3265C-8, circuit CHS08 (BN/YE), harness side and DCSM C3265C-7, circuit RHS08 (VT/WH), harness side.




- Is the resistance between 4,000 and 10,000 ohms?

Yes
GO to BA14.

No
GO to BA13.

-------------------------------------------------
BA13 CHECK THE BLOWER MOTOR RESISTANCE

- Disconnect: Cushion TED C3040.

- NOTE: The ohmmeter must be connected with the positive lead to pin 2 and the negative lead to pin 4 when measuring. Ohmmeter leads incorrectly connected will result in false readings and lead to incorrect identification of components that are not faulty.

- Measure the resistance between cushion TED C3040 pin 2 and pin 4, component side.




- Is the resistance between 4,000 and 10,000 ohms?

Yes
REPAIR the circuit(s). CLEAR the DTCs. REPEAT the self-test.

DISCONNECT the battery ground cable.

CONNECT passenger seat safety belt buckle pretensioner C3066.

CONNECT passenger seat side air bag module C339.

REPOWER the SRS. REFER to Supplemental Restraint System Supplemental Restraint System (SRS) Depowering and Repowering.

No
INSTALL a new cushion TED. REFER to Seat Cushion Thermo-Electric Device Seat Cushion Thermo-Electric Device. CLEAR the DTCs. REPEAT the self-test.

DISCONNECT the battery ground cable.

CONNECT passenger seat safety belt buckle pretensioner C3066.

CONNECT passenger seat side air bag module C339.

REPOWER the SRS. REFER to Supplemental Restraint System Supplemental Restraint System (SRS) Depowering and Repowering.

-------------------------------------------------
BA14 CHECK THE BLOWER MOTOR SPEED CONTROL AND CIRCUIT RESISTANCE

- NOTE: The ohmmeter must be connected with the positive lead to C3265C-3, circuit VHS23 (BN/BU), harness side and the negative lead to C3265C-7, circuit RHS08 (VT/WH), harness side when measuring. Ohmmeter leads incorrectly connected will result in false readings and lead to incorrect identification of components that are not faulty.

- Measure the resistance between DCSM C3265C-3, circuit VHS23 (BN/BU), harness side and DCSM C3265C-7, circuit RHS08 (VT/WH), harness side.




- Is the resistance between 240K and 4M ohms?

Yes
GO to BA16.

No
GO to BA15.

-------------------------------------------------
BA15 CHECK THE BLOWER MOTOR SPEED CONTROL RESISTANCE

- Disconnect: Cushion TED C3040.

- NOTE: The ohmmeter must be connected with the positive lead to pin 7 and the negative lead to pin 4 when measuring. Ohmmeter leads incorrectly connected will result in false readings and lead to incorrect identification of components that are not faulty.

- Measure the resistance between cushion TED C3040 pin 7 and pin 4, component side.




- Is the resistance between 240K and 4M ohms?

Yes
REPAIR the circuit(s). CLEAR the DTCs. REPEAT the self-test.

DISCONNECT the battery ground cable.

CONNECT passenger seat safety belt buckle pretensioner C3066.

CONNECT passenger seat side air bag module C339.

REPOWER the SRS. REFER to Supplemental Restraint System Supplemental Restraint System (SRS) Depowering and Repowering.

No
INSTALL a new cushion TED. REFER to Seat Cushion Thermo-Electric Device Seat Cushion Thermo-Electric Device. CLEAR the DTCs. REPEAT the self-test.

DISCONNECT the battery ground cable.

CONNECT passenger seat safety belt buckle pretensioner C3066.

CONNECT passenger seat side air bag module C339.

REPOWER the SRS. REFER to Supplemental Restraint System Supplemental Restraint System (SRS) Depowering and Repowering.

-------------------------------------------------
BA16 CHECK THE THERMISTOR FEED CIRCUIT FOR A SHORT TO VOLTAGE

- Ignition OFF.
- Depower the SRS. Refer to Supplemental Restraint System (SRS) Depowering and Repowering in the General Procedures portion of Supplemental Restraint System Supplemental Restraint System (SRS) Depowering and Repowering.
- Disconnect: Passenger Seat Side Air Bag C339.
- Disconnect: Passenger Seat Safety Belt Buckle Pretensioner C3066.
- Disconnect: DCSM C3265B.

- WARNING: Make sure no one is in the vehicle and there is nothing blocking or placed in front of any air bag module when the battery is connected. Failure to follow these instructions may result in serious personal injury in the event of an accidental deployment.

- Connect the battery ground cable. Refer to Battery, Mounting and Cables Battery Disconnect.
- Ignition ON.
- Measure voltage between DCSM C3265B-2, circuit VHS27 (WH/OG), harness side and ground.




- Is any voltage present?

Yes
REPAIR the circuit. CLEAR the DTCs. REPEAT the self-test.

DISCONNECT the battery ground cable.

CONNECT passenger seat safety belt buckle pretensioner C3066.

CONNECT passenger seat side air bag module C339.

REPOWER the SRS. REFER to Supplemental Restraint System Supplemental Restraint System (SRS) Depowering and Repowering.

No
GO to BA17.

-------------------------------------------------
BA17 CHECK THE THERMISTOR FEED CIRCUIT FOR A SHORT TO GROUND

- Ignition OFF.
- Measure the resistance between DCSM C3265B-2, circuit VHS27 (WH/OG), harness side and ground.




- Is the resistance greater than 10,000 ohms?

Yes
GO to BA18.

No
REPAIR the circuit. CLEAR the DTCs. REPEAT the self-test.

DISCONNECT the battery ground cable.

CONNECT passenger seat safety belt buckle pretensioner C3066.

CONNECT passenger seat side air bag module C339.

REPOWER the SRS. REFER to Supplemental Restraint System Supplemental Restraint System (SRS) Depowering and Repowering.

-------------------------------------------------