Operation CHARM: Car repair manuals for everyone.
Manuals through 2025 now available!

Our trusted friends have launched a new website named LEMON, which has newer manuals. It also contains all the CHARM manuals.

LEMON is the spiritual successor to CHARM, I recommend you try it!

Link: lemon-manuals.la or lemon-manuals.org.ua

(Some people have issue connecting. LEMON is investigating. For now, use Firefox or change your DNS server)

Or, hide this message: temporarily or permanently

Pinpoint Test A: DTC P0532 Or P0533




Climate Control System

Pinpoint Tests

Pinpoint Test A: DTC P0532 or P0533

Refer to Wiring Diagrams for schematic and connector information. Diagrams By Number

Normal Operation

The A/C pressure transducer receives a ground from the PCM. A 5-volt reference voltage is supplied to the A/C pressure transducer from the PCM. The A/C pressure transducer then sends a voltage to the PCM to indicate the A/C pressure.

- DTC P0532 (A/C Refrigerant Pressure Sensor A Circuit Low) - The A/C pressure transducer inputs a feedback voltage to the PCM. This DTC sets if the feedback voltage is less than 0.26 volts for at least 2 seconds and the ambient air temperature is greater than 0°C (32°F).
- DTC P0533 (A/C Refrigerant Pressure Sensor A Circuit High) - The A/C pressure transducer inputs a feedback voltage to the PCM. This DTC sets if the feedback voltage is greater than 4.95 volts for at least 2 seconds and the ambient air temperature is greater than 0°C (32°F).

This pinpoint test is intended to diagnose the following:
- Wiring, terminals or connectors
- A/C pressure transducer
- PCM


PINPOINT TEST A: DTC P0532 OR P0533

-------------------------------------------------
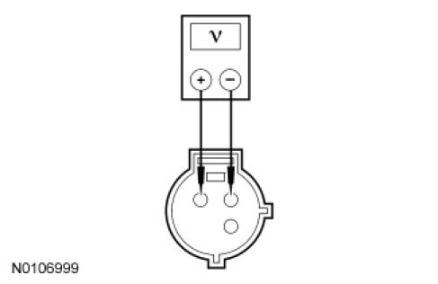
A1 CHECK THE PCM OUTPUT VOLTAGE


- Ignition OFF.
- Disconnect: A/C Pressure Transducer C1260 .
- Ignition ON.
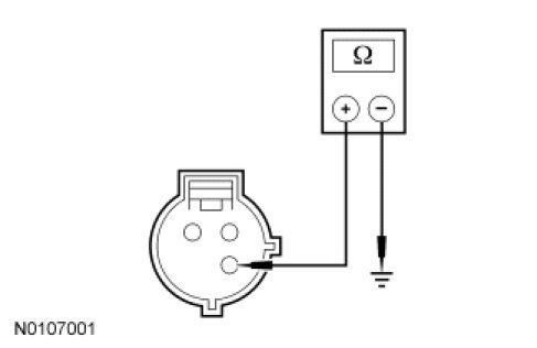
- Measure the voltage between ground and A/C pressure transducer C1260-2, circuit 7-FA88 (YE/VT), harness side.




- Is the voltage between 4.7 and 5.1 volts?

Yes
GO to A2.

No
If voltage is less than 4.7 volts, REPAIR circuit 7-FA88 (YE/VT) for an open. CLEAR the DTCs. REPEAT the self-test. TEST the system for normal operation.

If the voltage is greater than 5.1 volts, REPAIR circuit 7-FA88 (YE/VT) for short to voltage. CLEAR the DTCs. REPEAT the self-test. TEST the system for normal operation.

-------------------------------------------------
A2 CHECK THE PCM SENSOR GROUND


- Measure the voltage between A/C pressure transducer C1260-1, circuit 9-FA88 (BN/WH), harness side and A/C pressure transducer C1260-2, circuit 7-FA88 (YE/VT), harness side.




- Is the voltage between 4.7 and 5.1 volts?

Yes
If diagnosing DTC P0532, GO to A3. If diagnosing DTC P0533, GO to A6.

No
REPAIR circuit 9-FA88 (BN/WH) for an open. CLEAR the DTCs. REPEAT the self-test. TEST the system for normal operation.

-------------------------------------------------
A3 CHECK THE A/C PRESSURE TRANSDUCER HIGH


- Enter the following diagnostic mode on the scan tool: A/C Pressure (ACP_PRESS) PCM PID .
- While observing the ACP_PRESS PCM PID, connect a fused jumper between A/C pressure transducer C1260-3, circuit 8-FA88 (WH/VT), harness side and A/C pressure transducer C1260-2, circuit 7-FA88 (YE/VT), harness side.




- Does the ACP_PRESS PCM PID voltage read greater than 4 volts?

Yes
INSTALL a new A/C pressure transducer. CLEAR the DTCs. REPEAT the self-test. TEST the system for normal operation.

No
GO to A4.

-------------------------------------------------
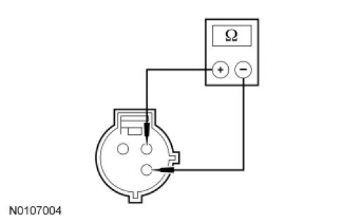
A4 CHECK THE A/C PRESSURE TRANSDUCER FEEDBACK CIRCUIT FOR A SHORT TO GROUND


- Ignition OFF.
- Disconnect: PCM C175B .
- Measure the resistance between ground and A/C pressure transducer C1260-3, circuit 8-FA88 (WH/VT), harness side.




- Is the resistance greater than 10,000 ohms?

Yes
GO to A5.

No
REPAIR circuit 8-FA88 (WH/VT) for a short to ground. CLEAR the DTCs. REPEAT the self-test. TEST the system for normal operation.

-------------------------------------------------
A5 CHECK THE A/C PRESSURE TRANSDUCER FEEDBACK CIRCUIT FOR AN OPEN


- Measure the resistance between A/C pressure transducer C1260-3, circuit 8-FA88 (WH/VT), harness side and PCM C175B-31, circuit 8-FA88 (WH/VT), harness side.




- Is the resistance less than 5 ohms?

Yes
GO to A8.

No
REPAIR circuit 8-FA88 (WH/VT) for an open. CLEAR the DTCs. REPEAT the self-test. TEST the system for normal operation.

-------------------------------------------------
A6 CHECK THE A/C PRESSURE TRANSDUCER LOW


- Enter the following diagnostic mode on the scan tool: A/C Pressure (ACP_PRESS) PCM PID .
- While observing the ACP_PRESS PCM PID, connect a fused jumper between A/C pressure transducer C1260-3, circuit 8-FA88 (WH/VT), harness side and A/C pressure transducer C1260-1, circuit 9-FA88 (BN/WH), harness side.




- Does the ACP_PRESS PCM PID voltage read less than 4.9 volts?

Yes
INSTALL a new A/C pressure transducer. CLEAR the DTCs. REPEAT the self-test. TEST the system for normal operation.

No
GO to A7.

-------------------------------------------------
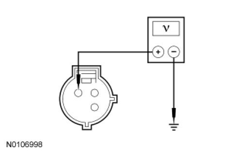
A7 CHECK THE A/C PRESSURE TRANSDUCER FEEDBACK CIRCUIT FOR A SHORT TO VOLTAGE


- Ignition OFF.
- Disconnect: PCM C175B .
- Ignition ON.
- Measure the voltage between ground and A/C pressure transducer C1260-3, circuit 8-FA88 (WH/VT), harness side.




- Is any voltage present?

Yes
REPAIR circuit 8-FA88 (WH/VT) for a short to voltage. CLEAR the DTCs. REPEAT the self-test. TEST the system for normal operation.

No
GO to A8.

-------------------------------------------------
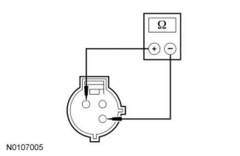
A8 CHECK THE A/C PRESSURE TRANSDUCER FEEDBACK CIRCUIT FOR A SHORT TO THE SIGNAL RETURN OR THE REFERENCE VOLTAGE CIRCUIT


- Ignition OFF.

- NOTE: For DTC P0532 only.

- Measure the resistance between A/C pressure transducer C1260-3, circuit 8-FA88 (WH/VT), harness side and A/C pressure transducer C1260-1, circuit 9-FA88 (BN/WH), harness side.





- NOTE: For DTC P0533 only.

- Measure the resistance between A/C pressure transducer C1260-3, circuit 8-FA88 (WH/VT), harness side and A/C pressure transducer C1260-2, circuit 7-FA88 (YE/VT), harness side.




- Is the resistance greater than 10,000 ohms?

Yes
GO to A9.

No
REPAIR circuit 8-FA88 (WH/VT) for a short to circuit 7-FA88 (YE/VT) or 9-FA88 (BN/WH). CLEAR the DTCs. REPEAT the self-test. TEST the system for normal operation.

-------------------------------------------------
A9 CHECK THE PCM CONNECTION


- Clear the DTCs.
- Disconnect all the PCM connectors.
- Check for:
- corrosion
- pushed-out pins
- incorrectly seated connector
- Connect and correctly seat all the PCM connectors.
- Operate the system.
- Does the concern return?

Yes
INSTALL a new PCM. TEST the system for normal operation.

No
The system is operating correctly at this time. The concern may have been caused by a loose or corroded connector.

-------------------------------------------------