Operation CHARM: Car repair manuals for everyone.
Manuals through 2025 now available!

Our trusted friends have launched a new website named LEMON, which has newer manuals. It also contains all the CHARM manuals.

LEMON is the spiritual successor to CHARM, I recommend you try it!

Link: lemon-manuals.la or lemon-manuals.org.ua

(Some people have issue connecting. LEMON is investigating. For now, use Firefox or change your DNS server)

Or, hide this message: temporarily or permanently

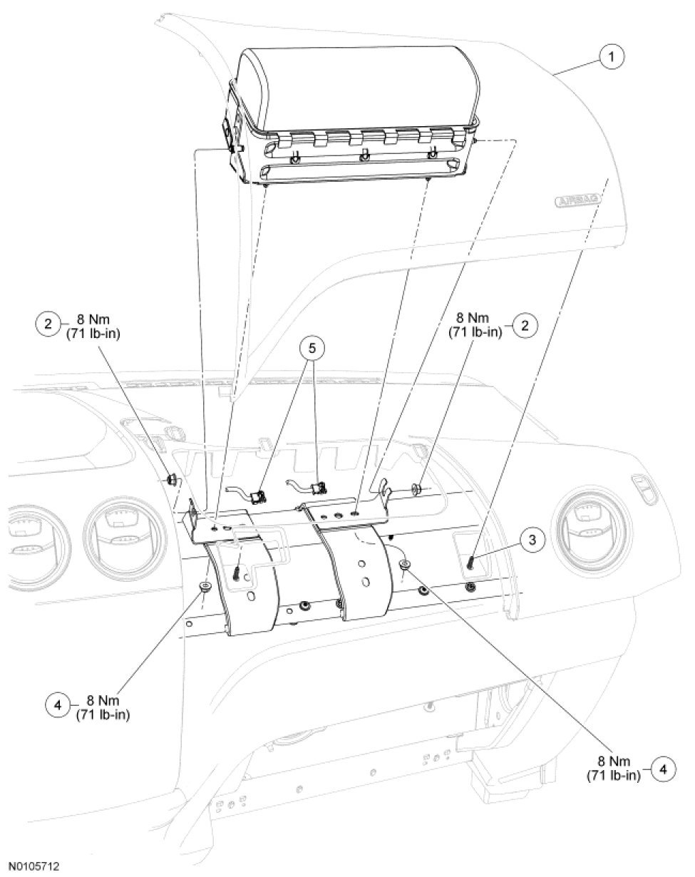
Passenger Air Bag Module




Passenger Air Bag Module









Removal and Installation

WARNING: Always carry or place a live air bag module with the air bag and deployment door/trim cover/tear seam pointed away from the body. Do not set a live air bag module down with the deployment door/trim cover/tear seam face down. Failure to follow these instructions may result in serious personal injury in the event of an accidental deployment.

WARNING: Never probe the electrical connectors on air bag, Safety Canopy(R) or side air curtain modules. Failure to follow this instruction may result in the accidental deployment of these modules, which increases the risk of serious personal injury or death.

NOTE: The air bag warning indicator illuminates when the correct Restraints Control Module (RCM) fuse is removed and the ignition is ON.

NOTE: The Supplemental Restraint System (SRS) must be fully operational and free of faults before releasing the vehicle to the customer.

1. Depower the SRS. For additional information, refer to Supplemental Restraint System (SRS) Depowering and Repowering Supplemental Restraint System (SRS) Depowering and Repowering in the General Procedures information.

2. Remove the glove compartment and center instrument panel finish panel. For additional information, refer to Instrument Panel and Console Console - Floor.

3. Through the glove compartment opening:
- Remove the 2 passenger air bag module trim cover screws.

- Remove the 4 passenger air bag module nuts.
- To install, tighten to 8 Nm (71 lb-in).

4. Partially remove the passenger air bag module.
- Pull firmly to release the 11 passenger air bag module clips from the instrument panel.

5. Disconnect the electrical connectors and remove the passenger air bag module.

6. To install, reverse the removal procedure.

7. Repower the SRS system. For additional information, refer to Supplemental Restraint System (SRS) Depowering and Repowering Supplemental Restraint System (SRS) Depowering and Repowering in the General Procedures information.