Operation CHARM: Car repair manuals for everyone.
Manuals through 2025 now available!

Our trusted friends have launched a new website named LEMON, which has newer manuals. It also contains all the CHARM manuals.

LEMON is the spiritual successor to CHARM, I recommend you try it!

Link: lemon-manuals.la or lemon-manuals.org.ua

(Some people have issue connecting. LEMON is investigating. For now, use Firefox or change your DNS server)

Or, hide this message: temporarily or permanently

Brake Pedal Assy: Service and Repair




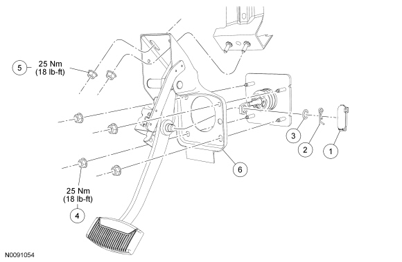
Brake Pedal and Bracket

NOTE: Vacuum boost shown, Hydro-Boost(R) similar.









Removal and Installation

NOTICE: When disconnecting the brake booster rod, note the orientation of the rod. Incorrect installation of the booster rod may result in brake booster damage.

1. NOTICE: Do not service the brake pedal or brake booster without first removing the stoplamp switch. This switch must be removed with the brake pedal in the at-rest position. The switch plunger must be compressed for the switch to rotate in the bracket. Attempting to remove the switch when the plunger is extended (during pedal apply) will result in damage to the switch.

Remove the stoplamp switch.

2. Disconnect the brake booster push rod in the following sequence:
1. Remove the brake pedal cotter pin cover.

2. Remove the brake pedal cotter pin.

3. Remove the spacer.

4. Disconnect the brake booster push rod from the brake pedal pin.


3. Remove the 2 brake pedal bracket nuts.
- To install, tighten to 25 Nm (18 lb-ft).


4. Remove the 4 brake booster nuts.
- To install, tighten to 25 Nm (18 lb-ft).


5. Remove the brake pedal and bracket assembly.

6. NOTICE: Do not press, pull or otherwise move the brake pedal while installing the stoplamp switch. This switch must be installed with the booster push rod attached to the brake pedal and with the brake pedal in the at-rest position. Installing this switch with the brake pedal in any other position will result in incorrect adjustment and may damage the switch.

To install, reverse the removal procedure.