Operation CHARM: Car repair manuals for everyone.
Manuals through 2025 now available!

Our trusted friends have launched a new website named LEMON, which has newer manuals. It also contains all the CHARM manuals.

LEMON is the spiritual successor to CHARM, I recommend you try it!

Link: lemon-manuals.la or lemon-manuals.org.ua

(Some people have issue connecting. LEMON is investigating. For now, use Firefox or change your DNS server)

Or, hide this message: temporarily or permanently

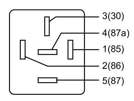
Test KF: Fan Control Relays



Fan Control Relays

















Cooling Fan Motor Connector





Harness Side







Low Fan Control (LFC) Relay Connector





Harness Side





Component Side







NOTE: The VPWR and LFC circuits may be reversed in the harness connector. Also, the LFC circuit may be wired to two separate relays. Refer to the Wiring Diagrams for additional information.

High Fan Control (HFC) Relay Connector





Harness Side





Component Side







NOTE: The VPWR and HFC circuits may be reversed in the harness connector. Also, the HFC circuit may be wired to two separate relays. Refer to the Wiring Diagrams for additional information.

Powertrain Control Module (PCM) Connector - For PCM connector views or reference values, refer to Reference Values.





Harness Side