Operation CHARM: Car repair manuals for everyone.
Manuals through 2025 now available!

Our trusted friends have launched a new website named LEMON, which has newer manuals. It also contains all the CHARM manuals.

LEMON is the spiritual successor to CHARM, I recommend you try it!

Link: lemon-manuals.la or lemon-manuals.org.ua

(Some people have issue connecting. LEMON is investigating. For now, use Firefox or change your DNS server)

Or, hide this message: temporarily or permanently

All Others



Fuel Pump Control Module - All Others
















Fuel Pump Control Module Connector





Harness Side






Fuel Pump Control Module 2 Module Connector





Harness Side






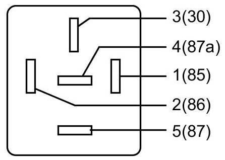
Fuel Pump Control Module Relay Connector - Refer to the Wiring Diagrams for schematic and connector information.





Harness Side






Inertia Fuel Shutoff (IFS) Switch Connector





Harness Side






Restraints Control Module (RCM) Connector





Harness Side