Operation CHARM: Car repair manuals for everyone.
Manuals through 2025 now available!

Our trusted friends have launched a new website named LEMON, which has newer manuals. It also contains all the CHARM manuals.

LEMON is the spiritual successor to CHARM, I recommend you try it!

Link: lemon-manuals.la or lemon-manuals.org.ua

(Some people have issue connecting. LEMON is investigating. For now, use Firefox or change your DNS server)

Or, hide this message: temporarily or permanently

Pinpoint Test C: A Single Mirror Does Not Function With Switch Logic




Rear View Mirrors - Exterior

Pinpoint Test C: A Single Mirror Does Not Function With Switch Logic

Refer to Wiring Diagram Set 124, Power Mirrors for schematic and connector information Electrical Diagrams.

Normal Operation

The exterior mirror control switch uses circuits CPM14 (GY/BN), CPM15 (VT/OG), CPM18 (GN/BN), CPM19 (GY/OG) and CPM23 (GY) to control the exterior mirror movement.

- When the LH/RH exterior mirror motor receives voltage through circuit CPM15 (VT/OG)/CPM19 (GY/OG) and ground through circuit CPM23 (GY), the LH/RH exterior mirror motor will operate leftward.

- When the LH/RH exterior mirror motor receives ground through circuit CPM15 (VT/OG)/CPM19 (GY/OG) and voltage through circuit CPM23 (GY), the LH/RH exterior mirror motor will operate rightward.

- When the LH/RH exterior mirror motor receives voltage through circuit CPM14 (GY/BN)/CPM18 (GN/BN) and ground through circuit CPM23 (GY), the LH/RH exterior mirror motor will operate downward.

- When the LH/RH exterior mirror motor receives ground through circuit CPM14 (GY/BN)/CPM18 (GN/BN) and voltage through circuit CPM23 (GY), the LH/RH exterior mirror motor will operate upward.

This pinpoint test is used to diagnose the following:

- Wiring, terminals or connectors

- Exterior mirror control switch

- Exterior mirror motor

- Exterior mirror

PINPOINT TEST C : A SINGLE MIRROR DOES NOT FUNCTION WITH SWITCH LOGIC

NOTICE: Use the correct probe adapter(s) from the Flex Probe Kit when making measurements. Failure to use the correct probe adapter(s) may damage the connector.

C1 CHECK THE MIRROR MOVEMENT (LEFT/RIGHT)

- Operate the RH and LH exterior mirrors in the right and left direction using the exterior mirror control switch.

Do the exterior mirrors move left and right?

Yes
GO to C2.

No
GO to C4.

C2 CHECK THE MIRROR MOVEMENT (UP/DOWN)

- Operate the RH and LH exterior mirrors in the up and down direction using the exterior mirror control switch.

Do the exterior mirrors move up and down?

Yes
The system is operating correctly at this time. The concern may have been caused by a loose or corroded connector. TEST the system for normal operation.

No
GO to C3.

C3 CHECK THE VOLTAGE TO THE INOPERATIVE MIRROR

- Ignition OFF.

- Disconnect: Inoperative Exterior Mirror C520 (LH) or C601 (RH).

- Ignition ON.

- NOTE: Position the exterior mirror control switch to the LH or RH mirror position.

While operating the exterior mirror control switch in the downward position, measure the voltage between ground and exterior mirror:
- LH exterior mirror:C520-1, circuit CPM14 (GY/BN), harness side.

- RH exterior mirror:C601-1, circuit CPM18 (GN/BN), harness side.






Is the voltage greater than 10 volts?

Yes
CHECK the LH or RH exterior mirror jumper harness between the vehicle harness and the exterior mirror motor for open or shorted circuits and damaged or pushed-out pins. If the jumper harness is not OK, REPAIR the jumper harness. If the jumper harness cannot be repaired, INSTALL a new LH or RH exterior mirror. REFER to Exterior Mirror . If the jumper harness is OK, INSTALL a new exterior mirror motor. REFER to Exterior Mirror Motor . TEST the system for normal operation.

No
GO to C5.

C4 CHECK THE VOLTAGE TO THE INOPERATIVE MIRROR

- Ignition OFF.

- Disconnect: Inoperative Exterior Mirror C520 (LH) or C601 (RH).

- Ignition ON.

- NOTE: Position the exterior mirror control switch to the LH or RH mirror position.

While operating the exterior mirror control switch in the leftward position, measure the voltage between ground and inoperative exterior mirror:
- LH exterior mirror:C520-3, circuit CPM15 (VT/OG), harness side.

- RH exterior mirror:C601-3, circuit CPM19 (GY/OG), harness side.






Is the voltage greater than 10 volts?

Yes
CHECK the LH or RH exterior mirror jumper harness between the vehicle harness and the exterior mirror motor for open or shorted circuits and damaged or pushed-out pins. If the jumper harness is not OK, REPAIR the jumper harness. If the jumper harness cannot be repaired, INSTALL a new LH or RH exterior mirror. REFER to Exterior Mirror . If the jumper harness is OK, INSTALL a new exterior mirror motor. REFER to Exterior Mirror Motor . TEST the system for normal operation.

No
GO to C6.

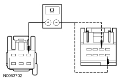
C5 CHECK FOR AN OPEN TO THE INOPERATIVE MIRROR

- Ignition OFF.

- Disconnect: Exterior Mirror Control Switch C527.

- LH exterior mirror: Measure the resistance between LH exterior mirror C520-1, circuit CPM14 (GY/BN), harness side and exterior mirror control switch C527-5, circuit CPM14 (GY/BN), harness side.

- RH exterior mirror: Measure the resistance between RH exterior mirror C601-1, circuit CPM18 (GN/BN), harness side and exterior mirror control switch C527-2, circuit CPM18 (GN/BN), harness side.





Is the resistance less than 5 ohms?

Yes
INSTALL a new exterior mirror control switch. REFER to Exterior Mirror Control Switch . TEST the system for normal operation.

No
REPAIR the circuit in question. TEST the system for normal operation.

C6 CHECK FOR AN OPEN TO THE INOPERATIVE MIRROR

- Ignition OFF.

- Disconnect: Exterior Mirror Control Switch C527.

- LH exterior mirror: Measure the resistance between exterior mirror control switch C527-8, circuit CPM15 (VT/OG), harness side and LH exterior mirror C520-3, circuit CPM15 (VT/OG), harness side.

- RH exterior mirror: Measure the resistance between exterior mirror control switch C527-7, circuit CPM19 (GY/OG), harness side and RH exterior mirror C601-3, circuit CPM19 (GY/OG), harness side.





Is the resistance less than 5 ohms?

Yes
INSTALL a new exterior mirror control switch. REFER to Exterior Mirror Control Switch . TEST the system for normal operation.

No
REPAIR the circuit in question. TEST the system for normal operation.