Operation CHARM: Car repair manuals for everyone.
Manuals through 2025 now available!

Our trusted friends have launched a new website named LEMON, which has newer manuals. It also contains all the CHARM manuals.

LEMON is the spiritual successor to CHARM, I recommend you try it!

Link: lemon-manuals.la or lemon-manuals.org.ua

(Some people have issue connecting. LEMON is investigating. For now, use Firefox or change your DNS server)

Or, hide this message: temporarily or permanently

Part 3




Engine














Lower Engine Block (View 1)










Lower Engine Block (View 2)










Front Engine Block










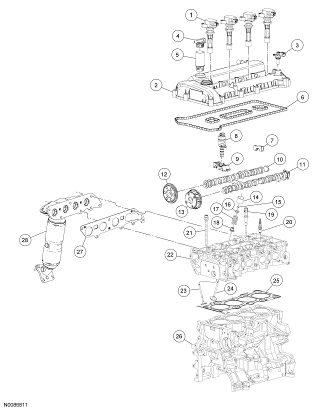
Cylinder Head










Intake Manifold









NOTICE: Do not loosen or remove the crankshaft pulley bolt without first installing the special tools as instructed in this procedure. The crankshaft pulley and the crankshaft timing sprocket are not keyed to the crankshaft. The crankshaft, the crankshaft sprocket and the pulley are fitted together by friction, using diamond washers between the flange faces on each part. For that reason, the crankshaft sprocket is also unfastened if the pulley bolt is loosened. Before any repair requiring loosening or removal of the crankshaft pulley bolt, the crankshaft and camshafts must be locked in place by the special service tools, otherwise severe engine damage can occur.

NOTICE: During engine repair procedures, cleanliness is extremely important. All parts must be thoroughly cleaned and any foreign material, including any material created while cleaning gasket surfaces, that enters the oil passages, coolant passages or the oil pan, can cause engine failure.

NOTE: Assembly of the engine requires various inspections/measurements of the engine components (engine block, crankshaft, connecting rods, pistons and piston rings). These inspections/measurements will aid in determining if the engine components will require replacement.

101. NOTICE: Make sure the coolant pump is correctly seated to the engine block before installing and tightening the fasteners, or damage to the coolant pump may occur.

NOTE: Clean the coolant pump mating surface with metal surface cleaner.
NOTE: Lubricate the coolant pump O-ring with clean engine coolant.
Install the new O-ring, coolant pump and the 3 bolts.
- Tighten to 10 Nm (89 lb-in).






102. Install the coolant pump pulley and bolts.
- Tighten to 20 Nm (177 lb-in).






103. Position the engine control wiring harness on the engine.

104. Attach the wiring harness retainer to the valve cover and stud bolt.
- Connect the EGR valve electrical connector.






105. Connect the CHT (Cylinder Head Temperature) sensor and install the rubber boot.





106. Connect the 4 coil-on-plug electrical connectors.





107. NOTICE: Use O-ring seals that are made of special fuel-resistant material. Use of ordinary O-rings can cause the fuel system to leak. Do not reuse the O-ring seals.

Install new fuel injector O-rings.
- Separate the fuel injectors from the fuel rail.

- Remove and discard the fuel injector O-rings.

- Install new O-rings and lubricate with clean engine oil.

- Install the fuel injectors onto the fuel rail.






108. Install the fuel rail with the fuel injectors and stud bolts.
- Tighten to 23 Nm (17 lb-ft).






109. Install the radio capacitor and the nut.
- Tighten to 10 Nm (89 lb-in).






110. Install the fuel rail insulator.





111. Position the high-voltage wiring harness and attach the 2 wiring harness retainers to the ignition coil stud bolts.





112. Connect the 4 fuel injector electrical connectors, radio capacitor electrical connector and the Camshaft Position (CMP) sensor electrical connector.





113. Install the EGR tube.
- Tighten to 55 Nm (41 lb-ft).






114. NOTICE: If the engine is repaired or replaced because of upper engine failure, typically including valve or piston damage, check the intake manifold for metal debris. If metal debris is found, install a new intake manifold. Failure to follow these instructions can result in engine damage.

Position the intake manifold and connect the PCV hose.






115. NOTE: Inspect and install new intake manifold gaskets, if necessary.
NOTE: The cylinder head side of the intake manifold is showing bolt location.
Install the intake manifold gasket, intake manifold and 7 bolts.
- Tighten to 18 Nm (159 lb-in).






116. Attach the 3 wire harness pin-type retainers to the intake manifold.





117. Install the vacuum pump assembly, the nut and the 2 bolts.
- Tighten to 25 Nm (18 lb-ft).






118. Connect the vacuum hose to the intake manifold.





119. Connect the EGR coolant hose and the auxiliary coolant pump hose.





120. Connect the auxiliary coolant pump hose and the upper radiator hose.





121. Attach the 2 wiring harness retainers to the fuel rail and the one to the valve cover.





122. Connect the VCT (Variable Camshaft Timing) electrical connector and attach the wiring harness retainer to the valve cover stud bolt.





123. Install the A/C compressor bracket and 2 bolts.
- Tighten to 48 Nm (35 lb-ft).






124. Install the A/C compressor and the 3 bolts.
- Tighten to 25 Nm (18 lb-ft).






125. Connect the A/C compressor electrical connector.





126. Attach the pin-type retainer to the intake manifold and connect the KS (Knock Sensor) electrical connector.





127. Connect the Manifold Absolute Pressure (MAP) sensor electrical connector.





128. Connect the Engine Oil Pressure (EOP) switch electrical connector.





129. Connect the Evaporative Emission (EVAP) canister purge valve electrical connector.





130. Connect the electronic throttle control electrical connector.





131. Install the accessory drive belt tensioner.
- Tighten to 25 Nm (18 lb-ft).






132. Attach the vehicle high-voltage electrical system electrical connector retainer to the accessory drive belt tensioner.





133. Rotate the accessory drive belt tensioner counterclockwise and install the accessory drive belt.





134. Install 7 new exhaust manifold studs in the cylinder head.
- Tighten to 17 Nm (150 lb-in).






135. Install the new exhaust manifold gasket on the engine.

136. NOTICE: Failure to tighten the catalytic converter nuts to specification before installing the converter bracket bolts will cause the converter to develop an exhaust leak.

NOTICE: Failure to tighten the catalytic converter nuts to specification a second time will cause the converter to develop an exhaust leak.

Position the catalytic converter and tighten the 7 new nuts in the sequence shown in 2 stages:
- Stage 1: Tighten to 48 Nm (35 lb-ft).

- Stage 2: Tighten to 48 Nm (35 lb-ft).






137. Attach the 2 wiring harness pin-type retainers.





138. Install the engine wiring harness connector bracket.
- Tighten to 15 Nm (133 lb-in).






139. Connect the Crankshaft Position (CKP) sensor electrical connector.





140. Connect the Catalyst Monitor Sensor (CMS) electrical connector.





141. Connect the Heated Oxygen Sensor (HO2S) connector. Attach the connector to the engine wiring harness connector bracket.





142. Using the Floor Crane and the Spreader Bar, remove the engine from the engine stand.

143. NOTE: Special bolts are used for installation. Do not use standard bolts.
Install the flywheel and the bolts. Tighten the bolts in the sequence shown in the following 3 stages:

- Stage 1: Tighten to 50 Nm (37 lb-ft).

- Stage 2: Tighten to 80 Nm (59 lb-ft).

- Stage 3: Tighten to 112 Nm (83 lb-ft).