Operation CHARM: Car repair manuals for everyone.
Manuals through 2025 now available!

Our trusted friends have launched a new website named LEMON, which has newer manuals. It also contains all the CHARM manuals.

LEMON is the spiritual successor to CHARM, I recommend you try it!

Link: lemon-manuals.la or lemon-manuals.org.ua

(Some people have issue connecting. LEMON is investigating. For now, use Firefox or change your DNS server)

Or, hide this message: temporarily or permanently

Pinpoint Test B: Adjustable Brake Pedal Does Not Operate Correctly - Using The Adjustable Pedal Switch (With Memory Feature)




Pinpoint Tests






Pinpoint Test B: Adjustable Brake Pedal is Inoperative/Does Not Operate Correctly - Using the Adjustable Pedal Switch (With Memory Feature)

Refer to Wiring Diagram Set 127, Adjustable Pedals for schematic and connector information Electrical Diagrams.

Normal Operation

The adjustable pedal switch receives fused battery voltage from Smart Junction Box (SJB) fuse 20 (15A) along circuit SBP20 (GN/RD).

When the adjustable pedal switch is pressed in the forward position (away from the driver), the switch connects circuit SBP20 (GN/RD) with circuit CPP09 (VT/OG) and the voltage is sent to the Driver Seat Module (DSM) along circuit CPP09 (VT/OG). The DSM (Driver Seat Module) then sends voltage to the adjustable pedal motor along circuit CPP01 (WH/OG), and the current returns to the DSM (Driver Seat Module) along circuit CPP02 (BN).

When the adjustable pedal switch is pressed in the rearward position (toward the driver), the switch connects circuit SBP20 (GN/RD) with circuit CPP10 (BN/BU) and the voltage is sent to the DSM (Driver Seat Module) along circuit CPP10 (BN/BU). The DSM (Driver Seat Module) then sends voltage to the adjustable pedal motor along circuit CPP02 (BN), and the current returns to the DSM (Driver Seat Module) along circuit CPP01 (WH/OG).

- DTC B1988 (Pedal Position Forward Switch Circuit Short to Battery)- If during normal operation or an on-demand self test, the DSM (Driver Seat Module) detects battery voltage on circuit CPP09 (VT/OG) for more than 2 minutes, DTC B1988 will be set.

- DTC B1989 (Pedal Position Rearward Switch Circuit Short to Battery)- If during normal operation or an on-demand self test, the DSM (Driver Seat Module) detects battery voltage on circuit CPP10 (BN/BU) for more than 2 minutes, DTC B1989 will be set.

This pinpoint test is intended to diagnose the following:

- Foreign material

- Fuse

- Wiring, terminals or connectors

- Adjustable pedal switch

- Adjustable pedal motor

- Adjustable pedal cable

- Brake pedal assembly

- DSM (Driver Seat Module)

PINPOINT TEST B : ADJUSTABLE BRAKE PEDAL IS INOPERATIVE/DOES NOT OPERATE CORRECTLY - USING THE ADJUSTABLE PEDAL SWITCH (WITH MEMORY FEATURE)

NOTICE: Use the Flex Probe Kit for all test connections to prevent damage to the wiring terminals. Do not use standard multi-meter probes.

B1 CHECK THE DSM (Driver Seat Module) DTCs

- Review the DTCs retrieved during Inspection and Verification.

Are DTCs B1988 and/or B1989 present?

Yes
GO to B8.

No
GO to B2.

B2 CHECK THE DSM (Driver Seat Module) ADJUSTABLE PEDAL SWITCH (PEDPOSSW) PID

- Connect the scan tool.

- Ignition ON.

- Enter the following diagnostic mode on the scan tool: DataLogger- DSM (Driver Seat Module).

- Monitor the PEDPOSSW PID while activating the adjustable pedal switch.

Does the PID display match the switch position within one second of pressing the switch?

Yes
GO to B9.

No
GO to B3.

B3 ISOLATE THE ADJUSTABLE PEDAL SWITCH

- Ignition OFF.

- Carry out the adjustable pedal switch component test.

Does the adjustable pedal switch pass the component test?

Yes
GO to B4.

No
INSTALL a new adjustable pedal switch. CLEAR the DTCs. REPEAT the self-test.

B4 CHECK FOR VOLTAGE AT THE ADJUSTABLE PEDAL SWITCH

- Ignition OFF.

- Disconnect: Adjustable Pedal Switch C2089.

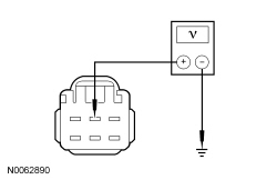
- Measure the voltage between adjustable pedal switch C2089-2, circuit SBP20 (GN/RD), harness side and ground.





Is the voltage greater than 10 volts?

Yes
GO to B5.

No
VERIFY SJB (Smart Junction Box) fuse 20 (15A) is OK. If OK, REPAIR circuit SBP20 (GN/RD). If not OK, REFER to the Wiring Diagrams to identify the possible cause for the circuit short. TEST the system for normal operation.

B5 CHECK THE ADJUSTABLE PEDAL SWITCH CIRCUITS FOR A SHORT TOGETHER

- Disconnect: DSM (Driver Seat Module) C341C.

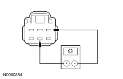
- Measure the resistance between adjustable pedal switch C2089-5, circuit CPP09 (VT/OG), harness side and C2089-1, circuit CPP10 (BN/BU), harness side.





Is the resistance greater than 10,000 ohms?

Yes
GO to B6.

No
REPAIR the affected circuit(s). CLEAR the DTCs. REPEAT the self-test.

B6 CHECK THE ADJUSTABLE PEDAL SWITCH CIRCUITS FOR A SHORT TO GROUND

- Measure the resistance between ground and:
- adjustable pedal switch C2089-1, circuit CPP10 (BN/BU), harness side.

- adjustable pedal switch C2089-5, circuit CPP09 (VT/OG), harness side.






Are the resistances greater than 10,000 ohms?

Yes
GO to B7.

No
REPAIR the affected circuit(s). CLEAR the DTCs. REPEAT the self-test.

B7 CHECK THE ADJUSTABLE PEDAL SWITCH CIRCUITS FOR AN OPEN

- Measure the resistance between adjustable pedal switch C2089, harness side and DSM (Driver Seat Module) C341C, harness side as indicated in the following chart:

Adjustable Pedal Switch Circuit DSM (Driver Seat Module) C2089-1 CPP10 (BN/BU) C341C-9 C2089-5 CPP09 (VT/OG) C341C-21






Are the resistances less than 5 ohms?

Yes
GO to B8.

No
REPAIR the affected circuit(s). CLEAR the DTCs. REPEAT the self-test.

B8 CHECK THE ADJUSTABLE PEDAL SWITCH CIRCUITS FOR A SHORT TO VOLTAGE

- Disconnect: DSM (Driver Seat Module) C341C (if not previously disconnected).

- Disconnect: Adjustable Pedal Switch C2089 (if not previously disconnected).

- Ignition ON.

- Measure the voltage between ground and:
- adjustable pedal switch C2089-1, circuit CPP10 (BN/BU), harness side.

- adjustable pedal switch C2089-5, circuit CPP09 (VT/OG), harness side.






Is any voltage present?

Yes
REPAIR the affected circuit(s) for a short to voltage. CLEAR the DTCs. REPEAT the self-test.

No
If DTCs B1988 and/or B1989 are not present, GO to B9.

If DTCs B1988 and/or B1989 are present, GO to B18.

B9 CHECK THE DSM (Driver Seat Module) ADJUSTABLE PEDAL ACTIVE COMMANDS

- Connect: DSM (Driver Seat Module) C341C.

- Select PARK.

- Ignition ON.

- Enter the following diagnostic mode on the scan tool: DataLogger- DSM (Driver Seat Module).

- NOTE: Toggling the active command ON will cause the pedal to move in the commanded direction for 2 seconds and then the pedal will stop.

Toggle the pedal forward (PEDAL_FWD) active command ON.


- Toggle the PEDAL_FWD active command OFF.

- Toggle the pedal rearward (PEDAL_RWD) active command ON.

- Toggle the PEDAL_FWD active command OFF.

Do the adjustable pedals respond correctly to the corresponding active commands?

Yes
The system is operating correctly at this time. The concern may have been caused by a loose or corroded connector. CLEAR the DTCs. REPEAT the self-test.

No
GO to B10.

B10 CHECK THE ADJUSTABLE PEDAL MOTOR AND CABLE INSTALLATION

- Check the adjustable pedal motor and cable for correct installation.

Are the motor and cable correctly installed?

Yes
GO to B11.

No
CORRECT the adjustable pedal motor installation. TEST the system for normal operation.

B11 INSPECT FOR FOREIGN MATERIAL

- Inspect the adjustable brake pedal and accelerator assemblies for foreign material causing a binding condition.

Are the pedal assemblies free from foreign material?

Yes
GO to B12.

No
REMOVE the foreign material. TEST the system for normal operation.

B12 CHECK THE ADJUSTABLE PEDAL MOTOR CIRCUITS FOR AN OPEN

- Ignition OFF.

- Disconnect: Adjustable Pedal Motor C2159.

- Disconnect: DSM (Driver Seat Module) C341C.

- Measure the resistance between DSM (Driver Seat Module) C341C, harness side and adjustable pedal motor C2159, harness side as indicated in the following chart:

DSM (Driver Seat Module) Circuit Adjustable Pedal Motor C341C-12 CPP01 (WH/OG) C2159-2 C341C-24 CPP02 (BN) C2159-1






Are the resistances less than 5 ohms?

Yes
GO to B13.

No
REPAIR the affected circuit(s). CLEAR the DTCs. REPEAT the self-test.

B13 CHECK THE ADJUSTABLE PEDAL MOTOR CIRCUITS FOR A SHORT TO GROUND

- Measure the resistance between ground and:
- DSM (Driver Seat Module) C341C-12, circuit CPP01 (WH/OG), harness side.

- DSM (Driver Seat Module) C341C-24, circuit CPP02 (BN), harness side.






Are the resistances greater than 10,000 ohms?

Yes
GO to B14.

No
REPAIR the affected circuit(s). CLEAR the DTCs. REPEAT the self-test.

B14 CHECK THE ADJUSTABLE PEDAL MOTOR CIRCUITS FOR A SHORT TO VOLTAGE

- Ignition ON.

- Measure the voltage between ground and:
- DSM (Driver Seat Module) C341C-12, circuit CPP01 (WH/OG), harness side.

- DSM (Driver Seat Module) C341C-24, circuit CPP02 (BN), harness side.






Is any voltage present?

Yes
REPAIR the affected circuit(s). CLEAR the DTCs. REPEAT the self-test.

No
GO to B15.

B15 CHECK FOR DSM (Driver Seat Module) OUTPUT

NOTICE: The following step uses a test light to simulate normal circuit loads. Use only the test light recommended in the Special Tools table at the beginning. To avoid connector terminal damage, use the Flex Probe Kit for the test light probe connection to the vehicle. Do not use the test light probe directly on any connector.

- Connect: DSM (Driver Seat Module) C341C.

- Connect: Adjustable Pedal Switch C2089.

- Connect the positive lead of a test light to C2159-1, circuit CPP02 (BN), harness side.

- Connect the negative lead of a test light to C2159-2, circuit CPP01 (WH/OG), harness side.





- Press the adjustable pedal switch in the forward position and verify that the test light is illuminated.

- Press the adjustable pedal switch in the rearward position and verify that the test light is illuminated.

Does the test light illuminate when the adjustable pedal switch is pressed in each direction?

Yes
GO to B16.

No
GO to B18.

B16 INSPECT THE ADJUSTABLE BRAKE PEDAL CABLE

- Disconnect the adjustable brake pedal cable from the adjustable brake pedal.

- Inspect the ends of the brake pedal motor cable for wear or damage.

Are the cable ends OK?

Yes
GO to B17.

No
INSTALL a new adjustable accelerator pedal assembly. CLEAR the DTCs. REPEAT the self-test. TEST the system for normal operation.

B17 CHECK THE ADJUSTABLE BRAKE PEDAL CABLE OPERATION

- Connect: Adjustable Pedal Switch C2089.

- Connect: Adjustable Pedal Motor C2159.

- Connect: DSM (Driver Seat Module) C341C.

- Disconnect the adjustable brake pedal cable from the adjustable brake pedal.

- Operate the adjustable pedal control switch and observe the cable in the conduit.

Does the adjustable brake pedal cable turn in the conduit?

Yes
INSTALL a new brake pedal assembly. REFER to Brake Pedal and Bracket . TEST the system for normal operation.

No
INSTALL a new adjustable accelerator pedal assembly. CLEAR the DTCs. REPEAT the self-test. TEST the system for normal operation.

B18 CHECK THE DSM (Driver Seat Module) FOR CORRECT OPERATION

- Disconnect: DSM (Driver Seat Module) C341C (if not previously disconnected).

- Check DSM (Driver Seat Module) C341C for:
- corrosion.
- pushed-out pins.
- spread terminals.


- Connect: DSM (Driver Seat Module) C341C.

- Make sure the connector seats correctly, then operate the system and verify the concern is still present.

Is the concern still present?

Yes
INSTALL a new DSM (Driver Seat Module). CLEAR the DTCs. REPEAT the self-test.

No
The system is operating correctly at this time. The concern may have been caused by a loose or corroded connector. CLEAR the DTCs. REPEAT the self-test.