Operation CHARM: Car repair manuals for everyone.
Manuals through 2025 now available!

Our trusted friends have launched a new website named LEMON, which has newer manuals. It also contains all the CHARM manuals.

LEMON is the spiritual successor to CHARM, I recommend you try it!

Link: lemon-manuals.la or lemon-manuals.org.ua

(Some people have issue connecting. LEMON is investigating. For now, use Firefox or change your DNS server)

Or, hide this message: temporarily or permanently

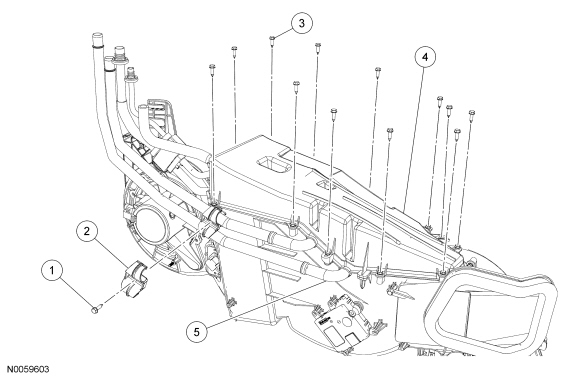
Auxiliary Heater Core - Expedition, Navigator




Auxiliary Heater Core - Expedition, Navigator









Removal and Installation

NOTE: If a heater core leak is suspected, the heater core must be pressure leak tested before it is removed from the vehicle.

1. Remove the auxiliary heater core and evaporator core housing. For additional information, refer to Auxiliary Heater Core and Evaporator Core Housing- Expedition, Navigator .

2. Release the clip and open the floorpan bracket.





3. Remove the heater core tube bracket screw and the heater core tube bracket.

4. Remove the 12 evaporator/heater core access cover screws.

5. Remove the evaporator/heater core access cover.

6. Remove the heater core.

7. To install, reverse the removal procedure.