Operation CHARM: Car repair manuals for everyone.
Manuals through 2025 now available!

Our trusted friends have launched a new website named LEMON, which has newer manuals. It also contains all the CHARM manuals.

LEMON is the spiritual successor to CHARM, I recommend you try it!

Link: lemon-manuals.la or lemon-manuals.org.ua

(Some people have issue connecting. LEMON is investigating. For now, use Firefox or change your DNS server)

Or, hide this message: temporarily or permanently

Pinpoint Tests




Clock

Pinpoint Tests

Pinpoint Tests A: The Clock Is Inoperative

Refer to Wiring Diagram Set 44, Horn/Cigar Lighter for schematic and connector information Electrical Diagrams.

Normal Operation

The clock receives battery voltage from the Smart Junction Box (SJB).

This pinpoint test is intended to diagnose the following:

- Fuse

- Wiring, terminals or connectors

- Clock

- SJB (Smart Junction Box)

PINPOINT TEST A : THE CLOCK IS INOPERATIVE

NOTICE: Use the correct probe adapter(s) when making measurements. Failure to use the correct probe adapter(s) may damage the connector.

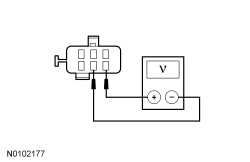
A1 CHECK FOR VOLTAGE TO THE CLOCK

- Ignition OFF.

- Disconnect: Clock C2016.

- Measure the voltage between the clock C2016-6, circuit SBP14 (BN/RD), harness side and ground.





Is the voltage greater than 10 volts?

Yes
GO to A2.

No
VERIFY the SJB (Smart Junction Box) fuse 14 (10A) is OK. If OK, GO to A3. TEST the system for normal operation. If not OK, REFER to the Wiring Diagrams to identify the possible causes of the circuit short Electrical Diagrams.

A2 CHECK FOR VOLTAGE TO THE CLOCK USING THE CONNECTOR

- Measure the voltage between the clock C2016-6, circuit SBP14 (BN/RD), harness side and the clock C2016-5, circuit GD150 (BK/WH), harness side.





Is the voltage greater than 10 volts?

Yes
INSTALL a new clock. REFER to Clock . TEST the system for normal operation.

No
REPAIR circuit GD150 (BK/WH) for an open. TEST the system for normal operation.

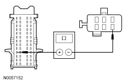
A3 CHECK THE CLOCK VOLTAGE CIRCUIT FOR AN OPEN

- Disconnect: SJB (Smart Junction Box) C2280B.

- Measure the resistance between the SJB (Smart Junction Box) C2280B-4, circuit SBP14 (BN/RD), harness side and the clock C2016-6, circuit SBP14 (BN/RD), harness side.





Is the resistance less than 5 ohms?

Yes
GO to A4.

No
REPAIR circuit SBP14 (BN/RD) for an open. TEST the system for normal operation.

A4 CHECK FOR CORRECT SJB (Smart Junction Box) OPERATION

- Disconnect all the SJB (Smart Junction Box) connectors.

- Check for:
- corrosion

- damaged pins

- pushed-out pins


- Connect all the SJB (Smart Junction Box) connectors and make sure they seat correctly.

- Operate the system and verify the concern is still present.

Is the concern still present?

Yes
INSTALL a new SJB (Smart Junction Box). TEST the system for normal operation.

No
The system is operating correctly at this time. The concern may have been caused by a loose or corroded connector.