Heater Core: Service and Repair
Heater Core
Removal and Installation
NOTE: If a heater core leak is suspected, the heater core must be leak tested before it is removed from the vehicle.
1. Remove the heater core and evaporator core housing. For additional information, refer to Heater Core And Evaporator Core Housing .
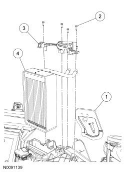
2. Remove the heater hose quick disconnect clips from the heater core.
3. Remove the heater tube dash panel seal.
4. Remove the 4 heater core bracket screws and the bracket.
5. Remove the heater core.
6. NOTE: The heater core seal must be correctly installed to prevent airflow from bypassing the heater core.
To install, reverse the removal procedure.