Operation CHARM: Car repair manuals for everyone.
Manuals through 2025 now available!

Our trusted friends have launched a new website named LEMON, which has newer manuals. It also contains all the CHARM manuals.

LEMON is the spiritual successor to CHARM, I recommend you try it!

Link: lemon-manuals.la or lemon-manuals.org.ua

(Some people have issue connecting. LEMON is investigating. For now, use Firefox or change your DNS server)

Or, hide this message: temporarily or permanently

Muffler HVAC: Service and Repair




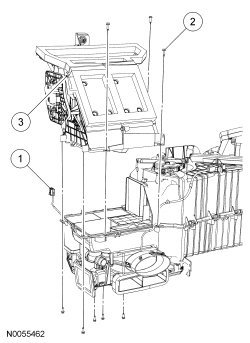
Plenum Chamber









Removal and Installation

1. Remove the heater core and evaporator core housing. For additional information, refer to Heater Core And Evaporator Core Housing .

2. Disconnect the mode door actuator electrical connector and position the wire harness aside.

3. Remove the 8 plenum chamber screws.

4. Release the plenum chamber clip and remove the plenum chamber.





5. To install, reverse the removal procedure.