Operation CHARM: Car repair manuals for everyone.
Manuals through 2025 now available!

Our trusted friends have launched a new website named LEMON, which has newer manuals. It also contains all the CHARM manuals.

LEMON is the spiritual successor to CHARM, I recommend you try it!

Link: lemon-manuals.la or lemon-manuals.org.ua

(Some people have issue connecting. LEMON is investigating. For now, use Firefox or change your DNS server)

Or, hide this message: temporarily or permanently

Pinpoint Test AA: The Accessory Protocol Interface Module (APIM) Does Not Respond To The Scan Tool




Communications Network

Pinpoint Test AA: The Accessory Protocol Interface Module (APIM) Does Not Respond To The Scan Tool

Refer to Wiring Diagram Set 14, Module Communications Network for schematic and connector information. [1][2]Diagrams By Number

Refer to Wiring Diagram Set 130, Audio System/Navigation for schematic and connector information. [1][2]Diagrams By Number

Normal Operation

The Accessory Protocol Interface Module (APIM) communicates with the scan tool through the High Speed Controller Area Network (HS-CAN).

This pinpoint test is intended to diagnose the following:

- Fuse

- Wiring, terminals or connectors

- APIM (Accessory Protocol Interface Module)

PINPOINT TEST AA : THE APIM (Accessory Protocol Interface Module) DOES NOT RESPOND TO THE SCAN TOOL

NOTICE: Use the correct probe adapter(s) when making measurements. Failure to use the correct probe adapter(s) may damage the connector.

NOTE: Failure to disconnect the battery when instructed will result in false resistance readings.

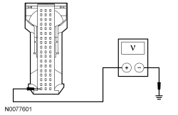
AA1 CHECK THE APIM (Accessory Protocol Interface Module) VOLTAGE SUPPLY CIRCUIT FOR AN OPEN

- Disconnect: APIM (Accessory Protocol Interface Module) C3338.

- Ignition ON.

- Measure the voltage between the APIM (Accessory Protocol Interface Module) C3338-1, circuit SBP13 (GY/RD), harness side and ground.





Is the voltage greater than 10 volts?

Yes
GO to AA2.

No
VERIFY the Smart Junction Box (SJB) fuse 13 (5A) is OK. If OK, REPAIR the circuit. CLEAR the DTCs. REPEAT the network test with the scan tool. If not OK, REFER to the Wiring Diagrams to identify the possible causes of the circuit short. [1][2]Diagrams By Number

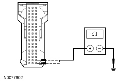
AA2 CHECK THE APIM (Accessory Protocol Interface Module) GROUND CIRCUIT FOR AN OPEN

- Ignition OFF.

- Disconnect: Negative Battery Cable.

- Measure the resistance between the APIM (Accessory Protocol Interface Module) C3338-37, circuit GD148 (BK/YE), harness side and ground; and between the APIM (Accessory Protocol Interface Module) C3338-38, circuit GD148 (BK/YE), harness side and ground.





Are the resistances less than 5 ohms?

Yes
GO to AA3.

No
REPAIR the circuit in question. CONNECT the negative battery cable. CLEAR the DTCs. REPEAT the network test with the scan tool.

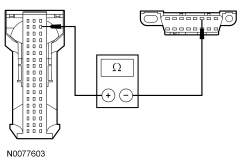
AA3 CHECK THE HS-CAN (High Speed Controller Area Network) CIRCUITS BETWEEN THE APIM (Accessory Protocol Interface Module) AND THE DLC (Data Link Connector) FOR AN OPEN

- Measure the resistance between the APIM (Accessory Protocol Interface Module) C3338-53, circuit VDB04 (WH/BU), harness side and the Data Link Connector (DLC) C251-6, circuit VDB04 (WH/BU), harness side.





- Measure the resistance between the APIM (Accessory Protocol Interface Module) C3338-54, circuit VDB05 (WH), harness side and the DLC (Data Link Connector) C251-14, circuit VDB05 (WH), harness side.





Are the resistances less than 5 ohms?

Yes
GO to AA4.

No
REPAIR the circuit in question. CONNECT the negative battery cable. CLEAR the DTCs. REPEAT the network test with the scan tool.

AA4 CHECK THE MS-CAN (Medium Speed Controller Area Network) CIRCUITS BETWEEN THE APIM (Accessory Protocol Interface Module) AND THE DLC (Data Link Connector) FOR AN OPEN

- Measure the resistance between the APIM (Accessory Protocol Interface Module) C3338-16, circuit VDB06 (GY/OG), harness side and the DLC (Data Link Connector) C251-3, circuit VDB06 (GY/OG), harness side.





- Measure the resistance between the APIM (Accessory Protocol Interface Module) C3338-17, circuit VDB07 (VT/OG), harness side and the DLC (Data Link Connector) C251-11, circuit VDB07 (VT/OG), harness side.





Are the resistances less than 5 ohms?

Yes
CONNECT the negative battery cable. GO to AA5.

No
REPAIR the circuit in question. CONNECT the negative battery cable. CLEAR the DTCs. REPEAT the network test with the scan tool.

AA5 CHECK FOR CORRECT APIM (Accessory Protocol Interface Module) OPERATION

- Disconnect all the APIM (Accessory Protocol Interface Module) connectors.

- Check for:
- corrosion

- damaged pins

- pushed-out pins


- Connect all the APIM (Accessory Protocol Interface Module) connectors and make sure they seat correctly.

- Operate the system and verify the concern is still present.

Is the concern still present?

Yes
INSTALL a new APIM (Accessory Protocol Interface Module). CLEAR the DTCs. REPEAT the network test with the scan tool.

No
The system is operating correctly at this time. The concern may have been caused by a loose or corroded connector. CLEAR the DTCs. REPEAT the network test with the scan tool.