Operation CHARM: Car repair manuals for everyone.
Manuals through 2025 now available!

Our trusted friends have launched a new website named LEMON, which has newer manuals. It also contains all the CHARM manuals.

LEMON is the spiritual successor to CHARM, I recommend you try it!

Link: lemon-manuals.la or lemon-manuals.org.ua

(Some people have issue connecting. LEMON is investigating. For now, use Firefox or change your DNS server)

Or, hide this message: temporarily or permanently

Pinpoint Test AB: Intermittent No Medium Speed Controller Area Network Communication Modules Are Not Responding During Network




Communications Network

Pinpoint Test AB: Intermittent No Medium Speed Controller Area Network Communication Modules Are Not Responding During Network Test

Normal Operation

When one of the 2 Medium Speed Controller Area Network (MS-CAN) circuits becomes open to a module on the network, intermittent or unreliable communication to all modules on the MS-CAN (Medium Speed Controller Area Network) may result.

The following modules communicate on the MS-CAN (Medium Speed Controller Area Network) :

- Accessory Protocol Interface Module (APIM) (if equipped)

- Audio Control Module (ACM)

- Audio Digital Signal Processing (DSP) module (if equipped)

- Driver Seat Module (DSM) (if equipped)

- Driver Door Module (DDM) (if equipped)

- Dual Climate Controlled Seat Module (DCSM) (if equipped)

- Front Controls Interface Module (FCIM)

- Front Display Interface Module (FDIM)

- Global Positioning System Module (GPSM) (if equipped)

- HVAC module

- Instrument Panel Cluster (IPC)

- Interior Lighting Control Module (ILCM) (if equipped)

- Parking Aid Module (PAM) (if equipped)

- Side Obstacle Detection Control Module - Left (SOD-L) (if equipped)

- Side Obstacle Detection Control Module - Right (SOD-R) (if equipped)

- Smart Junction Box (SJB)

This pinpoint test is intended to diagnose the following:

- Circuit VDB06 (GY/OG) (MS-CAN (Medium Speed Controller Area Network) +) open

- Circuit VDB07 (VT/OG) (MS-CAN (Medium Speed Controller Area Network) -) open

PINPOINT TEST AB : INTERMITTENT NO Medium Speed Controller Area Network (MS-CAN) COMMUNICATION, ONE OR MORE MODULES ARE NOT RESPONDING DURING NETWORK TEST

NOTE: Most faults are due to connector and/or wiring concerns. Carry out a thorough inspection and verification before proceeding with the pinpoint test. Module Communications Network

NOTE: Various network DTCs will set while disabling modules in this test procedure which will need to be cleared after the diagnostic procedure is completed.

NOTE: Failure to disconnect the battery when instructed will result in false resistance readings.

AB1 CHECK THE DLC (Data Link Connector) PINS FOR DAMAGE

- Ignition OFF.

- Disconnect the scan tool cable from the Data Link Connector (DLC).

- Inspect DLC (Data Link Connector) pins 3 and 11 for damage.





Are DLC (Data Link Connector) pins 3 and 11 OK?

Yes
GO to AB2.

No
REPAIR the DLC (Data Link Connector) as necessary. CLEAR the DTCs. REPEAT the network test with the scan tool.

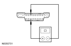
AB2 CHECK THE MS-CAN (Medium Speed Controller Area Network) TERMINATION RESISTANCE

- Disconnect: Negative Battery Cable.

- Measure the resistance between the DLC (Data Link Connector) C251-3, circuit VDB06 (GY/OG), harness side and the DLC (Data Link Connector) C251-11, circuit VDB07 (VT/OG), harness side.





Is the resistance between 54 and 66 ohms?

Yes
GO to AB3.

No
GO to Pinpoint Test AC. Pinpoint Test AC: No Medium Speed Controller Area Network (MS-CAN) Communication, All Modules Are Not Responding

AB3 CHECK THE MS-CAN (Medium Speed Controller Area Network) (+) AND MS-CAN (Medium Speed Controller Area Network) (-) CIRCUITS FOR A SHORT TO GROUND

- Measure the resistance between the DLC (Data Link Connector) C251-3, circuit VDB06 (GY/OG), harness side and ground; and between the DLC (Data Link Connector) C251-11, circuit VDB07 (VT/OG), harness side and ground.





Are the resistances greater than 1,000 ohms?

Yes
GO to AB4.

No
GO to Pinpoint Test AC. Pinpoint Test AC: No Medium Speed Controller Area Network (MS-CAN) Communication, All Modules Are Not Responding

AB4 CHECK THE MS-CAN (Medium Speed Controller Area Network) (+) AND MS-CAN (Medium Speed Controller Area Network) (-) CIRCUITS FOR A SHORT TO VOLTAGE

- Connect: Negative Battery Cable.

- Ignition ON.

- Measure the voltage between the DLC (Data Link Connector) C251-3, circuit VDB06 (GY/OG), harness side and ground; and between the DLC (Data Link Connector) C251-11, circuit VDB07 (VT/OG), harness side and ground.





Is the voltage greater than 6 volts?

Yes
REPAIR the circuit in question. CLEAR the DTCs. REPEAT the network test with the scan tool.

No
GO to AB5.

AB5 CHECK FOR RESTORED NETWORK COMMUNICATION WITH THE SJB (Smart Junction Box) DISABLED

- Disconnect: Smart Junction Box (SJB) Fuse 5 (10A).

- Enter the following diagnostic mode on the scan tool: Network Test.

- Repeat the network test.

Do all other MS-CAN (Medium Speed Controller Area Network) modules pass the network test?

Yes
INSTALL the removed fuse. GO to Pinpoint Test U. Pinpoint Test U: The Smart Junction Box (SJB) Does Not Respond To The Scan Tool

No
INSTALL the removed fuse. If the vehicle is equipped with a Dual Climate Controlled Seat Module (DCSM), GO to AB6.

If the vehicle is not equipped with a DCSM (Dual Climate Controlled Seat Module) , GO to AB7.

AB6 CHECK FOR RESTORED NETWORK COMMUNICATION WITH THE DCSM (Dual Climate Controlled Seat Module) DISABLED

- Disconnect: SJB (Smart Junction Box) Fuse 16 (15A).

- Enter the following diagnostic mode on the scan tool: Network Test.

- Repeat the network test.

Do all other MS-CAN (Medium Speed Controller Area Network) modules pass the network test?

Yes
INSTALL the removed fuse. GO to Pinpoint Test Y. Pinpoint Test Y: The Dual Climate Controlled Seat Module (DCSM) Does Not Respond To The Scan Tool
No
INSTALL the removed fuse. GO to AB7.

AB7 CHECK FOR RESTORED NETWORK COMMUNICATION WITH THE ACM (Audio Control Module) DISABLED

- Disconnect: SJB (Smart Junction Box) Fuse 39 (20A).

- Enter the following diagnostic mode on the scan tool: Network Test.

- Repeat the network test.

Do all other MS-CAN (Medium Speed Controller Area Network) modules pass the network test?

Yes
INSTALL the removed fuse. GO to Pinpoint Test M. Pinpoint Test M: The Audio Control Module (ACM) Does Not Respond To The Scan Tool
No
INSTALL the removed fuse. If the vehicle is equipped with an audio Digital Signal Processing (DSP)
module, GO to AB8.

If the vehicle is not equipped with an audio DSP (Digital Signal Processing) module, GO to AB9.

AB8 CHECK FOR RESTORED NETWORK COMMUNICATION WITH THE AUDIO DSP (Digital Signal Processing) MODULE DISABLED

- Disconnect: BJB (Battery Junction Box) Fuses 20 (20A) and 21 (20A) (THX(R)) or Fuse 19 (25A) (Sony(R)).

- Enter the following diagnostic mode on the scan tool: Network Test.

- Repeat the network test.

Do all other MS-CAN (Medium Speed Controller Area Network) modules pass the network test?

Yes
INSTALL the removed fuses. GO to Pinpoint Test W. Pinpoint Test W: The Audio Digital Signal Processing (DSP) Module Does Not Respond To The Scan Tool
No
INSTALL the removed fuses. GO to AB9.

AB9 CHECK FOR RESTORED NETWORK COMMUNICATION WITH THE HVAC MODULE DISABLED

- Disconnect: SJB (Smart Junction Box) Fuse 15 (10A).

- Enter the following diagnostic mode on the scan tool: Network Test.

- Repeat the network test.

Do all other MS-CAN (Medium Speed Controller Area Network) modules pass the network test?

Yes
INSTALL the removed fuse. GO to Pinpoint Test V. Pinpoint Test V: The HVAC Module Does Not Respond To The Scan Tool
No
INSTALL the removed fuse. If the vehicle is equipped with an Accessory Protocol Interface Module (APIM), GO to AB10.

If the vehicle is not equipped with an APIM (Accessory Protocol Interface Module) , GO to AB11.

AB10 CHECK FOR RESTORED NETWORK COMMUNICATION WITH THE APIM (Accessory Protocol Interface Module) DISCONNECTED

- Disconnect: APIM (Accessory Protocol Interface Module) C3342.

- Enter the following diagnostic mode on the scan tool: Network Test.

- Repeat the network test.

Do all other MS-CAN (Medium Speed Controller Area Network) modules pass the network test?

Yes
INSTALL the removed fuse. GO to Pinpoint Test AA. Pinpoint Test AA: The Accessory Protocol Interface Module (APIM) Does Not Respond To The Scan Tool
No
INSTALL the removed fuses. GO to AB11.

AB11 CHECK FOR RESTORED NETWORK COMMUNICATION WITH THE FCIM (Front Controls Interface Module) , FDIM (Front Display Interface Module) ,
ILCM (Interior Lighting Control Module) (IF EQUIPPED), AND GPSM (Global Positioning System Module) (IF EQUIPPED) DISABLED


- Disconnect: SJB (Smart Junction Box) Fuse 14 (10A).

- Enter the following diagnostic mode on the scan tool: Network Test.

- Repeat the network test.

Do all other MS-CAN (Medium Speed Controller Area Network) modules pass the network test?

Yes
INSTALL the removed fuse. GO to AB12.

No
INSTALL the removed fuse. If the vehicle is equipped with a Driver Door Module (DDM) and/or a Driver Seat Module (DSM), GO to AB16.

If the vehicle is not equipped with a DDM (Driver Door Module) and/or a DSM (Driver Seat Module) , GO to AB18.

AB12 CHECK FOR RESTORED NETWORK COMMUNICATION WITH THE FCIM (Front Controls Interface Module) DISCONNECTED

- Disconnect: Front Controls Interface Module (FCIM) C2402 (With Navigation, MKZ), C2403 (Without Navigation) or C2408 (With Navigation, except MKZ).

- Enter the following diagnostic mode on the scan tool: Network Test.

- Repeat the network test.

Do all other MS-CAN (Medium Speed Controller Area Network) modules pass the network test?

Yes
CONNECT the FCIM (Front Controls Interface Module). GO to Pinpoint Test N. Pinpoint Test N: The Front Controls Interface Module (FCIM) Does Not Respond To The Scan Tool
No
CONNECT the FCIM (Front Controls Interface Module). If the vehicle is equipped with an Interior Lighting Control Module (ILCM), GO to AB13.

If the vehicle is not equipped with an ILCM (Interior Lighting Control Module) , GO to AB14.

AB13 CHECK FOR RESTORED NETWORK COMMUNICATION WITH THE ILCM (Interior Lighting Control Module) DISCONNECTED

- Disconnect: In-Line ILCM (Interior Lighting Control Module) C2238.

- Enter the following diagnostic mode on the scan tool: Network Test.

- Repeat the network test.

Do all other MS-CAN (Medium Speed Controller Area Network) modules pass the network test?

Yes
CONNECT the ILCM (Interior Lighting Control Module). GO to Pinpoint Test Q. Pinpoint Test Q: The Interior Lighting Control Module (ILCM) Does Not Respond To The Scan Tool

No
CONNECT the ILCM (Interior Lighting Control Module). GO to AB14.

AB14 CHECK FOR RESTORED NETWORK COMMUNICATION WITH THE FDIM (Front Display Interface Module) DISCONNECTED

- Disconnect: Front Display Interface Module (FDIM) C2407.

- Enter the following diagnostic mode on the scan tool: Network Test.

- Repeat the network test.

Do all other MS-CAN (Medium Speed Controller Area Network) modules pass the network test?

Yes
CONNECT the FDIM (Front Display Interface Module). GO to Pinpoint Test O. Pinpoint Test O: The Front Display Interface Module (FDIM) Does Not Respond To The Scan Tool

No
CONNECT the FDIM (Front Display Interface Module). If the vehicle is equipped with a Global Positioning System Module (GPSM), GO to AB15.

If the vehicle is not equipped with a GPSM (Global Positioning System Module) , an intermittent fault is not present. GO to Pinpoint Test AC. Pinpoint Test AC: No Medium Speed Controller Area Network (MS-CAN) Communication, All Modules Are Not Responding

AB15 CHECK FOR RESTORED NETWORK COMMUNICATION WITH THE GPSM (Global Positioning System Module) DISCONNECTED

- Disconnect: GPSM (Global Positioning System Module) C2300.

- Enter the following diagnostic mode on the scan tool: Network Test.

- Repeat the network test.

Do all other MS-CAN (Medium Speed Controller Area Network) modules pass the network test?

Yes
CONNECT the GPSM (Global Positioning System Module). GO to Pinpoint Test P. Pinpoint Test P: The Global Positioning System Module (GPSM) Does Not Respond To The Scan Tool
No
An intermittent fault is not present. GO to Pinpoint Test AC. Pinpoint Test AC: No Medium Speed Controller Area Network (MS-CAN) Communication, All Modules Are Not Responding

AB16 CHECK FOR RESTORED NETWORK COMMUNICATION WITH THE DDM (Driver Door Module) (IF EQUIPPED) AND DSM (Driver Seat Module) (IF EQUIPPED) DISABLED

- Disconnect: SJB (Smart Junction Box) Fuse 12 (7.5A).

- Enter the following diagnostic mode on the scan tool: Network Test.

- Repeat the network test.

Do all other MS-CAN (Medium Speed Controller Area Network) modules pass the network test?

Yes
If the vehicle is equipped with only a DDM (Driver Door Module) , INSTALL the removed fuse. GO to Pinpoint Test X. Pinpoint Test X: The Driver Door Module (DDM) Does Not Respond To The Scan Tool

If the vehicle is equipped with only a DSM (Driver Seat Module) , INSTALL the removed fuse. GO to Pinpoint Test Z. Pinpoint Test Z: The Driver Seat Module (DSM) Does Not Respond To The Scan Tool

If the vehicle is equipped with both a DDM (Driver Door Module) and DSM (Driver Seat Module) , INSTALL the removed fuse. GO to AB17.

No
INSTALL the removed fuse. GO to AB18.

AB17 CHECK FOR RESTORED NETWORK COMMUNICATION WITH THE DDM (Driver Door Module) DISCONNECTED

- Disconnect: DDM (Driver Door Module) C568B.

- Enter the following diagnostic mode on the scan tool: Network Test.

- Repeat the network test.

Do all other MS-CAN (Medium Speed Controller Area Network) modules pass the network test?

Yes
CONNECT the DDM (Driver Door Module). GO to Pinpoint Test X. Pinpoint Test X: The Driver Door Module (DDM) Does Not Respond To The Scan Tool

No
CONNECT the DDM (Driver Door Module). GO to Pinpoint Test Z. Pinpoint Test Z: The Driver Seat Module (DSM) Does Not Respond To The Scan Tool

AB18 CHECK FOR RESTORED NETWORK COMMUNICATION WITH THE IPC (Instrument Panel Cluster) DISABLED

- Disconnect: SJB (Smart Junction Box) Fuses 26 (15A) and 29 (5A).

- Enter the following diagnostic mode on the scan tool: Network Test.

- Repeat the network test.

Do all other MS-CAN (Medium Speed Controller Area Network) modules pass the network test?

Yes
INSTALL the removed fuses. GO to Pinpoint Test C. Pinpoint Test C: The Instrument Panel Cluster (IPC) Does Not Respond To The Scan Tool

No
INSTALL the removed fuses. If the vehicle is equipped with a Parking Aid Module (PAM) and/or side obstacle detection, GO to AB19.

If the vehicle is not equipped with a PAM (Parking Aid Module) and/or side obstacle detection, an intermittent fault is not present. GO to Pinpoint Test AC. Pinpoint Test AC: No Medium Speed Controller Area Network (MS-CAN) Communication, All Modules Are Not Responding

AB19 CHECK FOR RESTORED NETWORK COMMUNICATION WITH THE PAM (Parking Aid Module) (IF EQUIPPED), SOD-L (Side Obstacle Detection Control Module - Left) (IF EQUIPPED) AND SOD-R (Side Obstacle Detection Control Module - Right) (IF EQUIPPED) DISABLED

- Disconnect: SJB (Smart Junction Box) Fuse 35 (10A).

- Enter the following diagnostic mode on the scan tool: Network Test.

- Repeat the network test.

Do all other MS-CAN (Medium Speed Controller Area Network) modules pass the network test?

Yes
If the vehicle is equipped with only a PAM (Parking Aid Module) , INSTALL the removed fuse. GO to Pinpoint Test T. Pinpoint Test T: The Parking Aid Module (PAM) Does Not Respond To The Scan Tool

If the vehicle is equipped with only side obstacle detection, INSTALL the removed fuse. GO to AB21.

If the vehicle is equipped with both a PAM (Parking Aid Module) and side obstacle detection, INSTALL the removed fuse. GO to AB20.

No
INSTALL the removed fuse. An intermittent fault is not present. GO to Pinpoint Test AC. Pinpoint Test AC: No Medium Speed Controller Area Network (MS-CAN) Communication, All Modules Are Not Responding

AB20 CHECK FOR RESTORED NETWORK COMMUNICATION WITH THE PAM (Parking Aid Module) DISCONNECTED

- Disconnect: PAM (Parking Aid Module) C4014.

- Enter the following diagnostic mode on the scan tool: Network Test.

- Repeat the network test.

Do all other MS-CAN (Medium Speed Controller Area Network) modules pass the network test?

Yes
CONNECT the PAM (Parking Aid Module). GO to Pinpoint Test T. Pinpoint Test T: The Parking Aid Module (PAM) Does Not Respond To The Scan Tool

No
CONNECT the DDM (Driver Door Module). GO to AB21.

AB21 CHECK FOR RESTORED NETWORK COMMUNICATION WITH THE SOD-L (Side Obstacle Detection Control Module - Left) DISCONNECTED

- Disconnect: SOD-L (Side Obstacle Detection Control Module - Left) C4230.

- Enter the following diagnostic mode on the scan tool: Network Test.

- Repeat the network test.

Do all other MS-CAN (Medium Speed Controller Area Network) modules pass the network test?

Yes
CONNECT the SOD-L (Side Obstacle Detection Control Module - Left). GO to Pinpoint Test R. Pinpoint Test R: The Side Obstacle Detection Control Module - Left (SOD-L) Does Not Respond To The Scan Tool

No
CONNECT the SOD-L (Side Obstacle Detection Control Module - Left). GO to Pinpoint Test S. Pinpoint Test S: The Side Obstacle Detection Control Module - Right (SOD-R) Does Not Respond To The Scan Tool