Operation CHARM: Car repair manuals for everyone.
Manuals through 2025 now available!

Our trusted friends have launched a new website named LEMON, which has newer manuals. It also contains all the CHARM manuals.

LEMON is the spiritual successor to CHARM, I recommend you try it!

Link: lemon-manuals.la or lemon-manuals.org.ua

(Some people have issue connecting. LEMON is investigating. For now, use Firefox or change your DNS server)

Or, hide this message: temporarily or permanently

Pinpoint Test F: The Occupant Classification System Module (OCSM) Does Not Respond To The Scan Tool




Communications Network

Pinpoint Test F: The Occupant Classification System Module (OCSM) Does Not Respond To The Scan Tool

Refer to Wiring Diagram Set 14, Module Communications Network for schematic and connector information. [1][2]Diagrams By Number

Refer to Wiring Diagram Set 46, Supplemental Restraint System for schematic and connector information. [1][2]Diagrams By Number

Normal Operation

The Occupant Classification System Module (OCSM) communicates with the scan tool through the High Speed Controller Area Network (HS-CAN).

This pinpoint test is intended to diagnose the following:

- Fuse

- Wiring, terminals or connectors

- OCSM (Occupant Classification System Module)

PINPOINT TEST F : THE OCSM (Occupant Classification System Module) DOES NOT RESPOND TO THE SCAN TOOL

WARNING: Never disassemble or tamper with seat belt deployable components, including pretensioners, load limiters and inflators. Never back probe deployable device electrical connectors. Tampering or back probing may cause an accidental deployment and result in personal injury or death.

NOTICE: Use the correct probe adapter(s) when making measurements. Failure to use the correct probe adapter(s) may damage the connector.

NOTE: The Supplemental Restraint System (SRS) must be fully operational and free of faults before releasing the vehicle to the customer.

NOTE: Most faults are due to connector and/or wiring concerns. Carry out a thorough inspection and verification before proceeding with the pinpoint test. Module Communications Network

NOTE: Failure to disconnect the battery when instructed will result in false resistance readings.

F1 CHECK THE OCSM (Occupant Classification System Module) VOLTAGE SUPPLY CIRCUIT FOR AN OPEN

- Ignition OFF.

- Depower the SRS (Supplemental Restraint System). Refer to Restraints and Safety Systems &/or Air Bag Systems.

- Disconnect: OCSM (Occupant Classification System Module) C3159.

- Deactivate the SRS (Supplemental Restraint System). Refer to Restraints and Safety Systems &/or Air Bag Systems.

- Repower the SRS (Supplemental Restraint System). Refer to Restraints and Safety Systems &/or Air Bag Systems.

- Ignition ON.

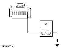
- Measure the voltage between the OCSM (Occupant Classification System Module) C3159-1, circuit CBP46 (WH/BU), harness side and ground.





Is the voltage greater than 10 volts?

Yes
GO to F2.

No
VERIFY the Smart Junction Box (SJB) fuse 46 (7.5A) is OK. If OK, REPAIR the circuit. REACTIVATE the SRS (Supplemental Restraint System). CLEAR the DTCs. REPEAT the network test with the scan tool.

F2 CHECK THE OCSM (Occupant Classification System Module) GROUND CIRCUIT FOR AN OPEN

- Ignition OFF.

- Disconnect: Negative Battery Cable.

- Measure the resistance between the OCSM (Occupant Classification System Module) C3159-14, circuit GD127 (BK/BU), harness side and ground.





Is the resistance less than 5 ohms?

Yes
GO to F3.

No
REPAIR the circuit. REACTIVATE the SRS (Supplemental Restraint System). CONNECT the negative battery cable. CLEAR the DTCs. REPEAT the network test with the scan tool.

F3 CHECK THE HS-CAN (High Speed Controller Area Network) CIRCUITS BETWEEN THE OCSM (Occupant Classification System Module) AND THE DLC (Data Link Connector) FOR AN OPEN

- Measure the resistance between the OCSM (Occupant Classification System Module) C3159-18, circuit VDB04 (WH/BU), harness side and the Data Link Connector (DLC) C251-6, circuit VDB04 (WH/BU), harness side.





- Measure the resistance between the OCSM (Occupant Classification System Module) C3159-9, circuit VDB05 (WH), harness side and the DLC (Data Link Connector) C251-14, circuit VDB05 (WH), harness side.





Are the resistances less than 5 ohms?

Yes
CONNECT the negative battery cable. GO to F4.

No
REPAIR the circuit. REACTIVATE the SRS (Supplemental Restraint System). CONNECT the negative battery cable. CLEAR the DTCs. REPEAT the network test with the scan tool.

F4 CHECK FOR CORRECT OCSM (Occupant Classification System Module) OPERATION

- Disconnect the OCSM (Occupant Classification System Module) connector.

- Check for:
- corrosion

- damaged pins

- pushed-out pins


- Connect the OCSM (Occupant Classification System Module) connector and make sure it seats correctly.

- Verify the concern is still present.

Is the concern still present?

Yes
INSTALL a new OCSM (Occupant Classification System Module). REACTIVATE the SRS (Supplemental Restraint System). CLEAR the DTCs. REPEAT the network test with the scan tool.

No
The system is operating correctly at this time. The concern may have been caused by a loose or corroded connector. REACTIVATE the SRS (Supplemental Restraint System). CLEAR the DTCs. REPEAT the network test with the scan tool.