Operation CHARM: Car repair manuals for everyone.
Manuals through 2025 now available!

Our trusted friends have launched a new website named LEMON, which has newer manuals. It also contains all the CHARM manuals.

LEMON is the spiritual successor to CHARM, I recommend you try it!

Link: lemon-manuals.la or lemon-manuals.org.ua

(Some people have issue connecting. LEMON is investigating. For now, use Firefox or change your DNS server)

Or, hide this message: temporarily or permanently

Pinpoint Test I: The Headlamp Control Module (HCM) Does Not Respond To The Scan Tool




Communications Network

Pinpoint Test I: The Headlamp Control Module (HCM) Does Not Respond To The Scan Tool

Refer to Wiring Diagram Set 14, Module Communications Network for schematic and connector information. [1][2]Diagrams By Number

Refer to Wiring Diagram Set 85, Headlamps/Autolamps for schematic and connector information. [1][2]Diagrams By Number

Normal Operation

The Headlamp Control Module (HCM) communicates with the scan tool through the High Speed Controller Area Network (HS-CAN).

This pinpoint test is intended to diagnose the following:

- Fuse

- Wiring, terminals or connectors

- HCM (Headlamp Control Module)

PINPOINT TEST I : THE HCM (Headlamp Control Module) DOES NOT RESPOND TO THE SCAN TOOL

NOTICE: Use the correct probe adapter(s) when making measurements. Failure to use the correct probe adapter(s) may damage the connector.

NOTE: Failure to disconnect the battery when instructed will result in false resistance readings.

I1 CHECK THE HCM (Headlamp Control Module) VOLTAGE SUPPLY CIRCUIT FOR AN OPEN

- Ignition OFF.

- Disconnect: HCM (Headlamp Control Module) C1600.

- Ignition ON.

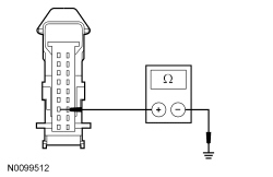
- Measure the voltage between the HCM (Headlamp Control Module) C1600-10, circuit CBP42 (GN), harness side and ground.





Is the voltage greater than 10 volts?

Yes
GO to I2.

No
VERIFY the Smart Junction Box (SJB) fuse 42 (10A) is OK. If OK, REPAIR the circuit. If not OK, REFER to the Wiring Diagrams to identify the possible causes of the short circuit. CLEAR the DTCs. REPEAT the network test with the scan tool. [1][2]Diagrams By Number

I2 CHECK THE HCM (Headlamp Control Module) GROUND CIRCUIT FOR AN OPEN

- Ignition OFF.

- Disconnect: Negative Battery Cable.

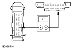
- Measure the resistance between the HCM (Headlamp Control Module) C1600-3, circuit GD121 (BK/YE), harness side and ground.





Is the resistance less than 5 ohms?

Yes
GO to I3.

No
REPAIR the circuit. CONNECT the negative battery cable. CLEAR the DTCs. REPEAT the network test with the scan tool.

I3 CHECK THE HS-CAN (High Speed Controller Area Network) CIRCUITS BETWEEN THE HCM (Headlamp Control Module) AND THE DLC (Data Link Connector) FOR AN OPEN

- Measure the resistance between the HCM (Headlamp Control Module) C1600-14, circuit VDB04 (WH/BU), harness side and the DLC (Data Link Connector) C251-6, circuit VDB04 (WH/BU), harness side.





- Measure the resistance between the HCM (Headlamp Control Module) C1600-13, circuit VDB05 (WH), harness side and the DLC (Data Link Connector) C251-14, circuit VDB05 (WH), harness side.





Are the resistances less than 5 ohms?

Yes
CONNECT the negative battery cable. GO to I4.

No
REPAIR the circuit. CONNECT the negative battery cable. CLEAR the DTCs. REPEAT the network test with the scan tool.

I4 CHECK FOR CORRECT HCM (Headlamp Control Module) OPERATION

- Disconnect the HCM (Headlamp Control Module) connector.

- Check for:
- corrosion

- damaged pins

- pushed-out pins


- Connect the HCM (Headlamp Control Module) connector and make sure it seats correctly.

- Verify the concern is still present.

Is the concern still present?

Yes
INSTALL a new HCM (Headlamp Control Module).CLEAR the DTCs. REPEAT the network test with the scan tool.

No
The system is operating correctly at this time. The concern may have been caused by a loose or corroded connector. CLEAR the DTCs. REPEAT the network test with the scan tool.