Operation CHARM: Car repair manuals for everyone.
Manuals through 2025 now available!

Our trusted friends have launched a new website named LEMON, which has newer manuals. It also contains all the CHARM manuals.

LEMON is the spiritual successor to CHARM, I recommend you try it!

Link: lemon-manuals.la or lemon-manuals.org.ua

(Some people have issue connecting. LEMON is investigating. For now, use Firefox or change your DNS server)

Or, hide this message: temporarily or permanently

Pinpoint Test M: The Audio Control Module (ACM) Does Not Respond To The Scan Tool




Communications Network

Pinpoint Test M: The Audio Control Module (ACM) Does Not Respond To The Scan Tool

Refer to Wiring Diagram Set 14, Module Communications Network for schematic and connector information. [1][2]Diagrams By Number

Refer to Wiring Diagram Set 130, Audio System/Navigation for schematic and connector information. [1][2]Diagrams By Number

Normal Operation

The Audio Control Module (ACM) communicates with the scan tool through the Medium Speed Controller Area Network (MS-CAN).

This pinpoint test is intended to diagnose the following:

- Fuse

- Wiring, terminals or connectors

- ACM (Audio Control Module)

PINPOINT TEST M : THE ACM (Audio Control Module) DOES NOT RESPOND TO THE SCAN TOOL

NOTICE: Use the correct probe adapter(s) when making measurements. Failure to use the correct probe adapter(s) may damage the connector.

NOTE: Failure to disconnect the battery when instructed will result in false resistance readings.

M1 CHECK THE ACM (Audio Control Module) VOLTAGE SUPPLY CIRCUITS FOR AN OPEN

- Ignition OFF.

- Disconnect: ACM (Audio Control Module) C240A.

- Ignition ON.

- Measure the voltage between the ACM (Audio Control Module) C240A-1, circuit SBP39 (WH/RD), harness side and ground.





Is the voltage greater than 10 volts?

Yes
GO to M2.

No
VERIFY the Smart Junction Box (SJB) fuse 39 (20A) is OK. If OK, REPAIR the circuit in question. If not OK, REFER to the Wiring Diagrams to identify the possible causes of the circuit short. CLEAR the DTCs. REPEAT the network test with the scan tool. [1][2]Diagrams By Number

M2 CHECK THE ACM (Audio Control Module) GROUND CIRCUIT FOR AN OPEN

- Ignition OFF.

- Disconnect: Negative Battery Cable.

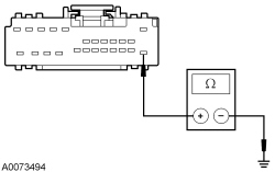
- Measure the resistance between the ACM (Audio Control Module) C240A-13, circuit GD114 (BK/BU), harness side and ground.





Is the resistance less than 5 ohms?

Yes
GO to M3.

No
REPAIR the circuit. CONNECT the negative battery cable. CLEAR the DTCs. REPEAT the network test with the scan tool.

M3 CHECK THE MS-CAN (Medium Speed Controller Area Network) CIRCUITS BETWEEN THE ACM (Audio Control Module) AND THE DLC (Data Link Connector) FOR AN OPEN

- Disconnect: ACM (Audio Control Module) C240C.

- Measure the resistance between the ACM (Audio Control Module) C240C-15, circuit VDB06 (GY/OG), harness side and the DLC (Data Link Connector) C251-3, circuit VDB06 (GY/OG), harness side.





- Measure the resistance between the ACM (Audio Control Module) C240C-16, circuit VDB07 (VT/OG), harness side and the DLC (Data Link Connector) C251-11, circuit VDB07 (VT/OG), harness side.





Are the resistances less than 5 ohms?

Yes
CONNECT the negative battery cable. GO to M4.

No
REPAIR the circuit in question. CONNECT the negative battery cable. CLEAR the DTCs. REPEAT the network test with the scan tool.

M4 CHECK FOR CORRECT ACM (Audio Control Module) OPERATION

- Disconnect all the ACM (Audio Control Module) connectors.

- Check for:
- corrosion

- damaged pins

- pushed-out pins


- Connect all the ACM (Audio Control Module) connectors and make sure they seat correctly.

- Operate the system and verify the concern is still present.

Is the concern still present?

Yes
INSTALL a new ACM (Audio Control Module). CLEAR the DTCs. REPEAT the network test with the scan tool. TEST the system for normal operation.

No
The system is operating correctly at this time. The concern may have been caused by a loose or corroded connector. CLEAR the DTCs. REPEAT the network test with the scan tool.