Operation CHARM: Car repair manuals for everyone.
Manuals through 2025 now available!

Our trusted friends have launched a new website named LEMON, which has newer manuals. It also contains all the CHARM manuals.

LEMON is the spiritual successor to CHARM, I recommend you try it!

Link: lemon-manuals.la or lemon-manuals.org.ua

(Some people have issue connecting. LEMON is investigating. For now, use Firefox or change your DNS server)

Or, hide this message: temporarily or permanently

Pinpoint Test T: The Parking Aid Module (PAM) Does Not Respond To The Scan Tool




Communications Network

Pinpoint Test T: The Parking Aid Module (PAM) Does Not Respond To The Scan Tool

Refer to Wiring Diagram Set 14, Module Communications Network for schematic and connector information. [1][2]Diagrams By Number

Refer to Wiring Diagram Set 131, Parking Aid for schematic and connector information. [1][2]Diagrams By Number

Normal Operation

The Parking Aid Module (PAM) communicates with the scan tool through the Medium Speed Controller Area Network (MS-CAN).

This pinpoint test is intended to diagnose the following:

- Fuse

- Wiring, terminals or connectors

- PAM (Parking Aid Module)

PINPOINT TEST T : THE PAM (Parking Aid Module) DOES NOT RESPOND TO THE SCAN TOOL

NOTICE: Use the correct probe adapter(s) when making measurements. Failure to use the correct probe adapter(s) may damage the connector.

NOTE: Failure to disconnect the battery when instructed will result in false resistance readings.

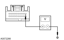
T1 CHECK THE PAM (Parking Aid Module) VOLTAGE SUPPLY CIRCUIT FOR AN OPEN

- Ignition OFF.

- Disconnect: PAM (Parking Aid Module) C4014.

- Ignition ON.

- Measure the voltage between the PAM (Parking Aid Module) C4014-1, circuit CBP35 (YE/GY), harness side and ground.





Is the voltage greater than 10 volts?

Yes
GO to T2.

No
VERIFY the Smart Junction Box (SJB) fuse 35 (10A) is OK. If OK, REPAIR the circuit. If not OK, REFER to the Wiring Diagrams to identify the possible causes of the short circuit. TEST the system for normal operation. [1][2]Diagrams By Number

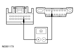
T2 CHECK THE PAM (Parking Aid Module) GROUND CIRCUIT FOR AN OPEN

- Ignition OFF.

- Disconnect: Negative Battery Cable.

- Measure the resistance between the PAM (Parking Aid Module) C4014-4, circuit GD171 (BK/GY), harness side and ground.





Is the resistance less than 5 ohms?

Yes
GO to T3.

No
REPAIR the circuit. CONNECT the negative battery cable. TEST the system for normal operation.

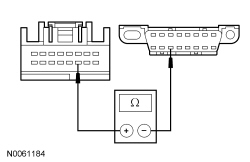
T3 CHECK THE MS-CAN (Medium Speed Controller Area Network) CIRCUITS BETWEEN THE PAM (Parking Aid Module) AND THE DLC (Data Link Connector) FOR AN OPEN

- Measure the resistance between the PAM (Parking Aid Module) C4014-3, circuit VDB06 (GY/OG), harness side and the DLC (Data Link Connector) C251-3, circuit VDB06 (GY/OG), harness side.





- Measure the resistance between the PAM (Parking Aid Module) C4014-11, circuit VDB07 (VT/OG), harness side and the DLC (Data Link Connector) C251-11, circuit VDB07 (VT/OG), harness side.





Are the resistances less than 5 ohms?

Yes
CONNECT the negative battery cable. GO to T4.

No
REPAIR the circuit in question. CONNECT the negative battery cable. CLEAR the DTCs. REPEAT the network test with the scan tool.

T4 CHECK FOR CORRECT PAM (Parking Aid Module) OPERATION

- Disconnect the PAM (Parking Aid Module) connector.

- Check for:
- corrosion

- damaged pins

- pushed-out pins


- Connect the PAM (Parking Aid Module) connector and make sure it seats correctly.

- Operate the system and verify the concern is still present.

Is the concern still present?

Yes
INSTALL a new PAM (Parking Aid Module). CLEAR the DTCs. REPEAT the network test with the scan tool.

No
The system is operating correctly at this time. The concern may have been caused by a loose or corroded connector. CLEAR the DTCs. REPEAT the network test with the scan tool.