Operation CHARM: Car repair manuals for everyone.
Manuals through 2025 now available!

Our trusted friends have launched a new website named LEMON, which has newer manuals. It also contains all the CHARM manuals.

LEMON is the spiritual successor to CHARM, I recommend you try it!

Link: lemon-manuals.la or lemon-manuals.org.ua

(Some people have issue connecting. LEMON is investigating. For now, use Firefox or change your DNS server)

Or, hide this message: temporarily or permanently

Pinpoint Test X: The Driver Door Module (DDM) Does Not Respond To The Scan Tool




Communications Network

Pinpoint Test X: The Driver Door Module (DDM) Does Not Respond To The Scan Tool

Refer to Wiring Diagram Set 14, Module Communications Network for schematic and connector information. [1][2]Diagrams By Number

Refer to Wiring Diagram Set 123, Memory Seats for schematic and connector information. [1][2]Diagrams By Number

Normal Operation

The Driver Door Module (DDM) communicates with the scan tool through the Medium Speed Controller Area Network (MS-CAN).

This pinpoint test is intended to diagnose the following:

- Fuse

- Wiring, terminals or connectors

- DDM (Driver Door Module)

PINPOINT TEST X : THE Driver Door Module (DDM) DOES NOT RESPOND TO THE SCAN TOOL

NOTICE: Use the correct probe adapter(s) when making measurements. Failure to use the correct probe adapter(s) may damage the connector.

NOTE: Failure to disconnect the battery when instructed will result in false resistance readings.

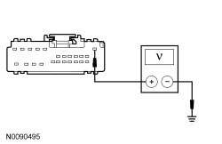
X1 CHECK THE DDM (Driver Door Module) VOLTAGE SUPPLY CIRCUIT FOR AN OPEN

- Ignition OFF.

- Disconnect: DDM (Driver Door Module) C568B.

- Ignition ON.

- Measure the voltage between the DDM (Driver Door Module) C568B-1, circuit SBP12 (GN/RD), harness side and ground.





Is the voltage greater than 10 volts?

Yes
GO to X2.

No
VERIFY the Smart Junction Box (SJB) fuse 12 (7.5A) is OK. If OK, REPAIR the circuit. If not OK, REFER to the Wiring Diagrams to identify the possible causes of the short circuit. CLEAR the DTCs. REPEAT the network test with the scan tool. [1][2]Diagrams By Number

X2 CHECK THE DDM (Driver Door Module) GROUND CIRCUIT FOR AN OPEN

- Ignition OFF.

- Disconnect: Negative Battery Cable.

- Measure the resistance between the DDM (Driver Door Module) C568B-24, circuit GD126 (BK/WH), harness side and ground.





Is the resistance less than 5 ohms?

Yes
GO to X3.

No
REPAIR the circuit. CONNECT the negative battery cable. CLEAR the DTCs. REPEAT the network test with the scan tool.

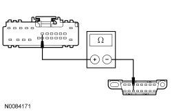
X3 CHECK THE MS-CAN (Medium Speed Controller Area Network) CIRCUITS BETWEEN THE DDM (Driver Door Module) AND THE DLC (Data Link Connector) FOR AN OPEN

- Measure the resistance between the DDM (Driver Door Module) C568B-19, circuit VDB06 (GY/OG), harness side and the DLC (Data Link Connector) C251-3, circuit VDB06 (GY/OG), harness side.





- Measure the resistance between the DDM (Driver Door Module) C568B-7, circuit VDB07 (VT/OG), harness side and the DLC (Data Link Connector) C251-11, circuit VDB07 (VT/OG), harness side.





Are the resistances less than 5 ohms?

Yes
CONNECT the negative battery cable. GO to X4.

No
REPAIR the circuit in question. CONNECT the negative battery cable. CLEAR the DTCs. REPEAT the network test with the scan tool.

X4 CHECK FOR CORRECT DDM (Driver Door Module) OPERATION

- Disconnect all the DDM (Driver Door Module) connectors.

- Check for:
- corrosion

- damaged pins

- pushed-out pins


- Connect all the DDM (Driver Door Module) connectors and make sure they seat correctly.

- Operate the system and verify the concern is still present.

Is the concern still present?

Yes
INSTALL a new DDM (Driver Door Module). CLEAR the DTCs. REPEAT the network test with the scan tool.

No
The system is operating correctly at this time. The concern may have been caused by a loose or corroded connector. CLEAR the DTCs. REPEAT the network test with the scan tool.