Operation CHARM: Car repair manuals for everyone.
Manuals through 2025 now available!

Our trusted friends have launched a new website named LEMON, which has newer manuals. It also contains all the CHARM manuals.

LEMON is the spiritual successor to CHARM, I recommend you try it!

Link: lemon-manuals.la or lemon-manuals.org.ua

(Some people have issue connecting. LEMON is investigating. For now, use Firefox or change your DNS server)

Or, hide this message: temporarily or permanently

Pinpoint Test A: Poor Reception




Information and Entertainment System

Pinpoint Test A: Poor Reception

Refer to Wiring Diagrams Set 130, Audio System for schematic and connector information. Electrical Diagrams

Normal Operation

The AM/FM antenna receives AM and FM radio waves and sends them to the Audio Front Control Module (ACM).

The noise suppression equipment reduces engine ignition and electrical systems interference transmitted through the speakers.

This pinpoint test is intended to diagnose the following:

- Wiring, terminals or connectors

- AM/FM antenna

- AM/FM antenna cable

- Charging system

- Ignition system

- Noise suppression equipment

- ACM (Audio Front Control Module)

PINPOINT TEST A : POOR RECEPTION

NOTICE: Use the correct probe adapter(s) when making measurements. Failure to use the correct probe adapter(s) may damage the connector.

A1 CHECK THE AUDIO SYSTEM RECEPTION

- Operate the audio system in radio tuner (AM/FM) mode.

- Check the reception with the engine running, and with the engine off.

Does the poor reception only occur with the engine running?

Yes
GO to A2.

No
GO to A6.

A2 CHECK THE NOISE SUPPRESSION EQUIPMENT

- Check all required noise suppression equipment and the radio frequency interference suppression bond for security, cleanliness, and metal-to-metal contact.

Are the connections clean, secure, and in metal-to-metal contact?

Yes
GO to A3.

No
CLEAN and SECURE the connections, or INSTALL new noise suppression equipment as needed. TEST the system for normal operation.

A3 CHECK THE RADIO INTERFERENCE CAPACITOR

- Install a new radio interference capacitor.

- Start the vehicle.

- Operate the audio system in radio tuner (AM/FM) mode.

Is the reception OK?

Yes
The cause of the concern was an inoperative radio interference capacitor. The system is now operating correctly.

No
GO to A4.

A4 CHECK THE GENERATOR

- Ignition OFF.

- Disconnect: Generator C102A.

- Start the engine.

- Operate the audio system in radio tuner (AM/FM) mode.

Is the reception OK?

Yes
INSTALL a new generator. TEST the system for normal operation.

No
GO to A5.

A5 CHECK THE IGNITION CIRCUITS

- Ignition OFF.

- Connect: Generator C102A.

- Check the ignition circuits for correct routing, grounding, and integrity of the connections.

Are the ignition components OK?

Yes
USE a jumper cable to ground various parts of the vehicle to the frame (for example: engine, fenders, quarter panels, stone deflectors, air cleaner, body sheet metal). When the noise is eliminated, PROVIDE a permanent ground where necessary. TEST the system for normal operation.

No
REPAIR the ignition system as necessary. TEST the system for normal operation.

A6 CHECK THE AM/FM ANTENNA ENABLE CIRCUIT FOR VOLTAGE

- Ignition OFF.

- Disconnect: AM/FM Antenna C2086.

- Operate the audio system in radio tuner (AM/FM) mode.

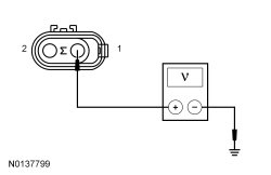
- Measure the voltage between the AM/FM antenna C2086-1, circuit 15S-MD7 (GN/BU), harness side and ground.





Is the voltage greater than 10 volts?

Yes
GO to A8.

No
For late build vehicles, VERIFY the CJB (Central Junction Box) fuse 137 (7.5A) is OK. If OK, REPAIR the circuit in question. TEST the system for normal operation. If not OK, REFER to the Wiring Diagrams to identify the possible causes of the circuit short. Electrical Diagrams

For early build vehicles, GO to A7.

A7 CHECK THE AM/FM ANTENNA ENABLE CIRCUIT FOR AN OPEN OR SHORT TO GROUND

- Ignition OFF.

- Disconnect: ACM (Audio Front Control Module) C240D.

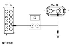
- Measure the resistance between the ACM (Audio Front Control Module) C240D-2, circuit 15S-MD7 (GN/BU), harness side and the AM/FM antenna C2086-1, circuit 15S-MD7 (GN/BU), harness side; and between the ACM (Audio Front Control Module) C240D-2, circuit 15S-MD7 (GN/BU), harness side and ground.





Are the resistances less than 3 ohms between the ACM (Audio Front Control Module) and AM/FM antenna, and greater than 10,000 ohms between the ACM (Audio Front Control Module) and ground?

Yes
GO to A11.

No
REPAIR the circuit. TEST the system for normal operation.

A8 CHECK THE AM/FM ANTENNA CABLE

- Ignition OFF.

- Disconnect: AM/FM Antenna Cable at the AM/FM Antenna.

- Disconnect: AM/FM Antenna Cable at the ACM (Audio Front Control Module).

- Measure the resistance of the AM/FM antenna cable core between the AM/FM antenna and the ACM (Audio Front Control Module) ; and measure the resistance of the AM/FM antenna cable between the core and shield.

Are the resistances less than 2 ohms between the AM/FM antenna and the ACM (Audio Front Control Module), and greater than 10,000 ohms between the AM/FM antenna cable core and shield?

Yes
GO to A9.

No
INSTALL a new AM/FM antenna cable. REFER to Antenna Cable - AM/FM . TEST the system for normal operation.

A9 ISOLATE THE AM/FM ANTENNA

- Install a new AM/FM antenna. Refer to Antenna- AM/FM .

- Connect: All Disconnected Connectors.

- Operate the audio system in radio tuner (AM/FM) mode.

Is the reception OK?

Yes
The concern was caused by an inoperative AM/FM antenna. The system is now operating correctly.

No
GO to A10.

A10 ISOLATE THE AM/FM ANTENNA CABLE

- Ignition OFF.

- Disconnect: AM/FM Antenna Cable at the AM/FM Antenna.

- Disconnect: AM/FM Antenna Cable at the ACM (Audio Front Control Module).

- Substitute the AM/FM antenna cable by routing a new component. Do not remove the original antenna cable at this time.

- Operate the audio system in radio tuner (AM/FM) mode.

Is the reception OK?

Yes
INSTALL a new AM/FM antenna cable. REFER to Antenna Cable - AM/FM . TEST the system for normal operation.

No
GO to A11.

A11 CHECK FOR CORRECT ACM (Audio Front Control Module) OPERATION

- Ignition OFF.

- Disconnect all the ACM (Audio Front Control Module) connectors.

- Check for:
- corrosion

- damaged pins

- pushed-out pins


- Connect all the ACM (Audio Front Control Module) connectors and make sure they seat correctly.

- Operate the system and verify the concern is still present.

Is the concern still present?

Yes
INSTALL a new ACM (Audio Front Control Module). REFER to Audio Control Module (ACM) . TEST the system for normal operation.

No
The system is operating correctly at this time. The concern may have been caused by a loose or corroded connector.