Operation CHARM: Car repair manuals for everyone.
Manuals through 2025 now available!

Our trusted friends have launched a new website named LEMON, which has newer manuals. It also contains all the CHARM manuals.

LEMON is the spiritual successor to CHARM, I recommend you try it!

Link: lemon-manuals.la or lemon-manuals.org.ua

(Some people have issue connecting. LEMON is investigating. For now, use Firefox or change your DNS server)

Or, hide this message: temporarily or permanently

Electrical Diagrams

PLEASE NOTE: Some diagrams may appear to be missing because of gaps in the number sequences. These "gaps" are actually for diagrams that do not apply to the vehicle model selected.

8w-42-02:






8w-42-03:






8w-42-04:






8w-42-05:






8w-42-06:






8w-42-07:






8w-42-08:






8w-42-09:






8w-42-10:






8w-42-11:






8w-42-12:






8w-42-13:






8w-42-14:






8w-42-15:






8w-42-16:






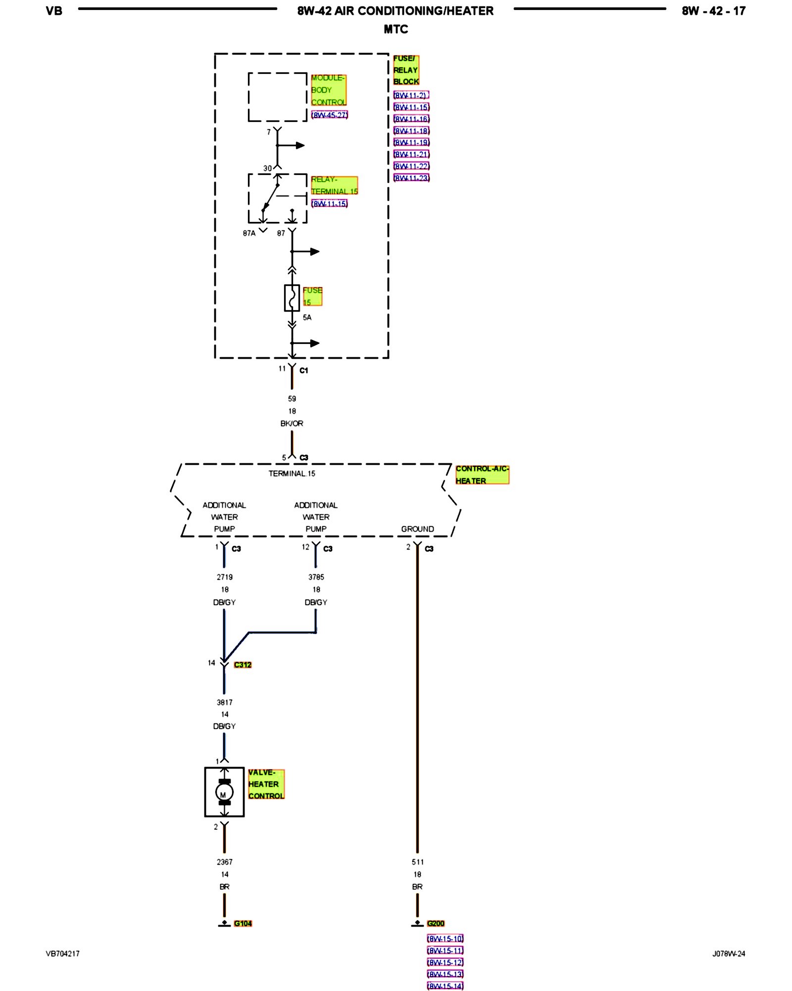
8w-42-17:






8w-42-18:






8w-42-19:






8w-42-20:






8w-42-21:






8w-42-22:






8w-42-23:






8w-42-24:






Other Diagrams: Other diagrams referred to by number (i.e. 8W-70-2, etc.) within these diagrams can be found at the vehicle level under Diagrams by Number. Diagrams By Number