Removal
REMOVAL
1. Raise and support vehicle.
2. Remove solid pressure differential sensor tubing at DPF.
3. Disconnect and remove DPF temp sensor.
4. Remove cushion clamp nut at isolator bracket.
5. Saturate the clamp bolts with heat valve lubricant. Allow 5 minutes for penetration.
6. Remove catalytic converter to DPF clamp bolt.
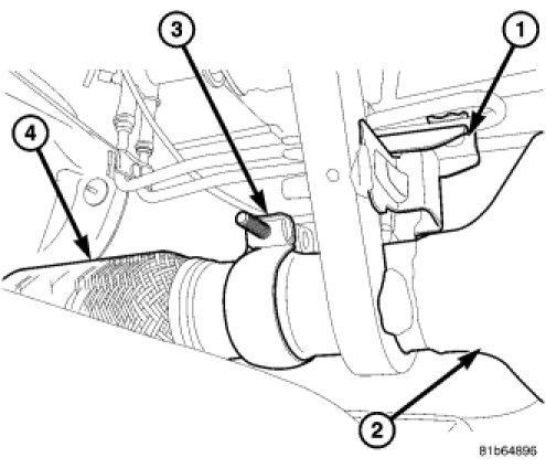
7. Remove DPF (4) and muffler (3) from mounting isolators (1). Remove from vehicle.
8. Remove band clamp nuts (2) and separate DPF from muffler (3).