Operation CHARM: Car repair manuals for everyone.
Manuals through 2025 now available!

Our trusted friends have launched a new website named LEMON, which has newer manuals. It also contains all the CHARM manuals.

LEMON is the spiritual successor to CHARM, I recommend you try it!

Link: lemon-manuals.la or lemon-manuals.org.ua

(Some people have issue connecting. LEMON is investigating. For now, use Firefox or change your DNS server)

Or, hide this message: temporarily or permanently

Heater Core: Service and Repair

Fig. 23 Heater distributor assembly. C, K, R & V models less A/C:






C, K, R & V MODELS

Less A/C


1. Disconnect battery ground cable, then drain cooling system.
2. Disconnect heater hoses at core, then plug core tubes to prevent coolant spillage.
3. Working from engine compartment, remove distributor duct stud attaching nuts.
4. Remove glove box and door assembly.
5. Disconnect air-defrost and temperature door cables.
6. Remove floor outlet, then the defroster duct to heater distributor duct attaching screw.
7. Remove heater distributor to dash panel attaching screws, Fig. 23.
8. Pull distributor rearward, then disconnect all harnesses that will interfere with distributor removal.
9. Remove heater distributor from vehicle.
10. Remove heater core retaining straps, then the heater core.
11. Reverse procedure to install.


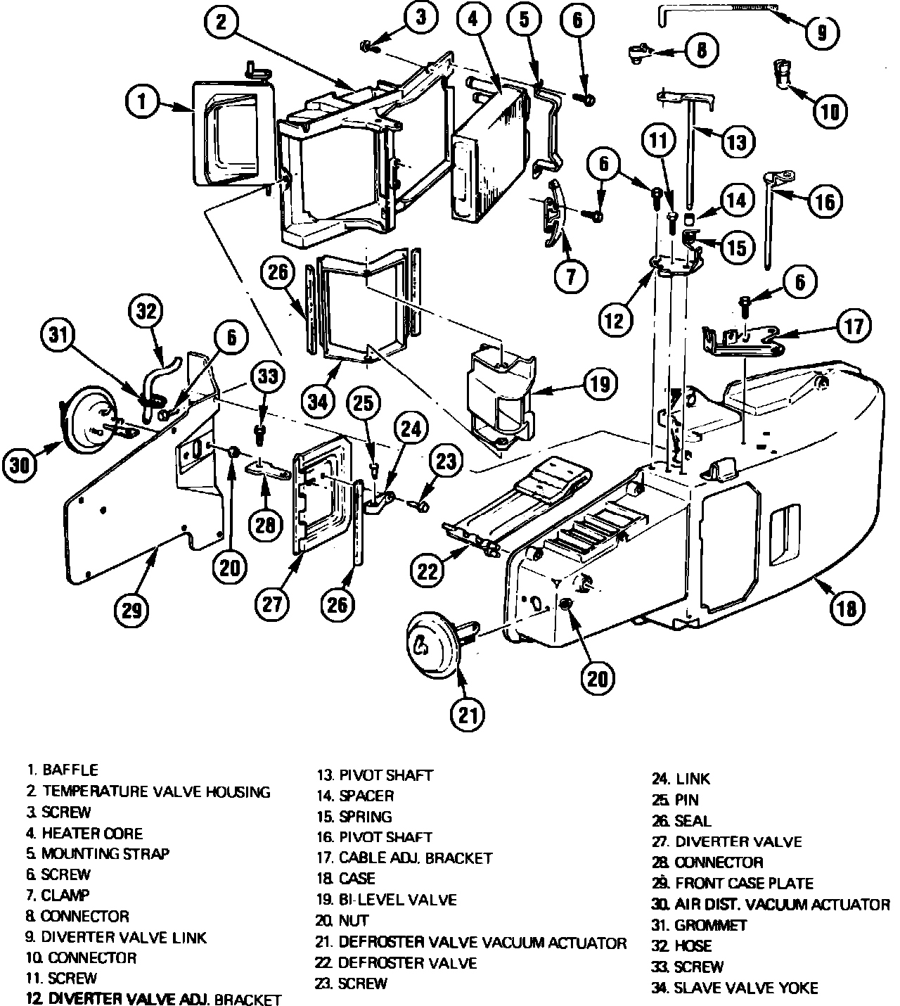
Fig. 24 A/C & heater assembly. C, K, R & V models:






With A/C

1. Disconnect battery ground cable, then drain cooling system.
2. Disconnect heater hoses at core and plug core tubes.
3. Remove glove box assembly.
4. Remove screws at center duct to selector duct/instrument panel. Remove center upper and lower ducts.
5. Disconnect bowden cable at temperature door.
6. Remove nuts at selector duct studs (projecting through firewall). Remove selector duct to firewall screw.
7. Draw selector duct assembly rearward so core tubes clear firewall. Lower assembly sufficiently to remove vacuum lines and harness connections.
8. Remove selector duct assembly. Disconnect core mounting straps and remove core, Fig. 24.
9. Reverse procedure to install.