Operation CHARM: Car repair manuals for everyone.
Manuals through 2025 now available!

Our trusted friends have launched a new website named LEMON, which has newer manuals. It also contains all the CHARM manuals.

LEMON is the spiritual successor to CHARM, I recommend you try it!

Link: lemon-manuals.la or lemon-manuals.org.ua

(Some people have issue connecting. LEMON is investigating. For now, use Firefox or change your DNS server)

Or, hide this message: temporarily or permanently

Automatic Transmission/Transaxle

Refer to the "Service Bulletins" section prior to performing the following procedures.

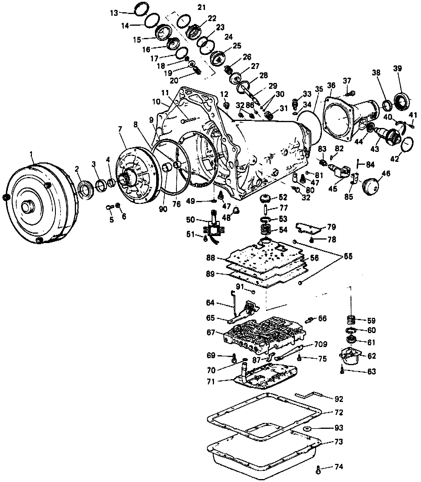
Fig. 1, Transmission case & external parts exploded view (Part 1 of 2). 1986 Models:





Fig. 1, Transmission case & external parts exploded view (Part 2 of 2). 1986 Models:





Fig. 4, Transmission internal parts exploded view (Part 1 of 2):





Fig. 4, Transmission internal parts exploded view (Part 2 of 2):





Refer to Figs. 1 and 4 during subassembly service and transmission assembly procedures.