Operation CHARM: Car repair manuals for everyone.
Manuals through 2025 now available!

Our trusted friends have launched a new website named LEMON, which has newer manuals. It also contains all the CHARM manuals.

LEMON is the spiritual successor to CHARM, I recommend you try it!

Link: lemon-manuals.la or lemon-manuals.org.ua

(Some people have issue connecting. LEMON is investigating. For now, use Firefox or change your DNS server)

Or, hide this message: temporarily or permanently

Knock Sensor: Testing and Inspection

Chart C-5 - Electronic Spark Control (ESC) System Check:




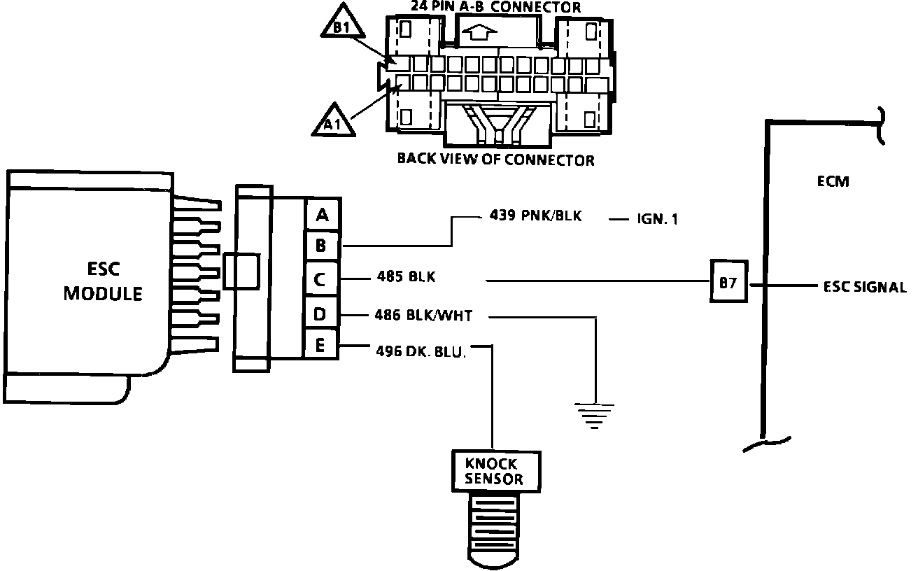
Wiring Diagram For Chart C-5 - Electronic Spark Control (ESC) System Check:





CHART C-5 - ELECTRONIC SPARK CONTROL (ESC)


Circuit Description:

Electronic spark control is accomplished with a module that sends a voltage signal to the ECM. As the knock sensor detects engine knock, the voltage from the ESC module to the ECM is shut off and this signals the ECM to retard timing.




Test Description:

1. Tests ESC to see if it can detect a knock and retard the timing.

2. By disconnecting the ESC module, the ECM sees low voltage at terminal B7 and should retard timing. After approximately 4 seconds, "SERVICE ENGINE SOON" light will come "ON" and Code 43 will be stored.

3. Checks for proper voltage output (measured on A.C. scale) of knock sensor. Low or no voltage would indicate an open circuit to terminal "E" or faulty sensor.


4. Checks to see if constant retard is due to a faulty knock sensor or module, or if a false voltage signal is being transmitted on the wire from the knock sensor by induction from an adjacent wire, such as a spark plug wire, ignition wire, etc. Reroute wires as necessary.