Heater Hose: Service and Repair
Engine Heater Hose Assembly:
HEATER HOSE REPLACEMENT
The heater core can be damaged near the tube attachment seams if force is applied on them. If the heater hoses do not come off, cut the hoses forward of the core tubes. Cut the hose on core tubes to remove.
IMPORTANT: Draw hoses tight to prevent sagging or rubbing against other components. Route hoses through all clamps as installed originally.
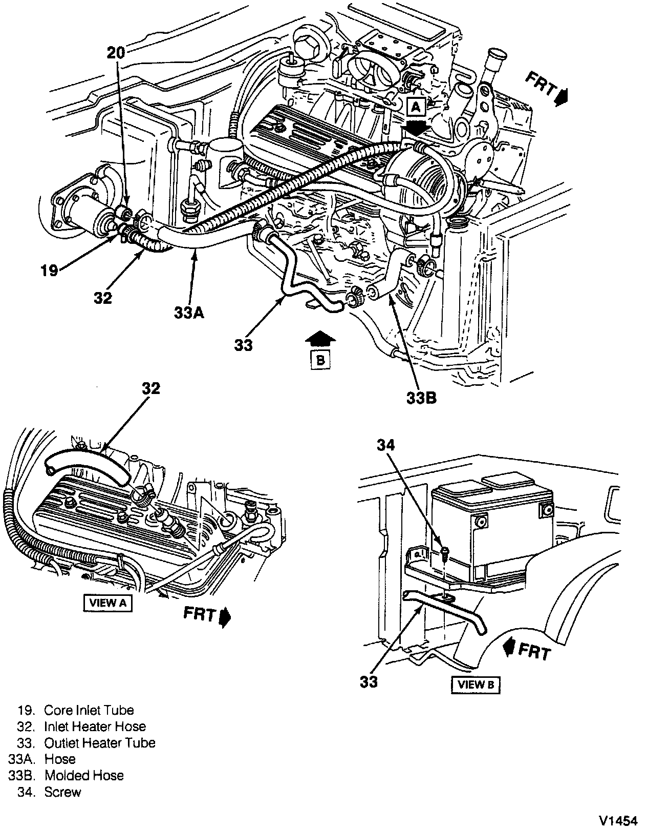
HEATER HOSE ROUTING
The inlet heater hose (32) attaches from the engine to the core inlet tube (19). The outlet heater tube (33) attaches from the core outlet tube (20), which is directly above the core inlet tube (19), to the radiator. The outlet heater tube (33) is attached to the battery tray by a small bracket. A screw (34) must first be removed to remove the outlet heater tube (33). Hoses (33A and 33B) are attached at each end of the outlet heater tube (33) with screw-type clamps. Refer to accompanying figure.