Operation CHARM: Car repair manuals for everyone.
Manuals through 2025 now available!

Our trusted friends have launched a new website named LEMON, which has newer manuals. It also contains all the CHARM manuals.

LEMON is the spiritual successor to CHARM, I recommend you try it!

Link: lemon-manuals.la or lemon-manuals.org.ua

(Some people have issue connecting. LEMON is investigating. For now, use Firefox or change your DNS server)

Or, hide this message: temporarily or permanently

Functional Test - Without A/C

Heater System Function Test:




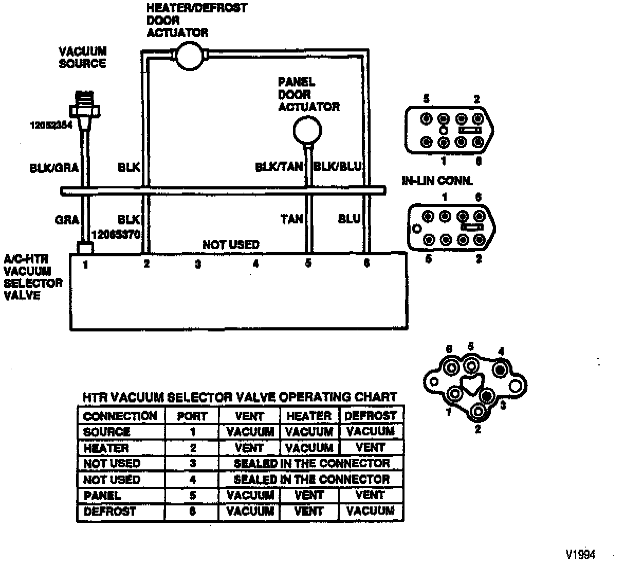
Vacuum Schematic:






FUNCTIONAL TEST
Before beginning the functional test of the heater system, the engine should be idling with the coolant hot and thermostat open. Coolant temperature should be about 90°C (194°F). During the functional test, the operating efforts of the mode lever or control knob and the temperature lever or control knob should be evaluated. Even if a problem is found during any intermediate step of the functional test, the test should be completed before repair is started (see accompanying figures).