Operation CHARM: Car repair manuals for everyone.
Manuals through 2025 now available!

Our trusted friends have launched a new website named LEMON, which has newer manuals. It also contains all the CHARM manuals.

LEMON is the spiritual successor to CHARM, I recommend you try it!

Link: lemon-manuals.la or lemon-manuals.org.ua

(Some people have issue connecting. LEMON is investigating. For now, use Firefox or change your DNS server)

Or, hide this message: temporarily or permanently

Internal Components

INTERNAL COMPONENTS

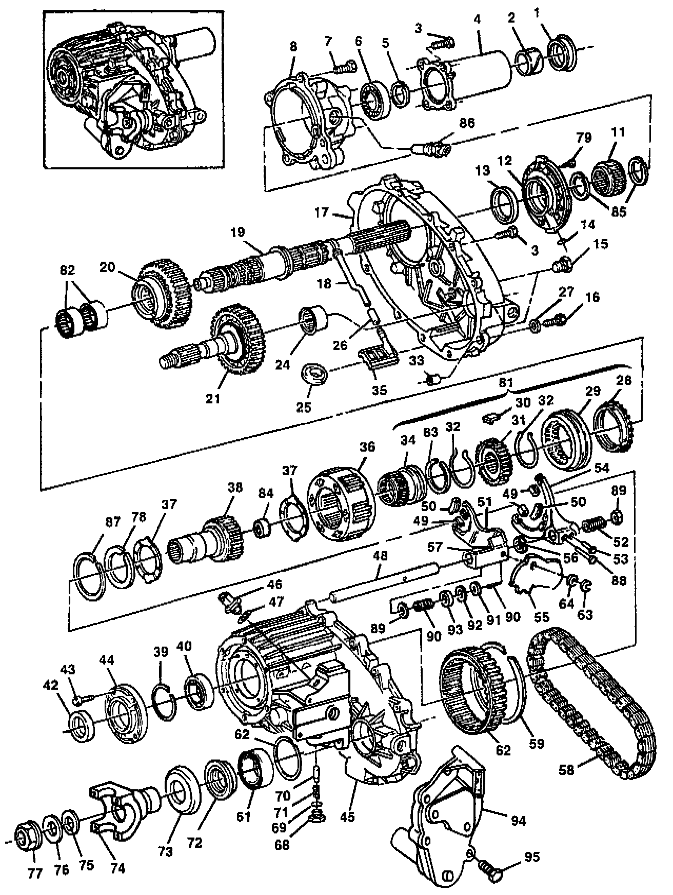
NP233 Transfer Case Components:




NP233 Transfer Case Components - Legend:






ASSEMBLE
1. Synchronizer hub (31) to the synchronizer sleeve (29) along with the three struts (30).
- Align the previously scribed marks.
2. Spring retainers (32) to the synchronizer hub (31).
3. Main drive synchronizer stop ring (28) to the synchronizer sleeve (29) and the synchronizer hub (31).
4. Drive sprocket (20) to mainshaft (19).
5. Synchronizer assembly to mainshaft (19).
6. Snap ring (83) to mainshaft.

INSTALL OR CONNECT
1. Planetary input gear assembly (38) through the input bearing (40) into the annulus gear (62) using a soft faced hammer.
2. Bearing retainer (snap ring) (39) to the input gear (38).
3. Input bearing retainer (44) and input bearing retainer bolts (43) to front case half (45).
- Apply RTV sealer (GM PIN 1052366) or equivalent on bearing retainer mating surfaces.
- Apply Loctite 242 or (GM P/N 12345382 ) to bearing retainer bolts.

TIGHTEN
- Bolts (43) to 19 Nm (14 lbs. ft.).

4. Shift sector with shaft (55), O-ring seal (64), and retainer (snap ring) (63) into the front case half (45).
5. Range shift hub (34) and range shift fork into the front case half (45).
- It is necessary to rotate the sector to align the range shift fork.
6. Chain (58) over main shaft (19) onto drive sprocket (20).

Main Drive Components:




- Install mainshaft assembly, chain, and front output shaft into case as an assembly.

Main Drive Components:




7. Mainshaft assembly, mode shift fork (54), and rail through range shift fork into front case half (45).

Main Drive Components:




8. Front output shaft (21) into the drive chain (58) and into the front case half (45).
9. Fork shift spring (52) onto the shift rail (48).

Oil Pump Location:




10. Oil pickup tube (18), oil tube connector (26), and pump pickup screen (35) into the rear case half (17).

11. Oil tube O-ring (14) onto the oil pump pickup tube (18).

NOTICE: Do not damage the O-ring during assembly as this could result in pump failure.

Oil Pump Location:




12. Oil pump (12) to the oil pump pickup tube (18).
- Apply RTV sealer (GM P/N 1052366) or equivalent to the case mating surfaces.

NP233 Transfer Case Components:




NP233 Transfer Case Components - Legend:




13. Rear case (17) over mainshaft (19) and onto the front case half (45).
- Be careful not to damage the oil pump (12) when installing the case halves together.
14. Case bolts (3) into case halves.
- Apply Loctite 242 or (GM P/N 12345382) to case bolts.
- The two longer case bolts and washers into the doweled case holes (33) or from their original holes on transfer cases with attaching brackets.

TIGHTEN
- Bolts to 31 Nm (23 lbs. ft.).

15. Speedometer tone wheel (11) onto mainshaft (19).
16. Pump retainer housing (8) and pump housing bolts (7) to the rear case half (17).
- Apply Loctite 242 or (GM PIN 12345382) to pump housing bolt threads.

TIGHTEN
- Bolts to 41 Nm (30 lbs. ft.).

17. Output bearing retainer and snap ring) (5) to the main shaft (19).
18. Rear extension housing (4) and extension housing bolts (3) to the pump retainer housing (8).
- Apply RTV sealer (GM PIN 1052366) to the extension housing mating surfaces.
- Apply Loctite 242 or (GM PIN 12345382) to the extension housing bolts.

TIGHTEN
- Bolts to 31 Nm (23 lbs. ft.).