Operation CHARM: Car repair manuals for everyone.
Manuals through 2025 now available!

Our trusted friends have launched a new website named LEMON, which has newer manuals. It also contains all the CHARM manuals.

LEMON is the spiritual successor to CHARM, I recommend you try it!

Link: lemon-manuals.la or lemon-manuals.org.ua

(Some people have issue connecting. LEMON is investigating. For now, use Firefox or change your DNS server)

Or, hide this message: temporarily or permanently

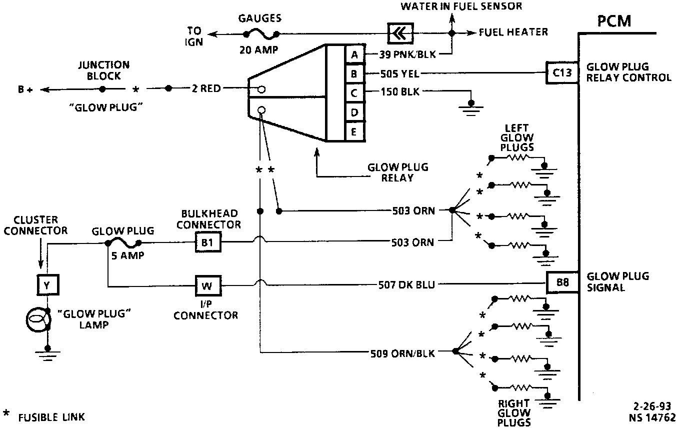
System Check - Glow Plugs

Glow Plug System Check:




Glow Plug Relay Circuit:






CIRCUIT DESCRIPTION
The glow plug system is used to assist in providing the heat required to begin combustion during engine starting at cold ambient temperatures. The glow plugs are heated before and during cranking, as well as initial engine operation. A DTC 29 will be set when the glow plug relay output is found to have a fault. This can be found by comparing glow plug volts to system voltage.

CHART TEST DESCRIPTION
Number(s) below refer to circled number(s) on the diagnostic chart.
1. This step determines if the glow plugs are faulty or if the problem lies in the wiring portion of the circuit.
2. If the relay contacts are shorted together, there will be 12 volts supplied to the glow plugs at all times. Since these are 6 volt glow plugs, they will be damaged by the constant high voltage.