Operation CHARM: Car repair manuals for everyone.
Manuals through 2025 now available!

Our trusted friends have launched a new website named LEMON, which has newer manuals. It also contains all the CHARM manuals.

LEMON is the spiritual successor to CHARM, I recommend you try it!

Link: lemon-manuals.la or lemon-manuals.org.ua

(Some people have issue connecting. LEMON is investigating. For now, use Firefox or change your DNS server)

Or, hide this message: temporarily or permanently

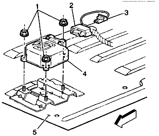
Removal Procedure

Description:






1. Disable the SIR system. Refer to Disabling the SIR System.
2. Remove the driver seat. Refer to Front Seat Replacement in Seats.
3. Remove the LH carpet retaining sill trim molding. Refer to Trim Plate Replacement in Interior Trim.
4. Fold back the carpet to access the inflatable restraint Sensing and Diagnostic Module (SDM).
5. Remove the Connector Position Assurance (CPA) (3) from the inflatable restraint Sensing and Diagnostic Module (SDM) harness connector (2).
6. Disconnect the SDM harness connector from the SDM (4).
7. Remove the SDM mounting fasteners (1).
8. Remove the SDM (4) from the vehicle.