Operation CHARM: Car repair manuals for everyone.
Manuals through 2025 now available!

Our trusted friends have launched a new website named LEMON, which has newer manuals. It also contains all the CHARM manuals.

LEMON is the spiritual successor to CHARM, I recommend you try it!

Link: lemon-manuals.la or lemon-manuals.org.ua

(Some people have issue connecting. LEMON is investigating. For now, use Firefox or change your DNS server)

Or, hide this message: temporarily or permanently

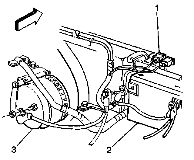
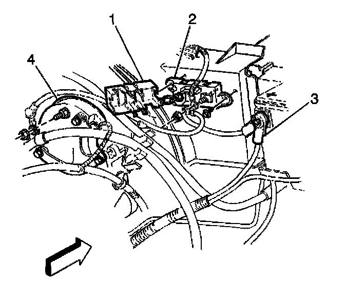
Battery Cable: Service and Repair




Excessive resistance caused by poor terminal connections and partial short circuits through worn cable insulation will result in an abnormal voltage drop in the starter cable. Low voltage at the starter will prevent the normal starter operation and cause hard starting.

Whenever the battery cables are replaced, use a replacement cable that is the same in the type, the diameter, and the length. Some positive cables have additional feed wires attached to them and some of the negative cables have additional ground leads attached.




Ensure that replacement battery cables are routed in the same manner as the original.

CAUTION: In order to prevent possible personal injury from a moving vehicle or from an operating engine, perform the following steps before performing the checks:

1. Place the transmission in park
2. Engage the parking brakes and block the wheels.
3. Disconnect the battery feed at the distributor.


NOTE: When installing the positive battery cable to the starter solenoid, the inner nut on the solenoid battery terminal must be tightened before the battery cable and the other leads are installed. Failure to do so will result in the solenoid or the solenoid terminal damage.




1. Check the voltage drop between the ground (the negative battery terminal) and the vehicle frame. Place one probe of the J 39200 on the grounded battery post (not on the cable clamp) and the other on the frame.
Operate the starter and note the voltage reading.
2. Check the voltage drop between the positive battery terminal and the starter terminal stud with the starter operating.
3. Check the voltage drop between the starter housing and the frame with the starter operating.
4. If the voltage drop in any of the above is more than 0.5 volts, there is excessive resistance in the circuit.
In order to eliminate resistance, the cables should be disconnected and the connections should be cleaned.
If the cables are frayed or the clamps are corroded, the cables should be replaced.
When selecting the new cables, ensure that the new cables are the same length and the same diameter as the original cables being replaced.