Operation CHARM: Car repair manuals for everyone.
Manuals through 2025 now available!

Our trusted friends have launched a new website named LEMON, which has newer manuals. It also contains all the CHARM manuals.

LEMON is the spiritual successor to CHARM, I recommend you try it!

Link: lemon-manuals.la or lemon-manuals.org.ua

(Some people have issue connecting. LEMON is investigating. For now, use Firefox or change your DNS server)

Or, hide this message: temporarily or permanently

Lighting Systems Component Views




Lighting Systems Component Views

Manual Transmission Harness, Left Forward View




1 - Backup Lamps Switch
2 - Vehicle Speed Sensor (VSS) (ABS-Air)
3 - Vehicle Speed Sensor (VSS) (ABS-Hydraulic)

Identification Lamps, Upper Left Front View




1 - Left Side Identification Lamps

Daytime Running Lamp (DRL) Harness to DRL Diode, Left Side Front




1 - Tractor Marker Lamps Relay or Column Shift Relay (Diesel) or Transmission Park Column Switch Relay (Gasoline)
2 - Lighting Relay
3 - Ignition Relay 3
4 - Ignition Relay 1
5 - Horn Relay
6 - Convenience Center
7 - Blower Relay 2
8 - Daytime Running Lamps (DRL) Control Module Break Out
9 - Blower Relay 1
10 - Accessory Relay
11 - Fuel Pump (FP) Relay (Gasoline) or Fuel Heater Relay (Diesel)
12 - Daytime Running Lights (DRL) Relay
13 - Daytime Running Lamps (DRL) Diode
14 - Auxiliary Wiring Relay

Dome Lamp





IP Harness to IP, Upper Left Front




1 - Instrument Panel
2 - Door Jamb Switch
3 - IP Harness
4 - Exhaust Brake Clutch Switch

Hazard Warning Switch (Column Mounted)




1 - Hazard Warning Switch

Hazard Warning Switch (IP Mounted)




1 - Hazard Warning Switch/HAZARD Name Plate

Forward Lamps, Left Front View




1 - Park and Turn Signal Lamp, Right Front
2 - Park and Turn Signal Lamp, Left Front
3 - Headlamp, Right High/Low Beam
4 - Headlamp, Left High/Low Beam

Steering Column, Left Forward View




1 - Ignition Switch
2 - Headlamps Dimmer Switch

Heater Controls, Rear View




1 - Heater Control
2 - Blower Motor Switch
3 - Left Heater Control Lamp
4 - Blower Diode Array Module
5 - Right Heater Control Lamp

Rear Chassis, Left Rear View




1 - Left Taillamp
2 - Right Taillamp

Lighted/Heated Outside Rearview Mirror (Typical)




1 - Left Side Outside Rearview Mirror, (Right Side Similar)

IP Harness to Dash Panel, Center Forward View




1 - Stoplamps Switch (ABS-Hydraulic)

IP Harness to Dash Panel, Left Front




1 - Windshield Wiper Motor
2 - Upfitter AUX WRG Connector
3 - Trailer Stoplamps Switch
4 - Differential Lock Switch

Tractor/Trailer Receptacle, Left Rear View




1 - Tractor/Trailer Receptacle

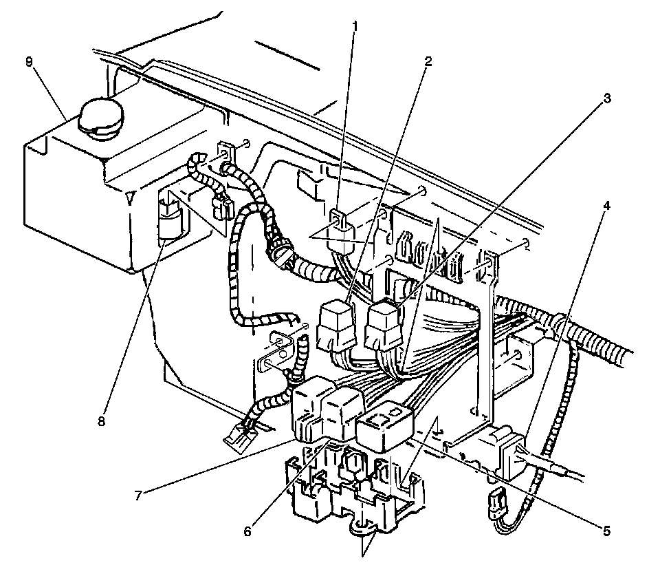
Instrument Panel Harness to Dash Panel, Right Side Front




1 - Power Brake (P/B) Booster Pump Motor Relay (ABS-Hydraulic)
2 - Park Brake Pump Motor Relay
3 - Trailer Stop Relay
5 - ABS Relay Center
6 - Underhood Fuse Block 2
7 - Underhood Fuse Block 1
8 - Windshield Washer Pump Motor
9 - Windshield Washer Reservoir

IP Harness to Dash Panel, Right Front




1 - Stoplamps Switch C1
2 - Stoplamps Switch C2
3 - Ignition Switch C1
4 - Ignition Switch
5 - Park Brake Switch
6 - Cruise Control Switch
7 - Windshield Wiper Switch
8 - Turn Signal Switch
9 - Headlamps Dimmer Switch
10 - Hazard Lamps Flasher
11 - Park/Neutral Position (PNP) Switch C3
12 - Park/Neutral Position (PNP) Switch C2
13 - Park/Neutral Position (PNP) Switch C1
14 - Throttle Actuator Control Module
15 - Low Air Pressure Switch
16 - Ignition Switch C2
17 - Stoplamps Switch

Trailer Harness to Cab, Left Front




1 - C412
2 - P201
3 - C205
4 - C206
5 - P201

IP Harness to IP (Wiring), Right Side




1 - C226
2 - C212
3 - C214
4 - C208

Clearance Lamps, Upper Left Front View




1 - C229