Operation CHARM: Car repair manuals for everyone.
Manuals through 2025 now available!

Our trusted friends have launched a new website named LEMON, which has newer manuals. It also contains all the CHARM manuals.

LEMON is the spiritual successor to CHARM, I recommend you try it!

Link: lemon-manuals.la or lemon-manuals.org.ua

(Some people have issue connecting. LEMON is investigating. For now, use Firefox or change your DNS server)

Or, hide this message: temporarily or permanently

EGR Tube: Service and Repair




Exhaust Gas Recirculation Pipe Replacement

Clean and Inspection Procedure

Caution: Avoid breathing fumes and swallowing EGR exhaust deposits when removing components for cleaning as bodily injury may result.

Whenever the EGR valve is removed, or during regularly scheduled EGR system maintenance, the EGR system should be inspected and cleaned. This will insure that the EGR system will function properly under all operating conditions. Proper EGR system service consists of the following steps:

* EGR system diagnosis - Diagnosis of the EGR system should be performed if required by engine performance or engine driveability symptoms and no PCM DTCs are set.
* EGR valve pipe cleaning and checking for leaks - Clean and check the EGR pipe from the exhaust manifold to the EGR valve and the EGR pipe from the water pump crossover to the throttle body spacer.
* EGR valve cleaning - If the EGR system is operating correctly, the EGR valve can be removed, checked for deposits, cleaned, and replaced. Perform the following procedure for the EGR valve cleaning:

1. Remove the EGR valve from the engine.
2. While holding the EGR valve in your hand, using a pencil eraser or other suitable soft instrument to depress the pintle several times. The pintle should move in and out smoothly, replace any valve that exhibits tendencies to stick.
3. While holding the EGR valve base in your hand, try to rotate the connector housing. Repeat for the coil housing. Replace any valve that exhibits looseness.
4. Inspect the EGR valve pintle and seat for deposits. Use a cloth or other suitable soft device to remove deposits. Remove all loose particles. If deposits are such that pintle/base interface can't be cleaned adequately to allow pintle to seal against the seat, replace the valve. Damage to the powdered metal EGR valve base will occur if cleaned with solvents, sharp tools, wire brush/wheel or sand blasting. Cleaning by these methods is not recommended.
5. Inspect the passage in the intake manifold for deposits. Remove all loose particles.
6. Replace EGR valve on engine, using a new gasket.
7. Wash-up after any contact with deposits from the EGR System.

Removal Procedure

Caution: Refer to Battery Disconnect Caution in Cautions and Notices.

1. Disconnect the negative battery cable.




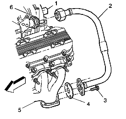
2. Remove the linear EGR valve pipe flange nut (6) from the intake manifold (1).
3. Remove the linear EGR valve pipe flange bolts (3) from the exhaust manifold (5).
4. Remove the linear EGR valve pipe (2) from the vehicle
5. Clean and inspect all gasket mating surfaces to be free of oil and foreign material.

Installation Procedure




1. Install the linear EGR valve pipe (2) to the intake manifold (6). Do not tighten the flange nut completely leave the nut loose.

Notice: Refer to Fastener Notice in Cautions and Notices.

Important: Make sure that both mating surfaces are aligned properly, then tighten completely.


2. Install the linear EGR valve pipe (2) and new gasket (4) to the exhaust manifold (5). Do not tighten the flange bolts (3) completely leave the bolts loose.

1. Tighten the linear EGR valve pipe flange nut (6) to the intake manifold (1) to 60 Nm (44 lb ft).
2. Tighten the linear EGR valve pipe flange bolts (3) to the exhaust manifold (5) to 26 Nm (19 lb ft).

3. Connect the negative battery cable.
4. Start the engine and check for exhaust leaks.