Operation CHARM: Car repair manuals for everyone.
Manuals through 2025 now available!

Our trusted friends have launched a new website named LEMON, which has newer manuals. It also contains all the CHARM manuals.

LEMON is the spiritual successor to CHARM, I recommend you try it!

Link: lemon-manuals.la or lemon-manuals.org.ua

(Some people have issue connecting. LEMON is investigating. For now, use Firefox or change your DNS server)

Or, hide this message: temporarily or permanently

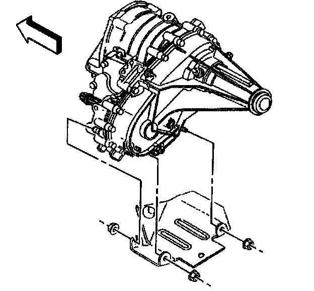
Shield Replacement

Removal Procedure





1. Raise the vehicle. Refer to Vehicle Lifting.
2. Remove the three nuts securing the transfer case shield to the transfer case.





3. Remove the three nuts securing the transfer case shield to the transfer case.


Installation Procedure





Notice: Refer to Fastener Notice in Service Precautions.

1. Install the three nuts securing the transfer case shield to the transfer case.
^ Tighten the bolts to 15 Nm (11 ft. lbs.).





2. Install the three nuts securing the transfer case shield to the transfer case.
^ Tighten the bolts to 15 Nm (11 ft. lbs.).
3. Lower the vehicle.