Ignition Cable: Service and Repair
Spark Plug Wire Replacement
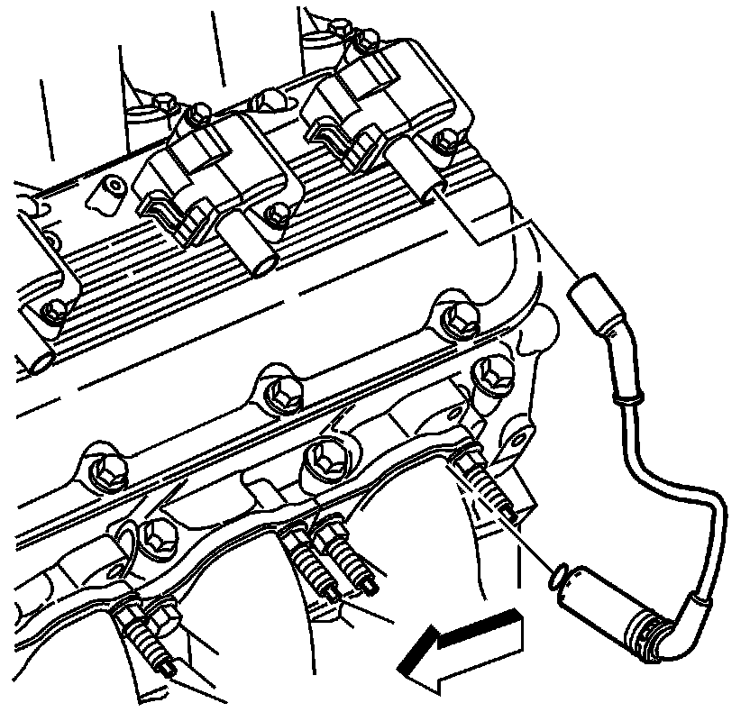
Removal Procedure
1. Disconnect the spark plug wire at each spark plug.
* Twist each spark plug 1/2 turn.
* Pull only on the boot in order to remove the wire from each spark plug.
2. Disconnect the spark plug wire from the ignition coil.
* Twist each spark plug boot 1/2 turn.
* Pull only on the boot in order to remove the wires from the ignition coil.
Installation Procedure
1. Install the spark plug wires at the ignition coil.
2. Install the spark plug wire to each spark plug.
3. Inspect the wires for proper installation.
* Push sideways on each boot in order to inspect the seating.
* Reinstall any loose boot.