Electronic Brake Control Module: Service and Repair
Electronic Brake Control Module (EBCM) ReplacementRemoval Procedure
Important: After installation, calibrate the new EBCM to the tire size that is appropriate to the vehicle.
Important: Thoroughly wash all contaminants from around the EHCU. The area around the EHCU must be free from loose dirt to prevent contamination of disassembled ABS components.
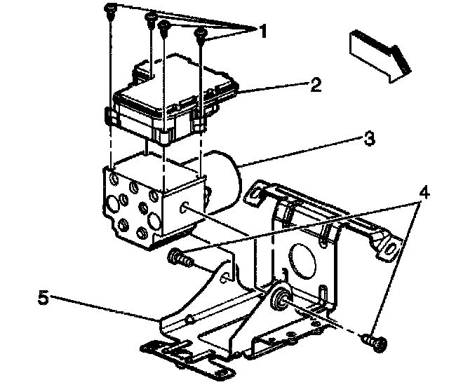
1. Disconnect the electrical connectors from the EBCM (2).
2. Remove the four T 25-TORX mounting screws (1) that fasten the EBCM (2) to the BPMV (3).
3. Remove the EBCM (2) from the BPMV (3). Removal may require a light amount of force.
Important: Do not use a tool to pry the E13CM or the BPMV.
4. Clean the BPMV (3) to EBCM (2) mounting surfaces with a clean cloth.
Installation Procedure
Important: Do not reuse the old mounting screws. Always install new mounting screws with the new EBCM.
Important: Do not use RTV or any other type of sealant on the EBCM gasket or mating surfaces.
1. Install EBCM (2) on to the BPMV (3).
Notice: Refer to Fastener Notice in Service Precautions.
2. Install the four new T-25 TOW screws (1) in the EBCM (2).
Tighten the four T-25 TOW screws to 5 Nm (39 inch lbs.) in an X-pattern.
3. Connect the electrical connectors to the EBCM (2).
4. Revise the tire calibration using the Scan Tool Tire Size Calibration function.