Operation CHARM: Car repair manuals for everyone.
Manuals through 2025 now available!

Our trusted friends have launched a new website named LEMON, which has newer manuals. It also contains all the CHARM manuals.

LEMON is the spiritual successor to CHARM, I recommend you try it!

Link: lemon-manuals.la or lemon-manuals.org.ua

(Some people have issue connecting. LEMON is investigating. For now, use Firefox or change your DNS server)

Or, hide this message: temporarily or permanently

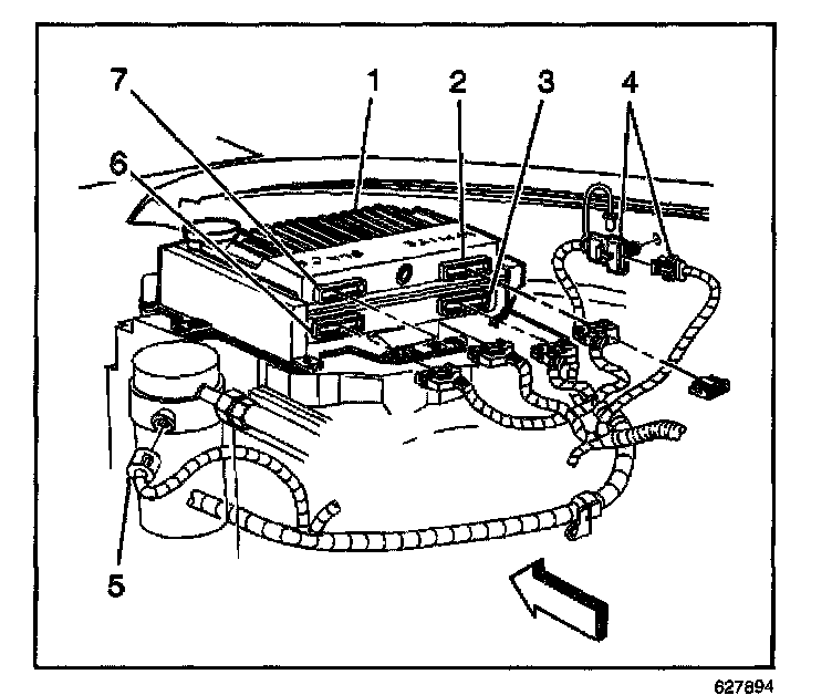
Low Pressure Sensor / Switch: Service and Repair

AIR CONDITIONING (A/C) LOW PRESSURE SWITCH REPLACEMENT

TOOLS REQUIRED
J 39400-A Halogen Leak Detector

REMOVAL PROCEDURE




1. Recover the refrigerant from the A/C system. Refer to Refrigerant Recovery and Recharging
2. Disconnect the A/C low pressure switch electrical connector.
3. Remove the A/C low pressure switch (5) from the accumulator.

INSTALLATION PROCEDURE

NOTE: Refer to Fastener Notice in Service Precautions.




1. Install the A/C low pressure switch (5) to the accumulator.

Tighten
Tighten the A/C low pressure switch to 5 N.m (44 lb in).

2. Connect the A/C low pressure switch electrical connector.
3. Evacuate and recharge the A/C system. Refer to Refrigerant Recovery and Recharging
4. Leak test the fittings components using the J 39400-A.