Operation CHARM: Car repair manuals for everyone.
Manuals through 2025 now available!

Our trusted friends have launched a new website named LEMON, which has newer manuals. It also contains all the CHARM manuals.

LEMON is the spiritual successor to CHARM, I recommend you try it!

Link: lemon-manuals.la or lemon-manuals.org.ua

(Some people have issue connecting. LEMON is investigating. For now, use Firefox or change your DNS server)

Or, hide this message: temporarily or permanently

Distributor Replacement

REMOVAL PROCEDURE

NOTE: There are two procedures available to install the distributor.

Use Installation Procedure 1 when the crankshaft has NOT been rotated from the original position.

Use Installation Procedure 2 when any of the following components are removed:
- The intake manifold
- The cylinder head
- The camshaft
- The timing chain or sprockets
- The complete engine

If the malfunction indicator lamp (MIL) turns on and DTC P1345 sets after installing the distributor, this indicates an incorrectly installed distributor.

Engine damage or distributor damage may occur. Use Procedure 2 in order to install the distributor.




1. Remove the air cleaner outlet resonator.
2. Disconnect the following electrical connectors:
- Camshaft position (CMP) sensor (2)
- Fuel pump/oil pressure sensor (3)




3. Remove the ignition coil wire from the ignition coil and distributor cap.




4. Remove the spark plug wires from the distributor cap.
- Twist each spark plug boot 1/2 turn.
- Pull only on the wire boot in order to remove the wire from the distributor cap.
5. Remove and discard the distributor cap screws.
6. Remove the distributor cap.




7. Using a grease pencil, mark the position of the rotor in relation to the distributor housing (1).
8. Also, mark the distributor housing and the intake manifold.




9. Remove the distributor hold down bolt.
10. Remove the distributor.




11. As the distributor is being removed, watch the rotor move in a counterclockwise direction about 42 degrees.
12. Note the position of the rotor segment.
13. Place a second mark on the base of the distributor (2).
This will aid in achieving proper rotor alignment during distributor installation.

INSTALLATION PROCEDURE 1




1. If installing a NEW distributor, place 2 marks on the new distributor housing in the same location as the marks on the original housing.
2. Align the rotor with the second mark (2).




3. Install the distributor.
4. Align the hole in the distributor hold-down clamp over the hole in the intake manifold.




5. As the distributor is being installed, observe the rotor moving in a clockwise direction about 42 degrees.
6. Once the distributor is completely seated, the rotor segment should be aligned with the mark on the distributor base (1).

IMPORTANT: If the rotor segment is not aligned with the number 1 mark, the driven gear teeth and the camshaft have meshed one or more teeth out of alignment. In order to correct this condition, remove the distributor and reinstall it.




7. Install the distributor hold down bolt.

NOTE: Refer to Fastener Notice in Service Precautions.

Tighten
Tighten the bolt to 25 N.m (18 lb ft).




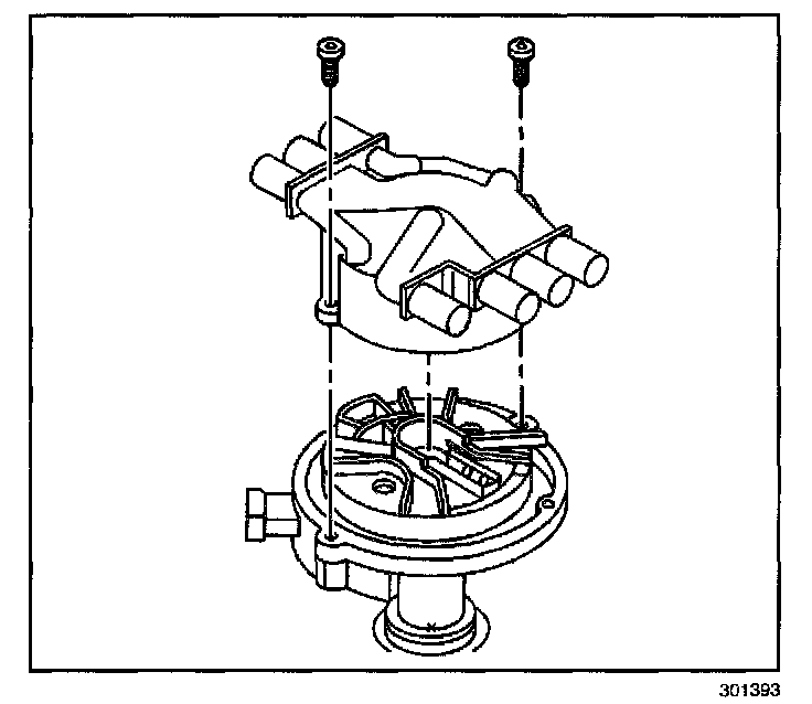
8. Install the distributor cap.
9. Install NEW distributor cap screws.

Tighten
Tighten the screws to 2.4 N.m (21 lb in).




10. Connect the following electrical connectors:
- CMP sensor (2)
- Fuel pump/oil pressure sensor (3)




11. Install the ignition coil wire to the ignition coil and distributor cap.

IMPORTANT: The coil wire nipple must be positioned such that it is between 35 and 60 degrees aft of perpendicular as referenced from the engine centerline on the outboard side of the coil.

12. If the malfunction indicator lamp (MIL) is ON after installing the distributor, and diagnostic trouble code (DTC) P1345 is found, the distributor was installed incorrectly. Refer to installation procedure 2.
13. If the MIL is not on, install the air cleaner outlet resonator.

INSTALLATION PROCEDURE 2

IMPORTANT: Rotate the number 1 cylinder to top dead center (TDC) of the compression stroke. The engine front cover has 2 alignment tabs and the crankshaft balancer has 2 alignment marks (spaced 90 degrees apart) which are used for positioning the number 1 piston at TDC. With the piston on the compression stroke and at TDC, the crankshaft balancer alignment mark (1) must align with the engine front cover tab (2) and the crankshaft balancer alignment mark (4) must align with the engine front cover tab (3).




1. Rotate the crankshaft balancer clockwise until the alignment marks on the crankshaft balancer are aligned with the tabs on the engine front cover and the number 1 piston is at TDC of the compression stroke.




2. Align the white paint mark on the bottom stem of the distributor, with the pre-drilled indent hole in the bottom of the gear (3).
3. With the gear in this position, the rotor segment should be positioned as shown for a V6 engine (1).

NOTE: The ignition system distributor driven gear and rotor may be installed in multiple positions. In order to avoid mistakes, mark the distributor on the following components in order to ensure the same mounting position upon reassembly:
- The distributor driven gear
- The distributor shaft
- The rotor holes

Installing the driven gear 180 degrees out of alignment, or locating the rotor in the wrong holes, will cause a no-start condition.

Premature engine wear or damage may result.




1. Using a long screwdriver, align the oil pump drive shaft to the drive tab of the distributor.
2. Guide the distributor into the engine.
Ensure that the spark plug towers are perpendicular to the centerline of the engine.




3. Once the distributor is fully seated, the rotor segment should be aligned with the pointer cast into the distributor base.
- This pointer may have a 6 cast into it, indicating that the distributor is to be used on a 6 cylinder engine.
- If the rotor segment does not come within a few degrees of the pointer, the gear mesh between the distributor and the camshaft may be off a tooth or more.
- If this is the case, repeat the procedure again in order to achieve proper alignment.




4. Install the distributor hold down bolt.

Tighten
Tighten the bolt to 25 N.m (18 lb ft).




5. Install the distributor cap.
6. Install NEW distributor cap screws.

Tighten
Tighten the screws to 2.4 N.m (21 lb in).




7. Connect the following electrical connectors:
- CMP sensor (2)
- Fuel pump/oil pressure sensor (3)




8. Install the ignition coil wire to the ignition coil and distributor cap.

IMPORTANT: The coil wire nipple must be positioned such that it is between 35 and 60 degrees aft of perpendicular as referenced from the engine centerline on the outboard side of the coil.

9. If the MIL is ON after installing the distributor, and DTC P1345 is found, the distributor has been installed incorrectly. Repeat Installation Procedure 2.
10. If the MIL is not on, install the air cleaner outlet resonator.