Operation CHARM: Car repair manuals for everyone.
Manuals through 2025 now available!

Our trusted friends have launched a new website named LEMON, which has newer manuals. It also contains all the CHARM manuals.

LEMON is the spiritual successor to CHARM, I recommend you try it!

Link: lemon-manuals.la or lemon-manuals.org.ua

(Some people have issue connecting. LEMON is investigating. For now, use Firefox or change your DNS server)

Or, hide this message: temporarily or permanently

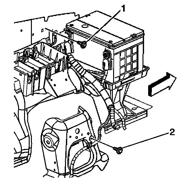
Battery Negative Cable Replacement

REMOVAL PROCEDURE
1. Disconnect the battery negative cable.




2. Remove the bolt that secures the harness to the front wheelhouse panel (1).
3. Remove the bolt that secures the harness to the shock tower (2).
4. Remove the harness from the engine harness bracket.
5. Remove the bolt that secures the harness to the engine block.

INSTALLATION PROCEDURE

IMPORTANT:
- The negative battery cable must not be connected to the battery prior to the installation of the engine harness ground terminal to the engine block.
- The negative battery cable must not be connected to the battery prior to the installation of the instrument panel harness and the engine harness to the powertrain control module.

1. Clip the harness to the engine harness bracket.




2. Install the bolt that secures the harness to the shock tower (2).

NOTE: Refer to Fastener Notice in Service Precautions.

Tighten
Tighten the bolt to 10 N.m (89 lb in).

3. Install the bolt that secures the harness to the engine block.

Tighten
Tighten the bolt to 50 N.m (37 lb ft).

4. Install the bolt that secures the harness to the wheelhouse panel (1).

Tighten
Tighten the bolt to 10 N.m (89 lb in).

5. Connect the negative battery cable to the battery.