Operation CHARM: Car repair manuals for everyone.
Manuals through 2025 now available!

Our trusted friends have launched a new website named LEMON, which has newer manuals. It also contains all the CHARM manuals.

LEMON is the spiritual successor to CHARM, I recommend you try it!

Link: lemon-manuals.la or lemon-manuals.org.ua

(Some people have issue connecting. LEMON is investigating. For now, use Firefox or change your DNS server)

Or, hide this message: temporarily or permanently

Positive: Service and Repair

BATTERY POSITIVE CABLE REPLACEMENT

REMOVAL PROCEDURE
1. Disconnect the battery negative cable.




2. Disconnect the battery positive cable from the battery.
3. Disconnect the harness from the engine harness bracket (2).




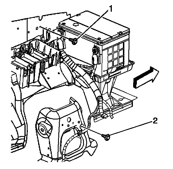
4. Disconnect the positive cable lead from the starter (1).




5. Disconnect the positive cable lead from the junction block (1).




6. Disconnect the positive cable lead from the generator (1).

INSTALLATION PROCEDURE




1. Install the new positive cable to the generator and secure the positive cable with the nut (1).

NOTE: Refer to Fastener Notice in Service Precautions.

Tighten
Tighten the positive cable bolt to 9 N.m (80 lb in).

2. Connect the positive cable to the junction block and secure the positive cable with the bolt.

Tighten
Tighten the positive cable nut to 10 N.m (89 lb in).

3. Connect the positive cable to the starter and secure the positive cable with the nut.

Tighten
Tighten the nut 9 N.m (80 lb in).

4. Connect the harness to the engine harness bracket.
5. Connect the cable to the positive battery post.

Tighten
Tighten the battery positive bolt to 15 N.m (11 lb ft).

6. Connect the battery negative cable.