Operation CHARM: Car repair manuals for everyone.
Manuals through 2025 now available!

Our trusted friends have launched a new website named LEMON, which has newer manuals. It also contains all the CHARM manuals.

LEMON is the spiritual successor to CHARM, I recommend you try it!

Link: lemon-manuals.la or lemon-manuals.org.ua

(Some people have issue connecting. LEMON is investigating. For now, use Firefox or change your DNS server)

Or, hide this message: temporarily or permanently

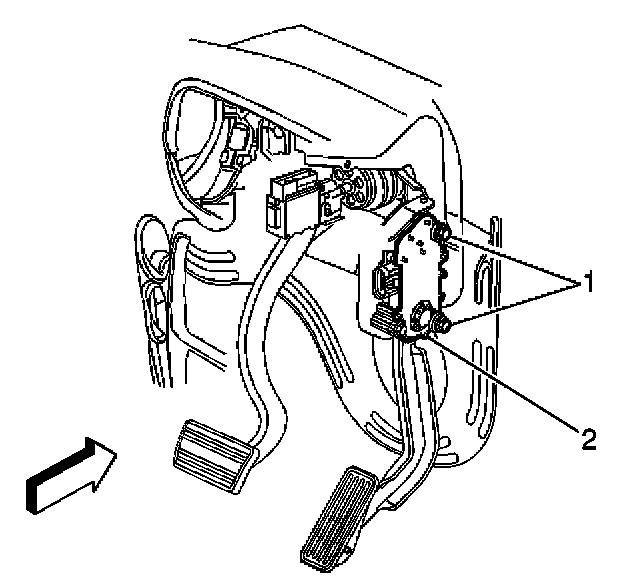
Accelerator Pedal Position Sensor: Service and Repair

REMOVAL PROCEDURE

NOTE: Refer to Handling Electronic Throttle Control Notice in Service Precautions.




1. Disconnect the accelerator pedal position (APP) sensor electrical connector.




2. Remove the 3 APP sensor bolts (1).
3. Remove the APP sensor (2).

INSTALLATION PROCEDURE




1. Install the APP sensor (2).

NOTE: Refer to the Fastener Notice in Service Precautions.

2. Install the 3 APP sensor bolts (1).

Tighten
Tighten the bolts to 20 N.m (15 lb ft).




3. Connect the APP sensor electrical connector.
4. Verify that the vehicle meets the following conditions:
- The vehicle is not in a reduced engine power mode.
- The ignition is ON.
- The engine is OFF.
5. Connect a scan tool in order to test for a proper throttle-opening and throttle-closing range.
6. Operate the accelerator pedal and monitor the throttle angles. The accelerator pedal should operate freely, without binding, between a closed throttle, and a wide open throttle.