Operation CHARM: Car repair manuals for everyone.
Manuals through 2025 now available!

Our trusted friends have launched a new website named LEMON, which has newer manuals. It also contains all the CHARM manuals.

LEMON is the spiritual successor to CHARM, I recommend you try it!

Link: lemon-manuals.la or lemon-manuals.org.ua

(Some people have issue connecting. LEMON is investigating. For now, use Firefox or change your DNS server)

Or, hide this message: temporarily or permanently

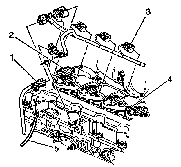
Heated Oxygen Sensor (HO2S) 1 Replacement

HEATED OXYGEN SENSOR (HO2S) 1 REPLACEMENT

TOOLS REQUIRED
J 39194-B Heated Oxygen Sensor Wrench

NOTE:
- When replacing the HO2S perform a code clear with a scan tool, regardless of whether or not a DTC is set. Performing a code clear will reset the HO2S resistance learned value. Failure to perform a code clear may result in an HO2S failure.
- Refer to Heated Oxygen and Oxygen Sensor Notice in Service Precautions.

REMOVAL PROCEDURE




1. Disconnect the heated oxygen sensor (HO2S) electrical connector (5) from the following:
- The engine wiring harness electrical connector
- The camshaft cover

NOTE: Refer to Excessive Force and Oxygen Sensor Notice in Service Precautions.




2. Using the J 39194-B remove the HO2S from the exhaust manifold.

INSTALLATION PROCEDURE

IMPORTANT: Use special anti-seize compound on the HO2S threads. The compound consists of graphite suspended in fluid and glass beads. The graphite burns away, but the glass beads remain, making the sensor easier to remove. New service sensors already have the compound applied to the threads. If you remove an oxygen sensor and if for any reason you must install the same oxygen sensor, apply the anti-seize compound to the threads before reinstallation.




1. Coat the threads of the HO2S with the anti-seize compound P/N 5613695, or equivalent if necessary.

NOTE: Refer to Component Fastener Tightening Notice in Service Precautions.

2. Using the J 39194-B , install the HO2S into the exhaust manifold.

Tighten
Tighten the HO2S to 42 N.m (31 lb ft).




3. Connect the HO2S electrical connector (5) to the following:
- The engine wiring harness electrical connector
- The camshaft cover