Generator Cable Replacement
GENERATOR CABLE REPLACEMENTIMPORTANT:
- Always use replacement cables that are of the same type, diameter and length of the cables that are being replaced.
- Always route the replacement cable the same way as the original cable.
REMOVAL PROCEDURE
1. Disconnect the battery negative cable.
2. Open the battery cables harness retainer (3).
3. Press the locking tabs inward in order to remove the underhood fuse block cover from the underhood fuse block.
4. Remove the nut (2) securing the generator positive cable (5) to the underhood fuse block (1).
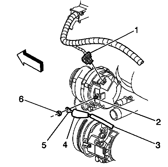
5. Reposition the protective boot (4) from the generator output BAT terminal (2) for access.
6. Remove the generator output BAT terminal nut (6) and disconnect the generator positive lead (5) from the generator.
7. Remove the generator positive cable (3) from the battery cables harness conduit.
INSTALLATION PROCEDURE
1. Insert the generator positive cable (3) into the battery cables harness conduit.
NOTE: Refer to Fastener Notice in Service Precautions.
2. Connect the generator lead (5) to the generator and install the generator output BAT terminal nut (6).
Tighten
Tighten the generator output BAT terminal nut to 20 N.m (15 lb ft).
3. Press the protective boot (4) on to the generator output BAT terminal (2).
4. Install the nut (2) securing the generator positive cable (5) to the underhood fuse block (1).
Tighten
Tighten the generator positive cable to underhood fuse block nut to 9 N.m (80 lb in).
5. Install the underhood fuse block cover to the underhood fuse block, engaging the locking tabs.
6. Close the battery cables harness retainer (3).
7. Connect the battery negative cable.