Operation CHARM: Car repair manuals for everyone.
Manuals through 2025 now available!

Our trusted friends have launched a new website named LEMON, which has newer manuals. It also contains all the CHARM manuals.

LEMON is the spiritual successor to CHARM, I recommend you try it!

Link: lemon-manuals.la or lemon-manuals.org.ua

(Some people have issue connecting. LEMON is investigating. For now, use Firefox or change your DNS server)

Or, hide this message: temporarily or permanently

Generator Replacement

GENERATOR REPLACEMENT

REMOVAL PROCEDURE
1. Disconnect the battery negative cable.
2. Remove the drive belt.
3. Raise and support the vehicle only high enough to access the A/C compressor through the wheelhouse. Refer to Vehicle Lifting.
4. Remove the left front wheel.
5. Remove the left wheelhouse liner.




6. Disengage the A/C compressor electrical connector from the bracket.

IMPORTANT: Evacuation of the A/C refrigerant will not be necessary.

7. Remove the A/C compressor mounting bolts (2, 3) ONLY. The upper mounting bolt (2) will remain with the A/C compressor (1).
8. Lower the vehicle.




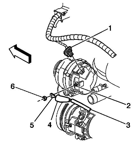
9. Reposition the protective boot (4) from the generator output BAT terminal (2) for access.
10. Remove the generator output BAT terminal nut (6) and disconnect the generator lead (5) from the generator.
11. Disconnect the wiring harness connector (1) from the generator.




12. Remove the 3 generator mounting bolts.
13. Remove the engine lift bracket, in order to gain clearance to remove the generator.
14. Position the A/C compressor forward, in order to gain clearance to remove the generator.
15. Remove the generator from the engine.

INSTALLATION PROCEDURE
1. Position the generator to the engine.
2. Install the engine lift bracket.

NOTE: Refer to Fastener Notice in Service Precautions.




3. Install the generator mounting bolts.

Tighten
Tighten the generator mounting bolts in sequence to 50 N.m (37 lb ft).




4. Connect the generator lead (5) to the generator and install the generator output BAT terminal nut (6).

Tighten
Tighten the generator output BAT terminal nut to 20 N.m (15 lb ft).

5. Press the protective boot (4) on to the generator output BAT terminal (2).
6. Connect the wiring harness connector (1) to the generator.
7. Raise and support the vehicle only high enough to access the A/C compressor through the wheelhouse. Refer to Vehicle Lifting.




8. Position the A/C compressor (1) to the engine.
9. Install the A/C compressor mounting bolts (2, 3).

Tighten
Tighten the A/C compressor mounting bolts to 50 N.m (37 lb ft).

10. Attach the A/C compressor electrical connector to the bracket.
11. Install the left wheelhouse liner.
12. Install the left front wheel.
13. Lower the vehicle.
14. Install the drive belt.
15. Connect the battery negative cable.